LEMON Manuals: Even more car manuals for everyone: 1960-2025
Home >> Infiniti >> 2002 >> QX4 RWD >> Repair and Diagnosis >> Brakes >> Anti-Lock/Traction Control >> Preparation >> Description >> Schematic
April 5, 2026: LEMON Manuals is launched! Read the announcement.

Anti-Lock/Traction Control: Preparation: Description: Schematic

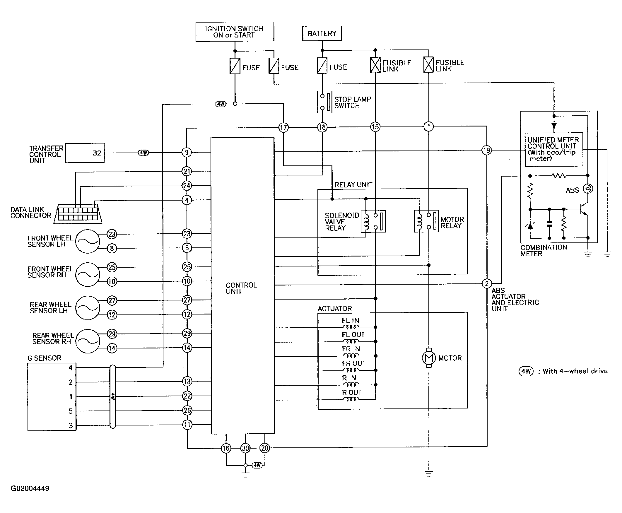
Fig 1: ABS System Schematic
G02004449Courtesy of NISSAN MOTOR CO., U.S.A.