LEMON Manuals: Even more car manuals for everyone: 1960-2025
Home >> Infiniti >> 2003 >> FX35 RWD >> Repair and Diagnosis (Single Page) >> Engine Performance >> System >> Engine Controls - Self-Diagnostics >> Diagnostic Tests >> DTC P0182: Fuel Tank Temperature Sensor Circuit Low Input & DTC P0183: Fuel Tank Temperature Sensor Circuit High Input >> Diagnostic Procedure
April 5, 2026: LEMON Manuals is launched! Read the announcement.

Diagnostic Procedure

CAUTION: DO NOT use ECM ground terminals when measuring input/output voltage. Doing so may result in damage to the ECM's transistor. Use a ground other than the ECM terminals.

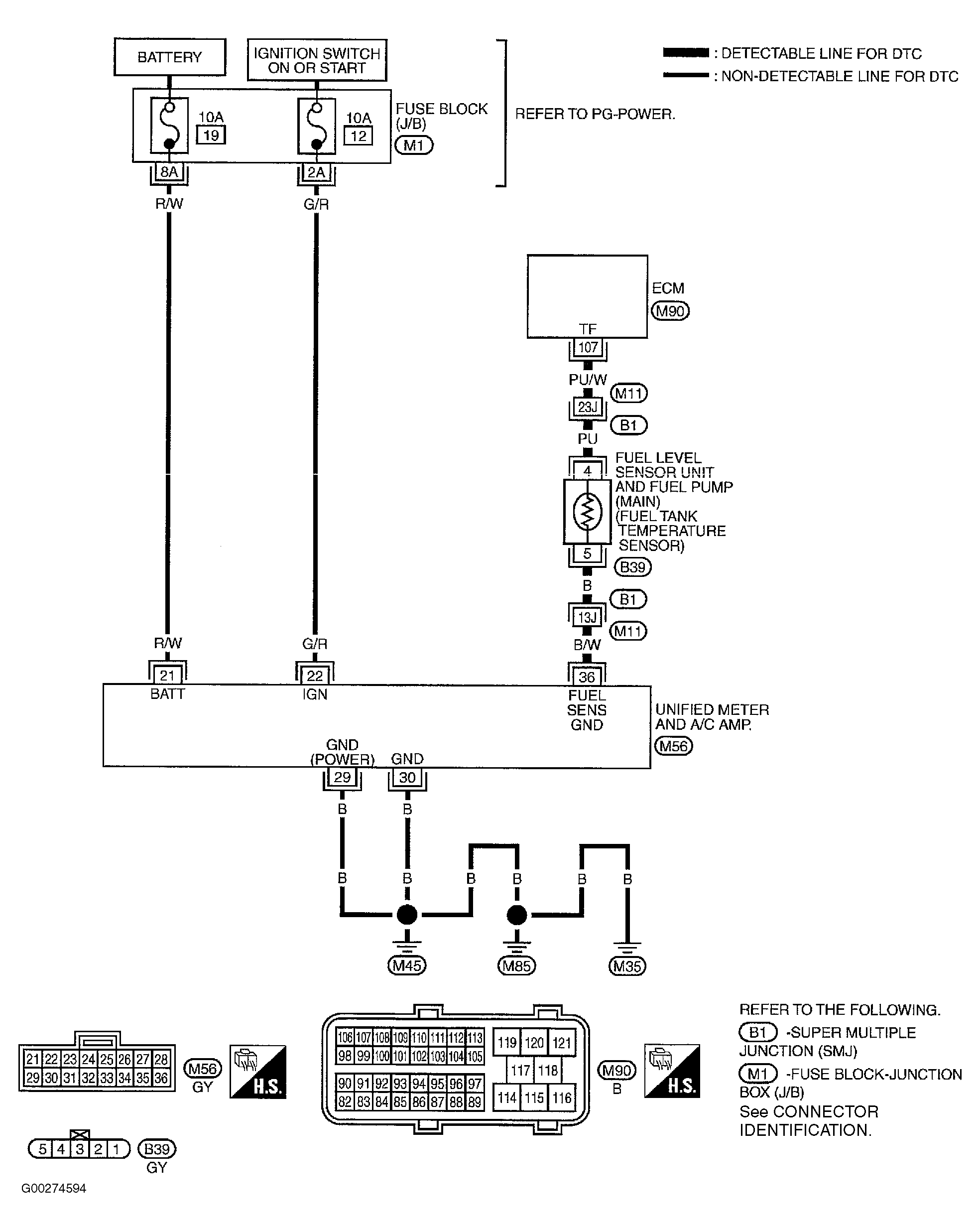
For DTC P0182 and P0183 diagnostic procedure, related circuits and connectors, see Fig 1-Fig 3 .

Fig 1: Identifying FTT Sensor Circuit Related Circuits & Connectors
G00274594Courtesy of NISSAN MOTOR CO., U.S.A.
Fig 2: DTCs P0182 & P0183 Diagnostic Procedure (1 Of 2)
G00266024Courtesy of NISSAN MOTOR CO., U.S.A.
Fig 3: DTCs P0182 & P0183 Diagnostic Procedure (2 Of 2)
G00266025Courtesy of NISSAN MOTOR CO., U.S.A.