LEMON Manuals: Even more car manuals for everyone: 1960-2025
Home >> Infiniti >> 2003 >> FX35 RWD >> Repair and Diagnosis (Single Page) >> Engine Performance >> System >> Engine Controls - Self-Diagnostics >> Diagnostic Tests >> DTC P1124: Throttle Control Motor Relay Circuit Short & DTC P1126: Throttle Control Motor Relay Circuit Open >> Diagnostic Procedure
April 5, 2026: LEMON Manuals is launched! Read the announcement.

Diagnostic Procedure

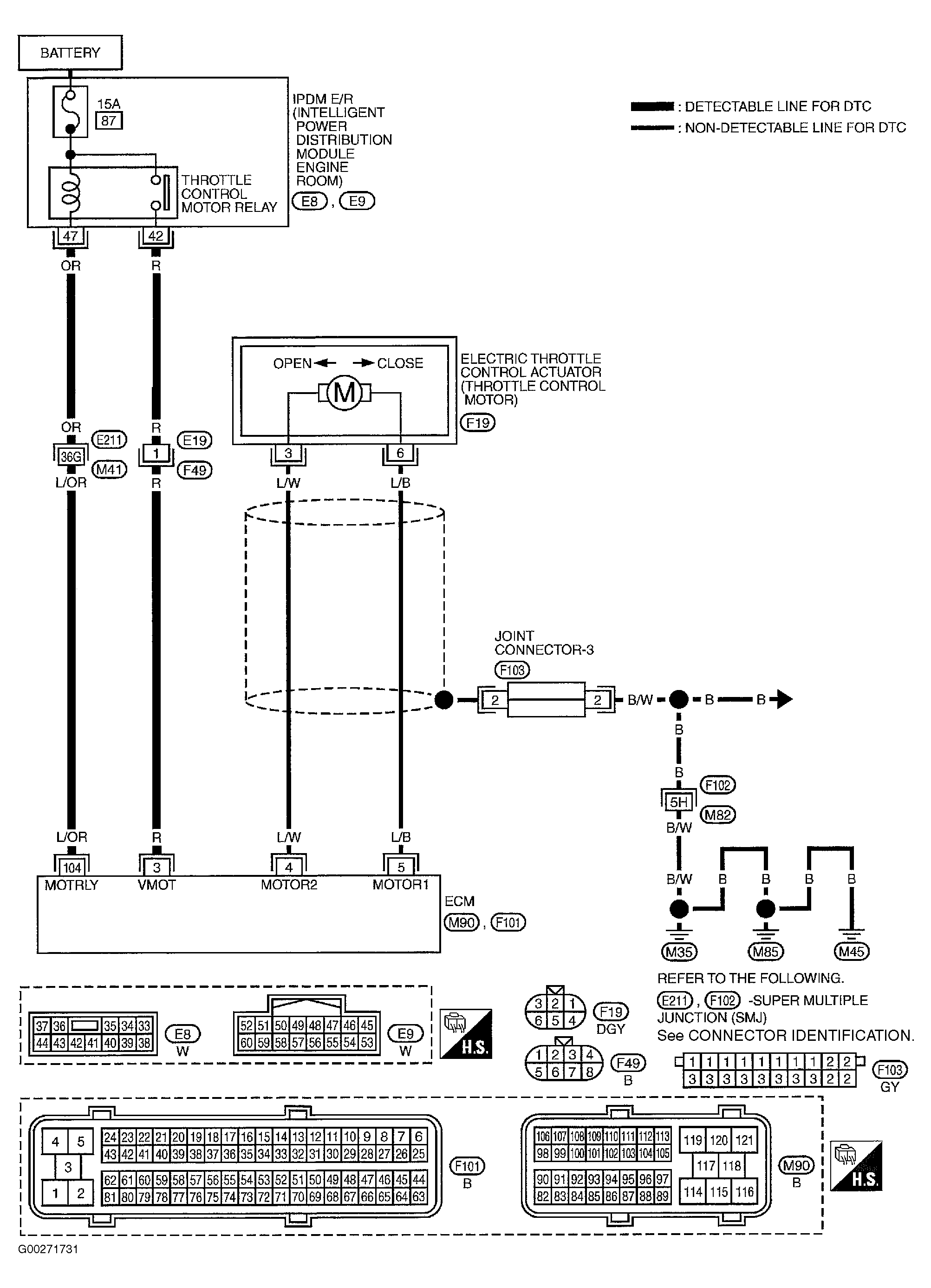
For DTC P1124 or P1126 diagnostic procedure, related circuit diagrams and connector identification, see Fig 1-Fig 4 .

Fig 1: Identifying Throttle Body Control Motor Relay Related Circuits & Connectors
G00271731Courtesy of NISSAN MOTOR CO., U.S.A.
Fig 2: Identifying Throttle Control Motor Relay Specification Data
G00271732Courtesy of NISSAN MOTOR CO., U.S.A.
Fig 3: DTCs P1124 & P1126 Diagnostic Procedure (1 Of 2)
G00271733Courtesy of NISSAN MOTOR CO., U.S.A.
Fig 4: DTCs P1124 & P1126 Diagnostic Procedure (2 Of 2)
G00271734Courtesy of NISSAN MOTOR CO., U.S.A.