LEMON Manuals: Even more car manuals for everyone: 1960-2025
Home >> Infiniti >> 2003 >> FX35 RWD >> Repair and Diagnosis >> Engine Performance >> System >> Engine Controls - System & Component Testing >> Ignition System >> Ignition Signal >> Ignition Coil & Power Transistor (I35)
April 5, 2026: LEMON Manuals is launched! Read the announcement.

Ignition Coil & Power Transistor (I35)

  1. Turn ignition switch to OFF position and start engine. If engine is running and CONSULT-II is being used, go to next step. If engine is running and CONSULT-II is not being used, go to step  3. If engine is not running, go to step  4.
  2. Using CONSULT-II, perform POWER BALANCE in ACTIVE TEST mode. At each step in POWER BALANCE test, engine RPM should drop momentarily. If engine RPM drops as specified, test is complete. If engine RPM does not drop as specified, go to step  14.
  3. Let engine idle. Using an oscilloscope, read the voltage signal between ground and ECM terminals No. 5, 6, 7, 15, 16 and 17 with oscilloscope. Verify that the oscilloscope screen shows the correct reading. See Figure. If results are as specified, inspection is complete. If results are not as specified, go to step  14.
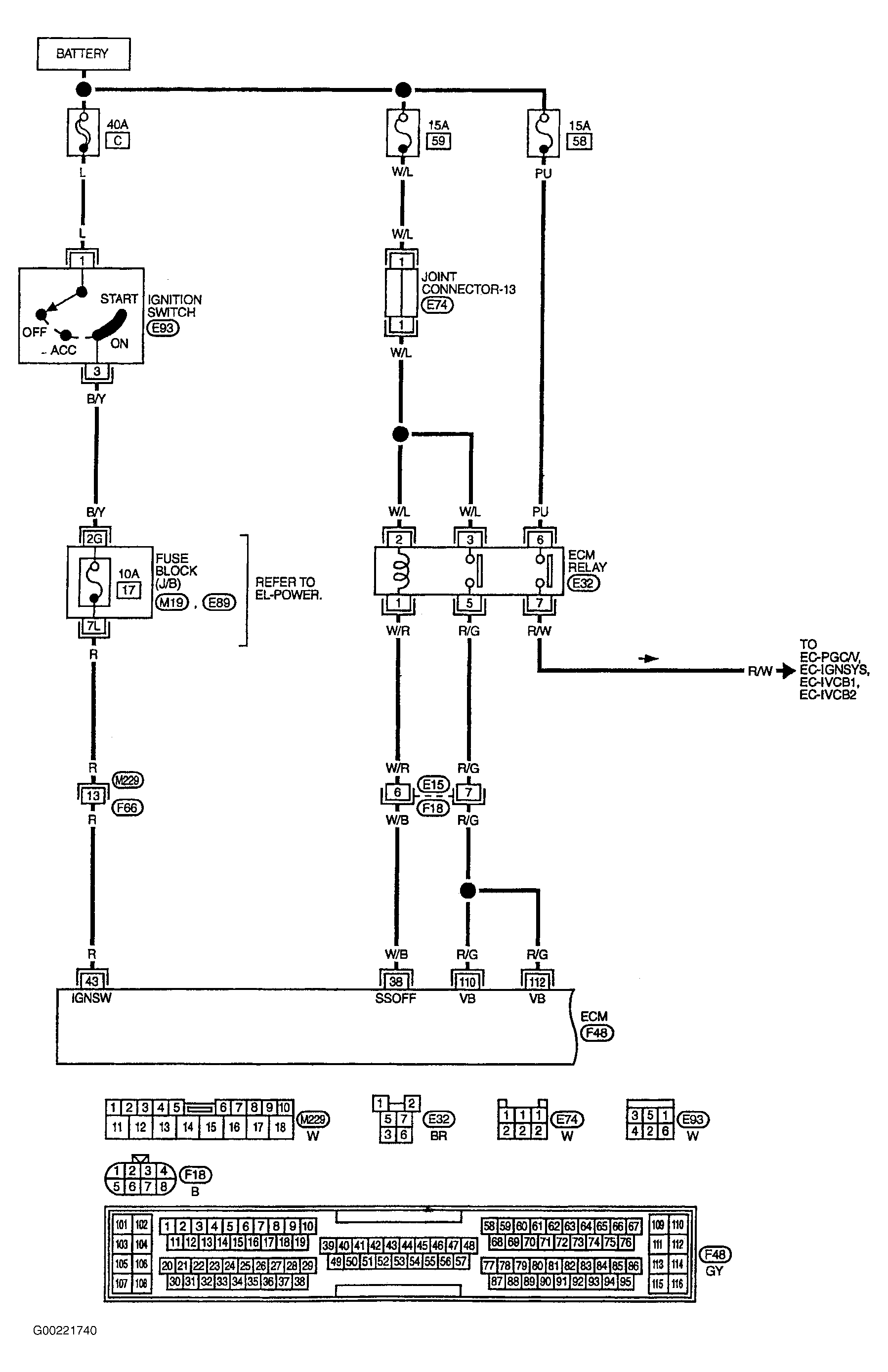
  4. Turn ignition switch to ON position. Check voltage between ground and ECM terminals No. 110 and 112. See Fig 1.Battery voltage should exist. If results are as specified, go to next step. If results are not as specified, see POWER & GROUND CIRCUITS (I35) .
  5. Check voltage between ground and ECM terminal No. 31. Battery voltage should exist. If results are as specified, go to step  11. If results are not as specified, go to next step.
  6. Turn ignition switch to OFF position. Disconnect ECM relay. See Fig 2. Check harness continuity between ECM relay terminal No. 31 and ECM relay terminal No. 7. See ENGINE PERFORMANCE in SYSTEM WIRING DIAGRAMS article in ELECTRICAL. Continuity should exist. Also check harness for short to ground and short to power. If no problem is found, go to step  8. If problem is found, go to next step.
  7. Check the following:
    • Harness connectors E15 and F18.
    • Harness for open or short between ECM and ECM relay.

    Repair open circuit or short to ground or short to power in harness or connectors.

  8. Check voltage between ground and ECM terminal No. 6. Battery voltage should exist. If voltage is as specified, go to step  10. If voltage is are not as specified, go to next step.
  9. Check the following:
    • 15-amp fuse.
    • Harness for open and short between ECM relay and fuse.

    Repair or replace fuse, harness or connectors.

  10. Apply 12 volts between ECM relay terminals No. 1 and 2. See Figure. Check continuity between ECM relay terminals No. 3 and 5, 6 and 7. If ther is 12 volt supply between terminals No. 1 and 2, continuity should exist. If there is no 12 volt, continuity should not exist. If test results are as specified, go to step  19. If test results are not as specified, replace ECM relay.
  11. Turn ignition switch to OFF position. Disconnect condenser harness connector. Check harness continuity between ECM terminal No. 31 and condenser terminal No. 1. See ENGINE PERFORMANCE in SYSTEM WIRING DIAGRAMS article in ELECTRICAL. Continuity should exist. Also check for short to ground and short to power. If no problem is found, go to next step. If problem is found, repair open circuit or short to ground or short to power in harness or connectors.
  12. Check harness continuity between engine ground and condenser terminal No. 2. See ENGINE PERFORMANCE in SYSTEM WIRING DIAGRAMS article in ELECTRICAL. Continuity should exist. Check harness for short to power. If no problem is found, go to next step. If problem is found, repair open circuit or short to power in harness or connectors.
  13. Check resistance between condenser terminals No. 1 and 2. Resistance should be greater than one megohm at 77°F (25°C). If results are as specified, go to next step. If results are not as specified, replace condenser.
  14. Turn ignition switch to OFF position. Reconnect all disconnected harness connectors. Disconnect ignition coil harness connector. See Fig 3. Turn ignition switch to ON position. Check voltage between ground and ignition coil terminal No. 3. Battery voltage should exist. If voltage is as specified, go to step  16. If voltage is not as specified, go to next step.
  15. Check the following:
    • Harness connectors F57 and F221.
    • Harness for open and short between ignition coil and harness connector F18.

    Repair or replace harness or connectors as necessary.

  16. Turn ignition switch to OFF position. Check harness continuity between engine ground and ignition coil terminal No. 2. See ENGINE PERFORMANCE in SYSTEM WIRING DIAGRAMS article in ELECTRICAL. Continuity should exist. Also check harness for short to power. If no problem is found, go to next step. If problem is found, repair open circuit or short to power in harness or connectors as necessary.
  17. Disconnect ECM harness connector. Check harness continuity between ignition coil terminal No. 1 and ECM terminals No. 5, 6, 7, 15, 16 and 17. See ENGINE PERFORMANCE in SYSTEM WIRING DIAGRAMS article in ELECTRICAL. Continuity should exist. Also check harness for short to ground and short to power. If no problem is found, go to next step. If problem is found, repair open circuit or short to ground or short to power in harness or connectors.
  18. Also check resistance between ignition coil terminals No. 2 and 3. See Fig 4. If resistance is greater than zero ohms, go to next step. If resistance is zero ohms, replace ignition coil with power transistor.
  19. Problem may be intermittent. See INTERMITTENTS in TROUBLE SHOOTING - NO CODES article. Inspection is complete.
Fig 1: Main Power Supply & Ground Circuit Diagram (I35)
G00221740Courtesy of NISSAN MOTOR CO., U.S.A.
Fig 2: Identifying ECM Relay (I35)
G00220070Courtesy of NISSAN MOTOR CO., U.S.A.
Fig 3: Locating Ignition Coil Harness Connectors (I35)
G00220071Courtesy of NISSAN MOTOR CO., U.S.A.
Fig 4: Checking Ignition Coil With Power Transistor (I35)
G00220072Courtesy of NISSAN MOTOR CO., U.S.A.