LEMON Manuals: Even more car manuals for everyone: 1960-2025
Home >> Infiniti >> 2003 >> FX45 >> Repair and Diagnosis >> Steering >> Steering Column >> Automatic Drive Positioner >> Schematic
April 5, 2026: LEMON Manuals is launched! Read the announcement.

Automatic Drive Positioner: Schematic

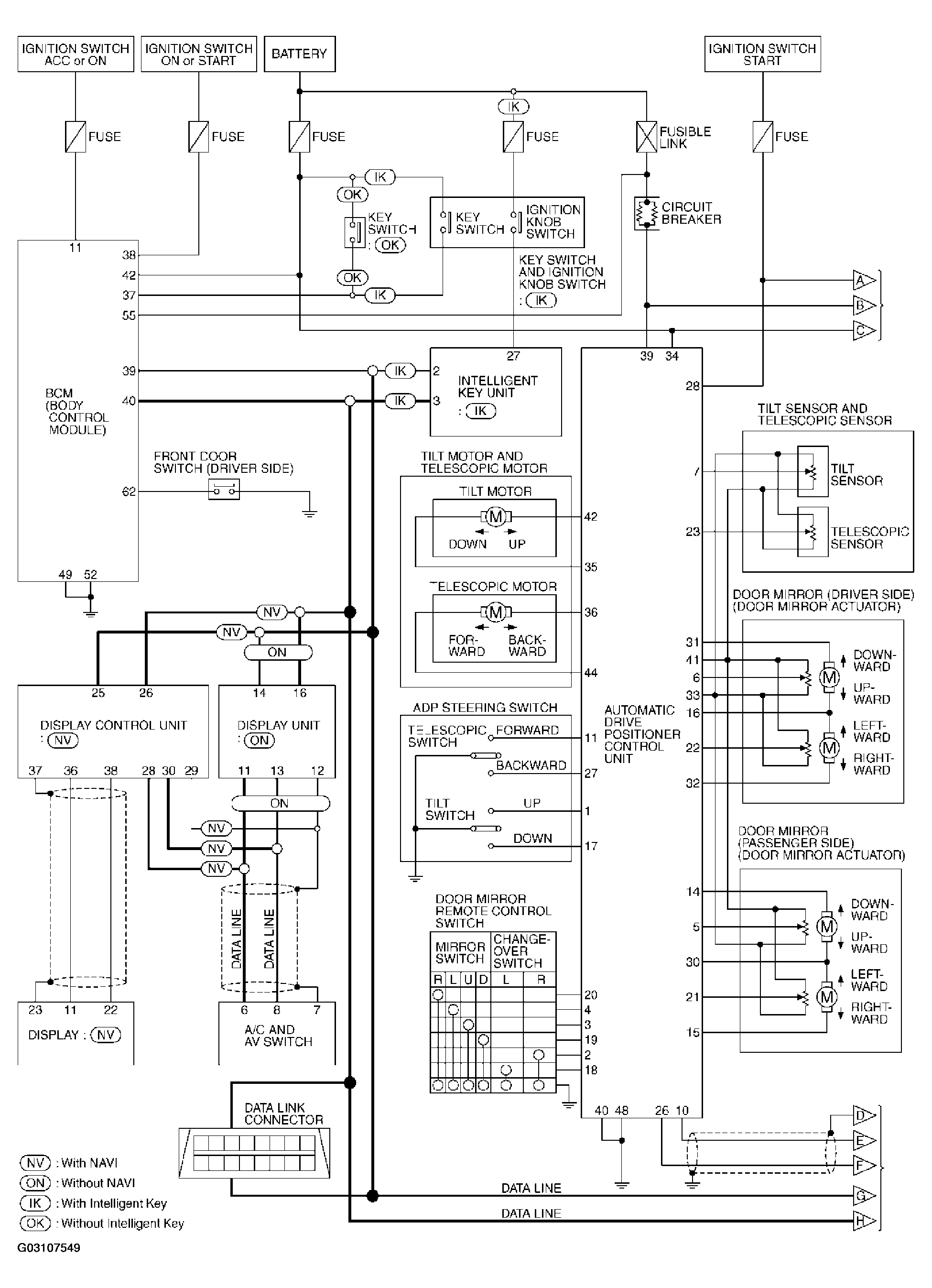
Fig 1: Schematic Diagram (1 Of 2)
G03107549Courtesy of NISSAN MOTOR CO., U.S.A.
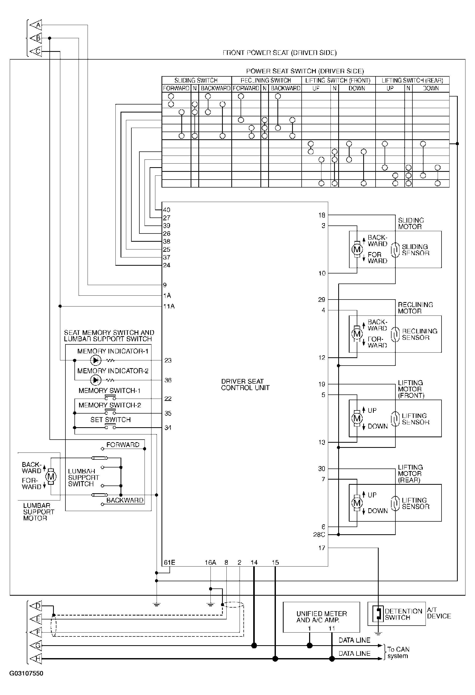
Fig 2: Schematic Diagram (2 Of 2)
G03107550Courtesy of NISSAN MOTOR CO., U.S.A.