LEMON Manuals: Even more car manuals for everyone: 1960-2025
Home >> Infiniti >> 2003 >> FX45 >> Repair and Diagnosis >> Transmission >> Transfer Case >> AWD System >> Circuit Diagram
April 5, 2026: LEMON Manuals is launched! Read the announcement.

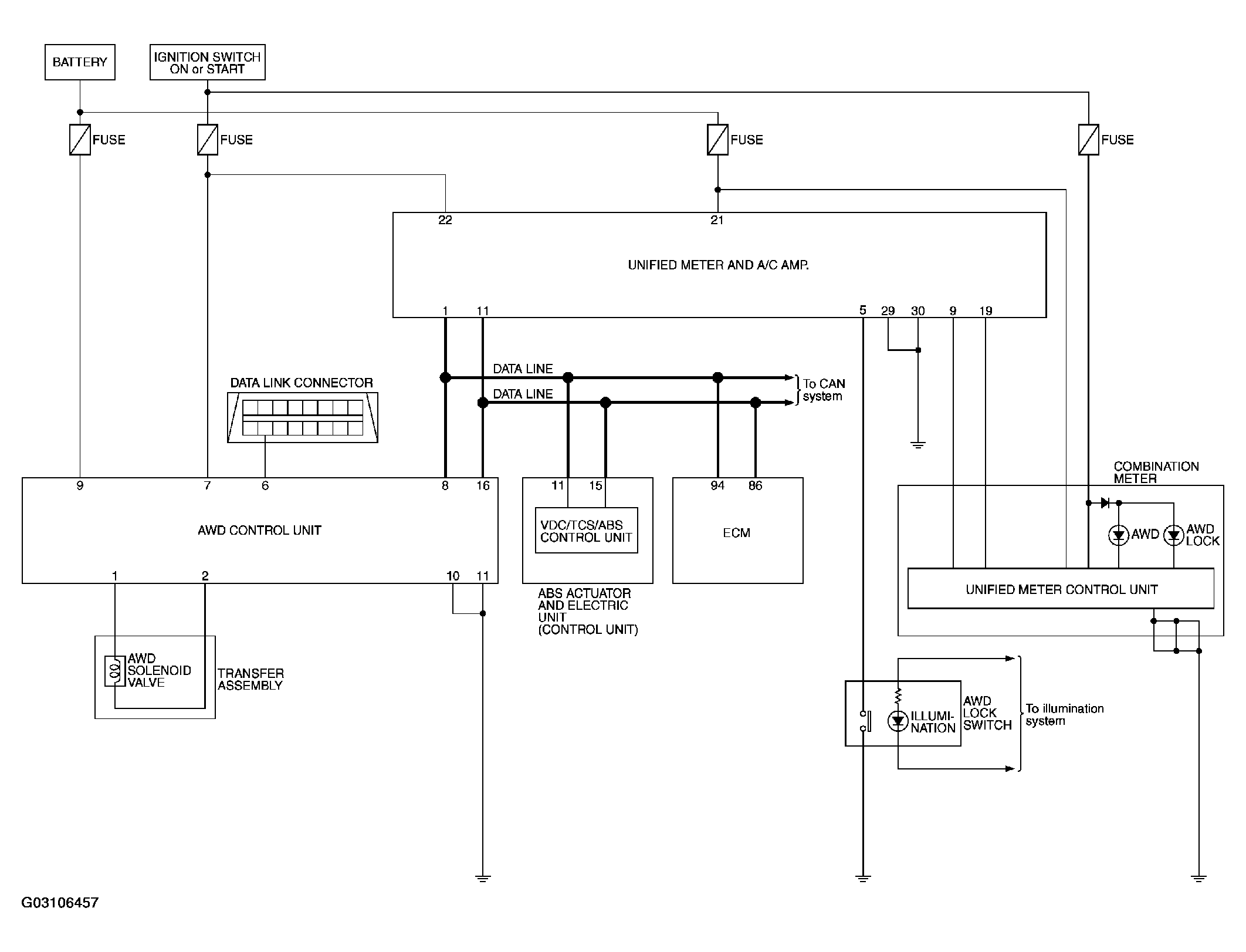
Circuit Diagram

Fig 1: Identifying Circuit Diagram
G03106457Courtesy of NISSAN MOTOR CO., U.S.A.