LEMON Manuals: Even more car manuals for everyone: 1960-2025
Home >> Infiniti >> 2003 >> FX45 >> Repair and Diagnosis >> Transmission >> Transfer Case >> AWD System >> Wiring Diagram
April 5, 2026: LEMON Manuals is launched! Read the announcement.

AWD System: Wiring Diagram

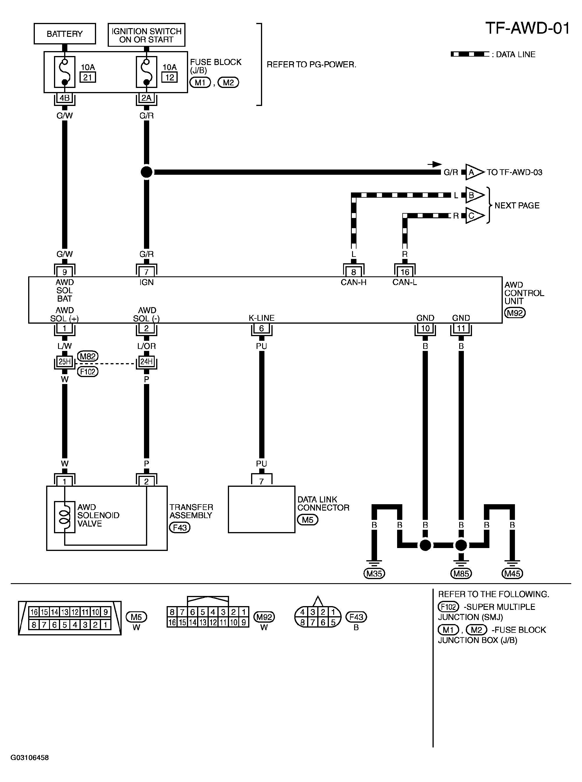
Fig 1: Identifying Wiring Diagram (1 Of 3)
G03106458Courtesy of NISSAN MOTOR CO., U.S.A.
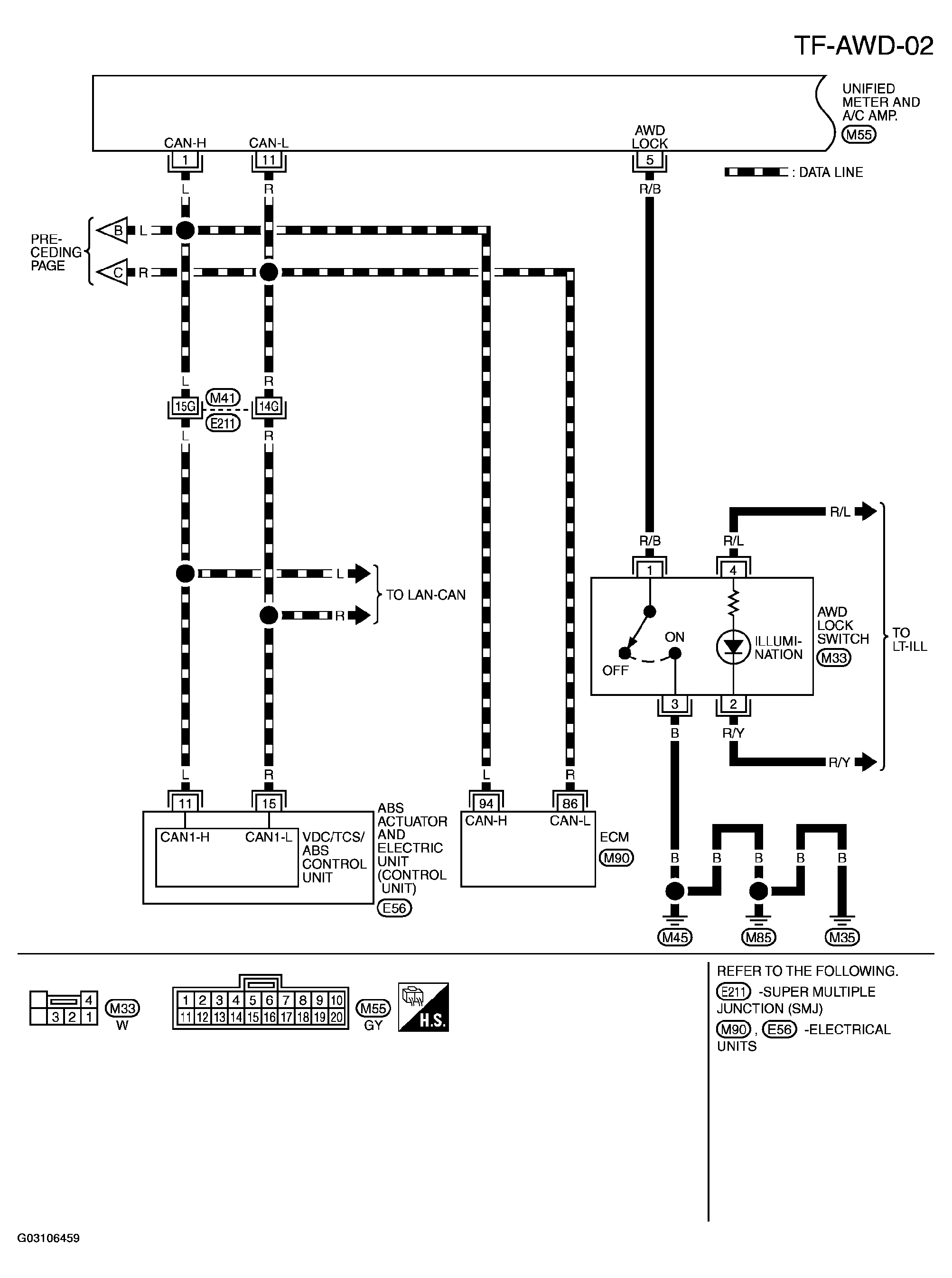
Fig 2: Identifying Wiring Diagram (2 Of 3)
G03106459Courtesy of NISSAN MOTOR CO., U.S.A.
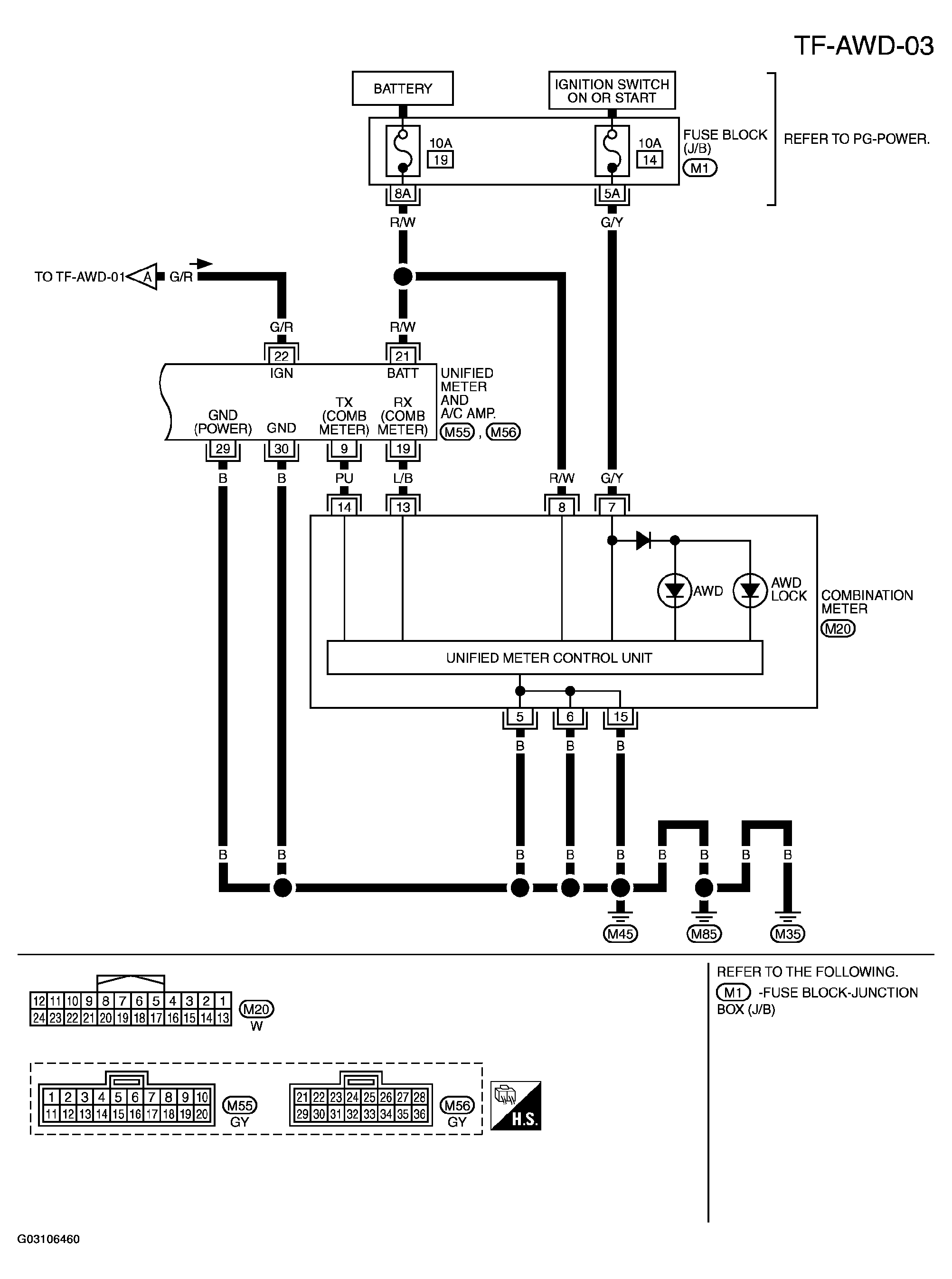
Fig 3: Identifying Wiring Diagram (3 Of 3)
G03106460Courtesy of NISSAN MOTOR CO., U.S.A.