LEMON Manuals: Even more car manuals for everyone: 1960-2025
Home >> Infiniti >> 2003 >> G35 2D Coupe, Automatic >> Repair and Diagnosis >> Engine Performance >> System >> Engine Controls System - Component Testing - Coupe >> ASCD Brake Switch >> Wiring Diagram
April 5, 2026: LEMON Manuals is launched! Read the announcement.

ASCD Brake Switch: Wiring Diagram

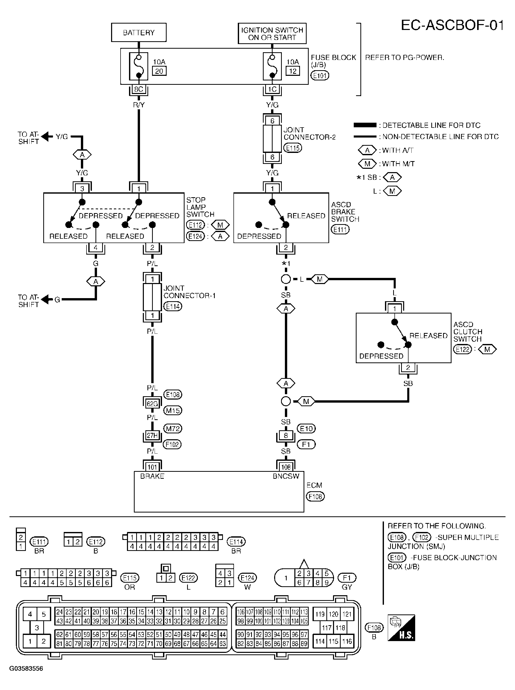
Fig 1: WIRING DIAGRAM ASCD Brake Switch
G03583556Courtesy of NISSAN MOTOR CO., U.S.A.

Specification data are reference values and are measured between each terminal and ground.

CAUTION: Do not use ECM ground terminals when measuring input/output voltage. Doing so may result in damage to the ECM's transistor. Use a ground other than ECM terminals, such as the engine ground.
SPECIFICATION DATA AND REFERENCE VALUES

TERMINAL NO. WIRE COLOR ITEM CONDITION DATA (DC Voltage)
101 P/L Stop lamp switch [Ignition switch: ON] 
  • Brake pedal is fully released
Approximately 0V
[Ignition switch: ON] 
  • Brake pedal is depressed
BATTERY VOLTAGE (11 - 14V)
108 SB ASCD brake switch [Ignition switch: ON] 
  • Brake pedal is depressed (A/T models)
  • Brake pedal and/or clutch pedal are depressed (M/T models)
Approximately 0V
[Ignition switch: ON] 
  • Brake pedal is fully released (A/T models)
  • Brake pedal and clutch pedal are fully released (M/T models)
BATTERY VOLTAGE (11 - 14V)