LEMON Manuals: Even more car manuals for everyone: 1960-2025
Home >> Infiniti >> 2003 >> G35 2D Coupe, Automatic >> Repair and Diagnosis >> Engine Performance >> System >> Engine Controls System - Component Testing - Coupe >> ASCD Indicator >> Wiring Diagram
April 5, 2026: LEMON Manuals is launched! Read the announcement.

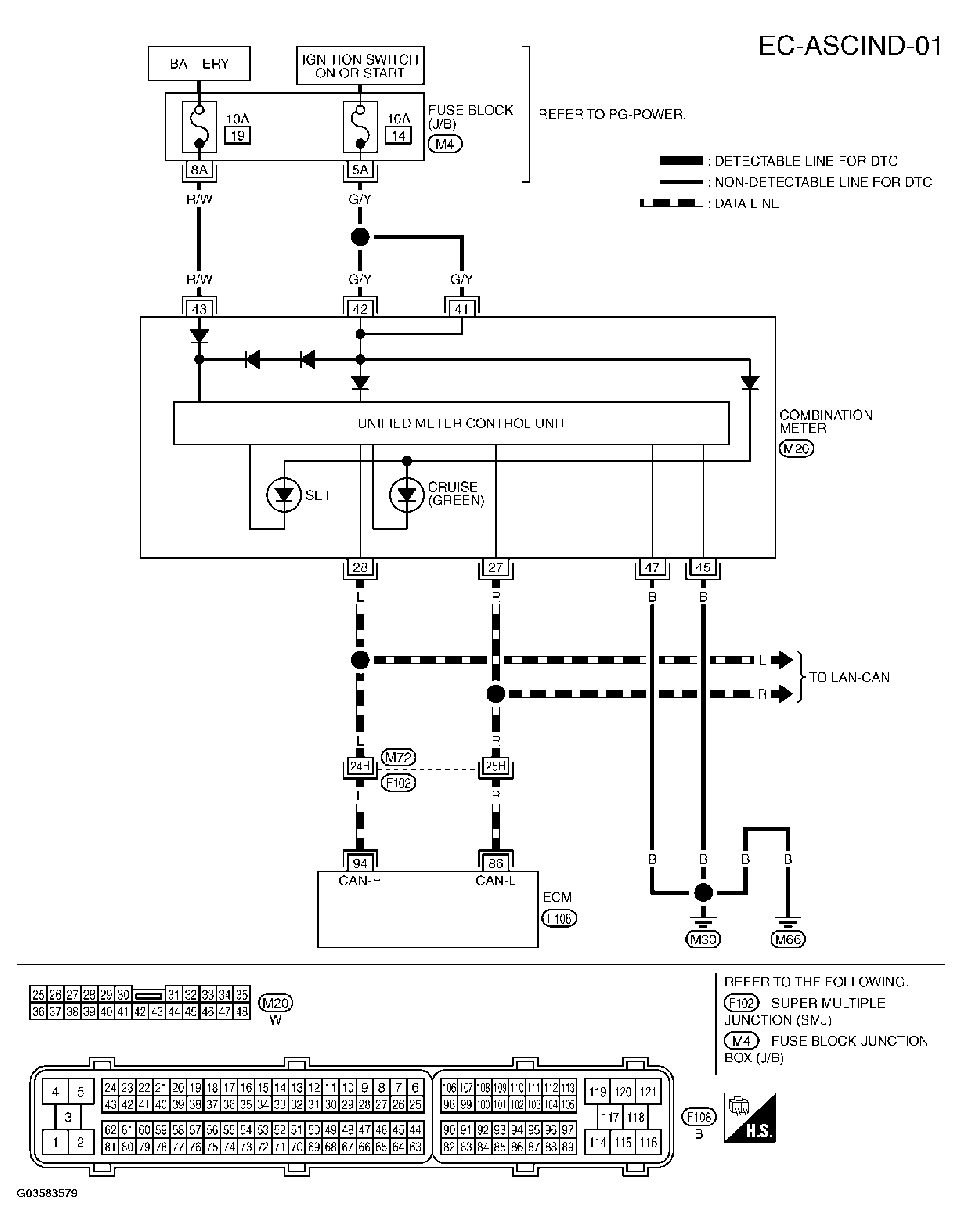
ASCD Indicator: Wiring Diagram

Fig 1: Wiring Diagram ASCD Indicator
G03583579Courtesy of NISSAN MOTOR CO., U.S.A.