LEMON Manuals: Even more car manuals for everyone: 1960-2025
Home >> Infiniti >> 2003 >> G35 2D Coupe, Automatic >> Repair and Diagnosis >> Engine Performance >> System >> Engine Controls System - Component Testing - Coupe >> Ignition Signal >> Wiring Diagram
April 5, 2026: LEMON Manuals is launched! Read the announcement.

Ignition Signal: Wiring Diagram

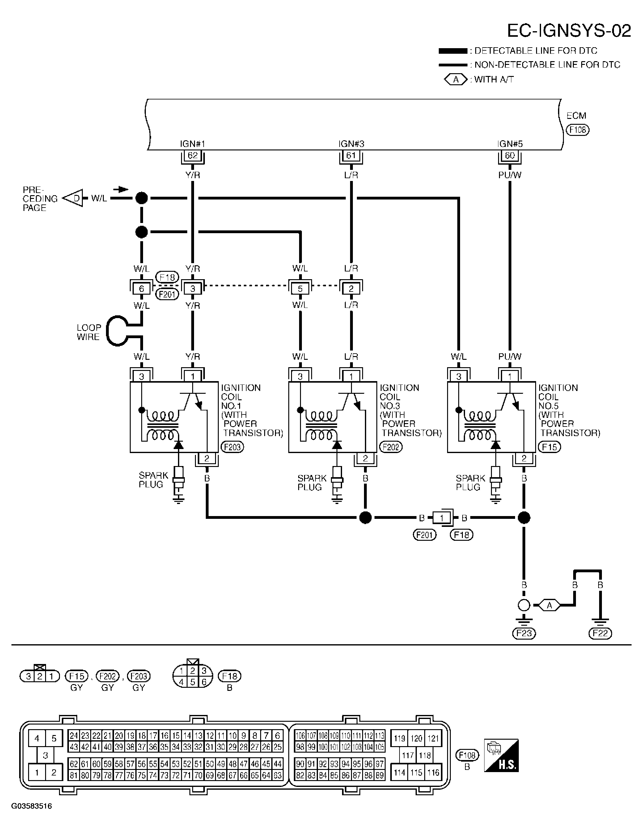
Fig 1: Wiring Diagram Ignition System (1 of 3)
G03583515Courtesy of NISSAN MOTOR CO., U.S.A.

Specification data are reference values and are measured between each terminal and ground.

CAUTION: Do not use ECM ground terminals when measuring input/output voltage. Doing so may result in damage to the ECM's transistor. Use a ground other than ECM terminals, such as the engine ground.
SPECIFICATION DATA AND REFERENCE VALUES

TERMINAL NO. WIRE COLOR ITEM CONDITION DATA (DC Voltage)
111 W ECM relay (Self shut-off) [Engine is running] 
[Ignition switch: OFF] 
  • For a few seconds after turning ignition switch OFF
0 - 1.5V
[Ignition switch: OFF] 
  • A few seconds passed after turning ignition switch OFF
BATTERY VOLTAGE (11 - 14V)
119
120
P
L
Power supply for ECM [Ignition switch: ON]  BATTERY VOLTAGE (11 - 14V)
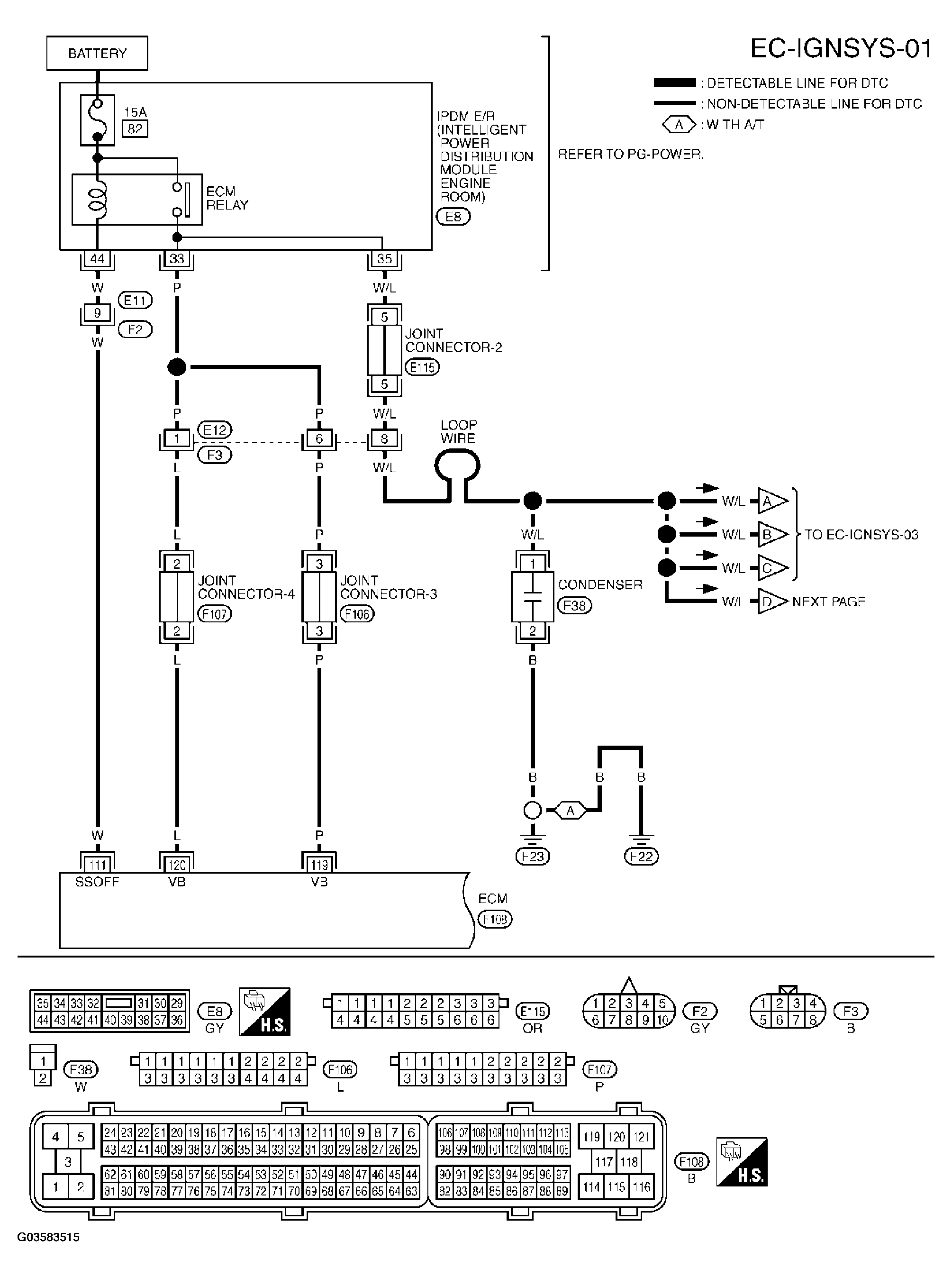
Fig 2: Wiring Diagram Ignition System (2 of 3)
G03583516Courtesy of NISSAN MOTOR CO., U.S.A.

Specification data are reference values and are measured between each terminal and ground.

Pulse signal is measured by CONSULT-II.

CAUTION: Do not use ECM ground terminals when measuring input/output voltage. Doing so may result in damage to the ECM's transistor. Use a ground other than ECM terminals, such as the engine ground.
Fig 3: Specification Data And Reference Values
G03583517Courtesy of NISSAN MOTOR CO., U.S.A.
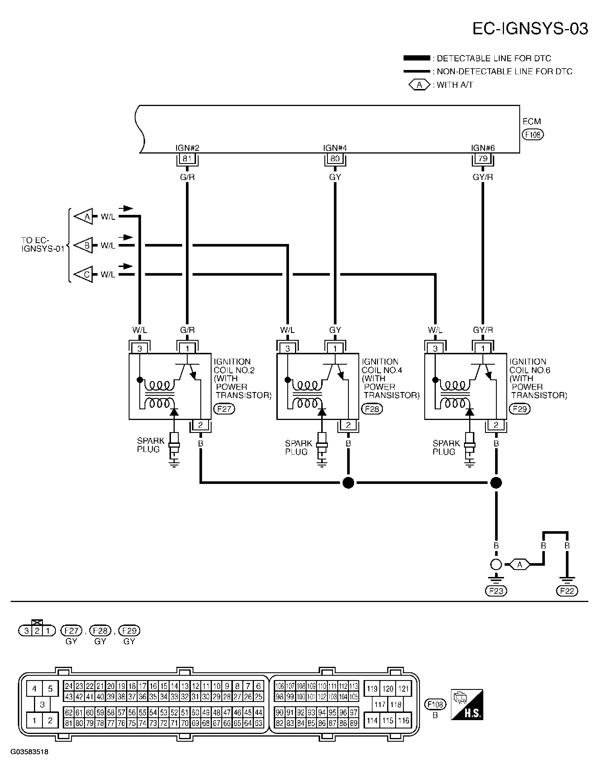
Fig 4: Wiring Diagram Ignition System (3 of 3)
G03583518Courtesy of NISSAN MOTOR CO., U.S.A.

Specification data are reference values and are measured between each terminal and ground.

Pulse signal is measured by CONSULT-II.

CAUTION: Do not use ECM ground terminals when measuring input/output voltage. Doing so may result in damage to the ECM's transistor. Use a ground other than ECM terminals, such as the engine ground.
Fig 5: Specification Data And Reference Values
G03583519Courtesy of NISSAN MOTOR CO., U.S.A.