LEMON Manuals: Even more car manuals for everyone: 1960-2025
Home >> Infiniti >> 2003 >> I35 >> Repair and Diagnosis >> Accessories & Equipment >> Communication Devices >> Smart Entrance Control Unit >> Smart Entrance Control Unit >> Schematic
April 5, 2026: LEMON Manuals is launched! Read the announcement.

Smart Entrance Control Unit: Schematic

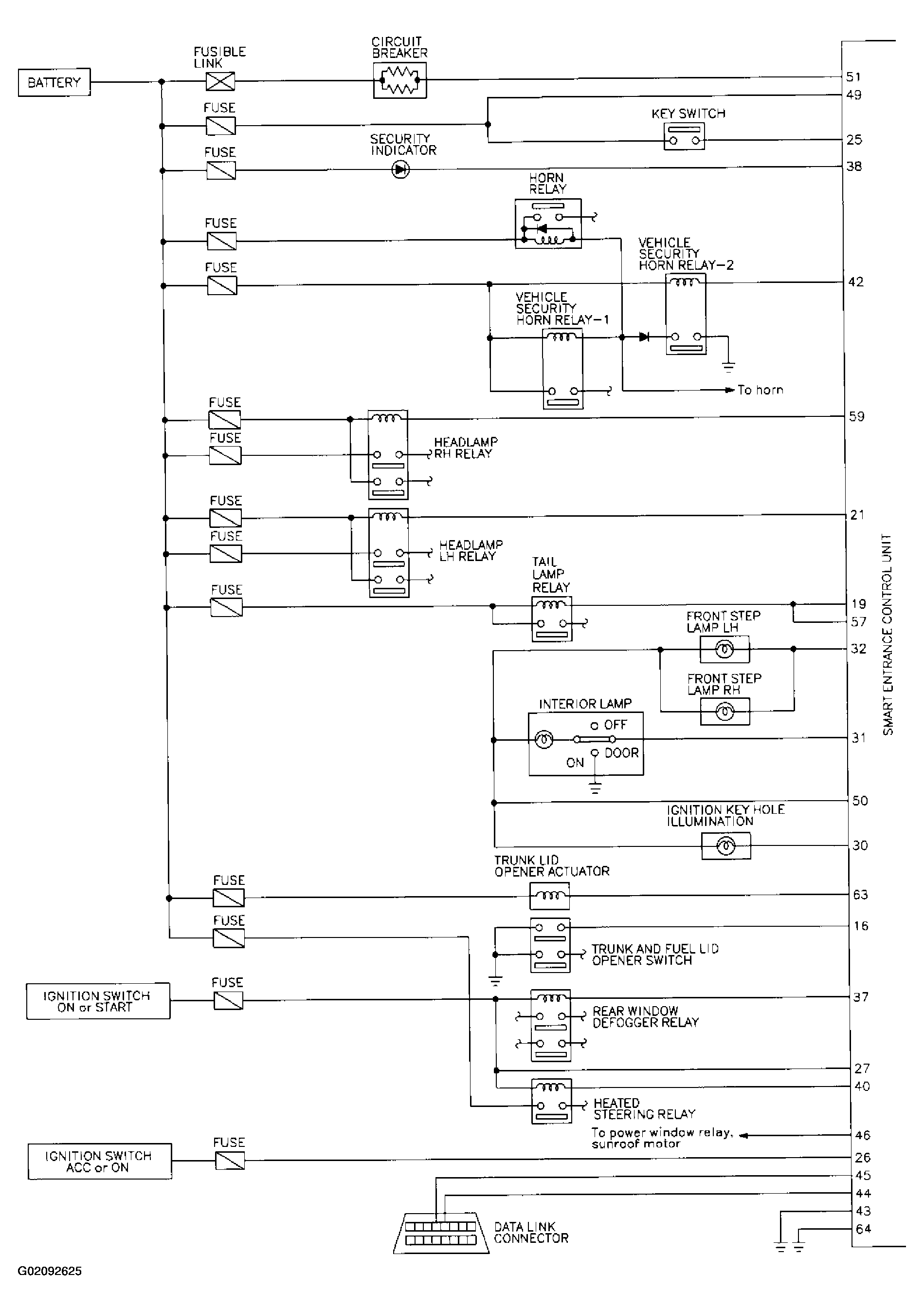
Fig 1: Smart Entrance Control Unit Schematic Diagram (1 Of 2)
G02092625Courtesy of NISSAN MOTOR CO., U.S.A.
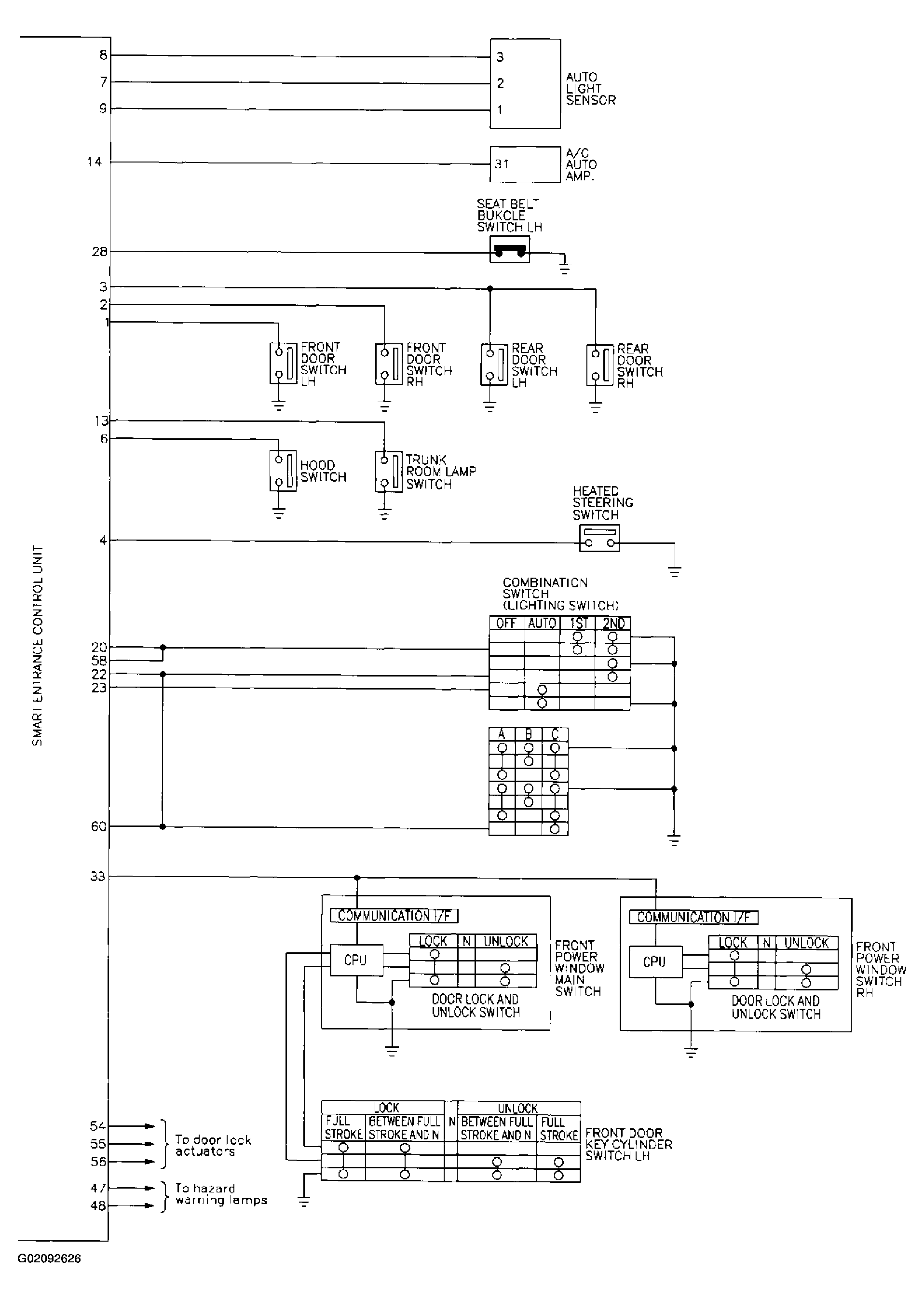
Fig 2: Smart Entrance Control Unit Schematic Diagram (2 Of 2)
G02092626Courtesy of NISSAN MOTOR CO., U.S.A.