LEMON Manuals: Even more car manuals for everyone: 1960-2025
Home >> Infiniti >> 2003 >> I35 >> Repair and Diagnosis >> Brakes >> Traction Control >> TCS >> Description >> Schematic
April 5, 2026: LEMON Manuals is launched! Read the announcement.

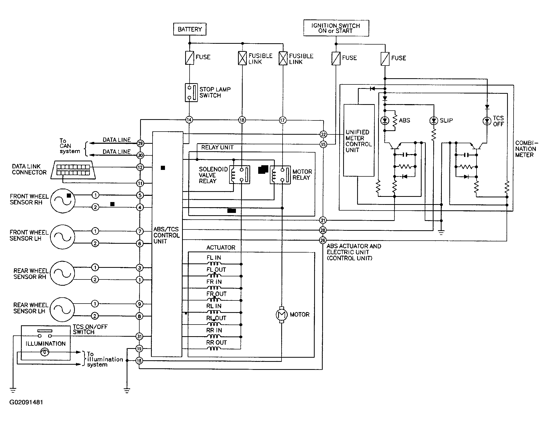
Traction Control: TCS: Description: Schematic

Fig 1: Identifying TCS Schematic
G02091481Courtesy of NISSAN MOTOR CO., U.S.A.