LEMON Manuals: Even more car manuals for everyone: 1960-2025
Home >> Infiniti >> 2003 >> I35 >> Repair and Diagnosis >> External Pages >> Different car >> Section 247 (Smart Entrance Control Unit) >> Smart Entrance Control Unit >> Schematic
April 5, 2026: LEMON Manuals is launched! Read the announcement.

Smart Entrance Control Unit: Schematic

WARNING: This page is about a different car, the 2004 Infiniti I35. However, it is still accessible from the selected car via links, so may be relevant.
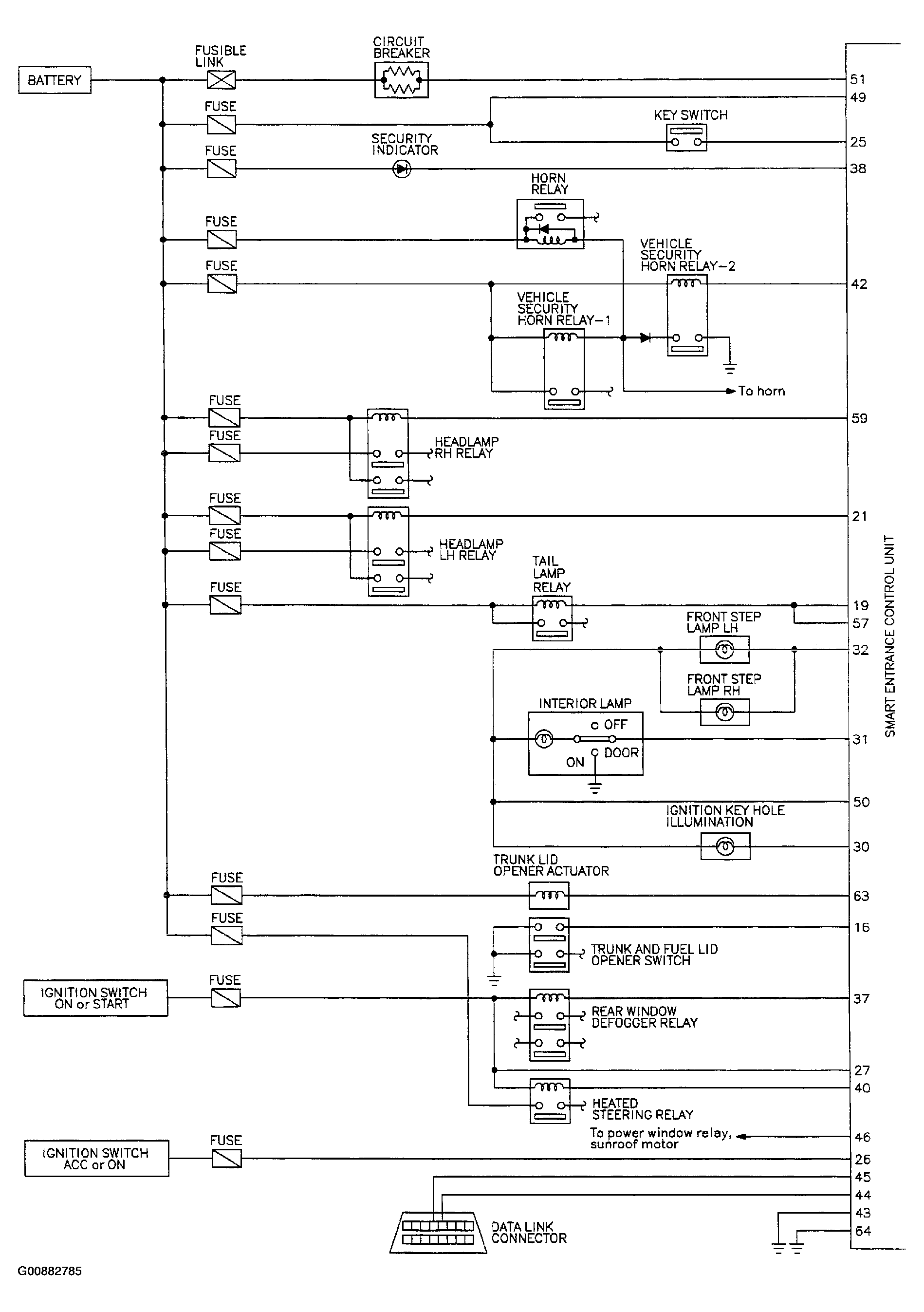
Fig 1: Displaying Smart Entrance Control Unit Schematic (1 Of 2)
G00882785Courtesy of NISSAN MOTOR CO., U.S.A.
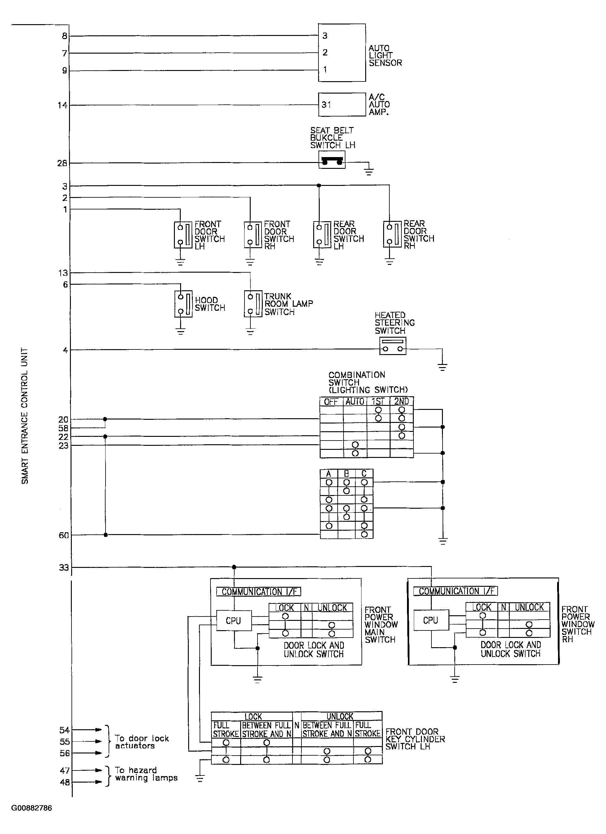
Fig 2: Displaying Smart Entrance Control Unit Schematic (2 Of 2)
G00882786Courtesy of NISSAN MOTOR CO., U.S.A.