LEMON Manuals: Even more car manuals for everyone: 1960-2025
Home >> Infiniti >> 2003 >> M45 >> Repair and Diagnosis >> Engine Performance >> System >> Engine Controls - Self-Diagnostics >> Diagnostic Tests >> DTC P0460: Fuel Level Sensor Function (Slosh) >> Wiring Diagram
April 5, 2026: LEMON Manuals is launched! Read the announcement.

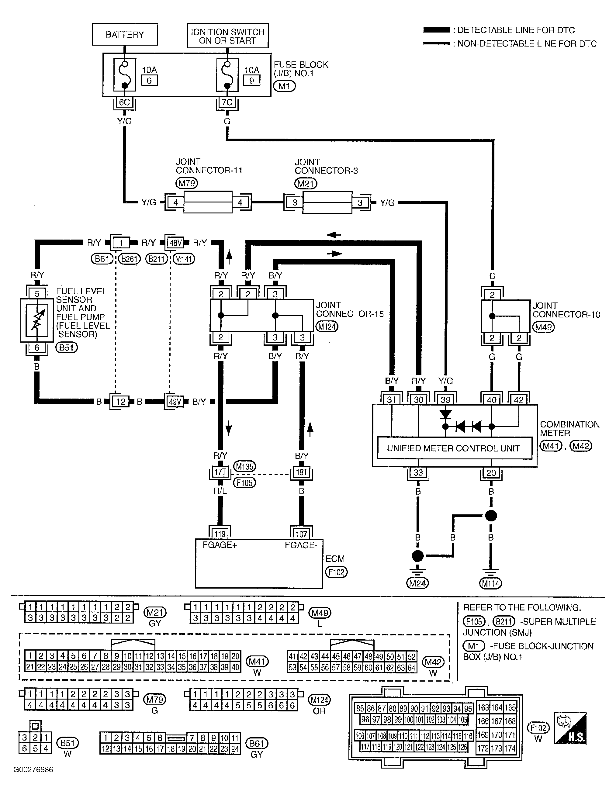
DTC P0460: Fuel Level Sensor Function (Slosh): Wiring Diagram

For wiring diagram, see Fig 1 .

Fig 1: Wiring Diagram
G00276686Courtesy of NISSAN MOTOR CO., U.S.A.