LEMON Manuals: Even more car manuals for everyone: 1960-2025
Home >> Infiniti >> 2003 >> M45 >> Repair and Diagnosis >> Engine Performance >> System >> Engine Controls - Self-Diagnostics >> Diagnostic Tests >> DTC P1220: Fuel Pump Control Module >> Wiring Diagram & Specification Data
April 5, 2026: LEMON Manuals is launched! Read the announcement.

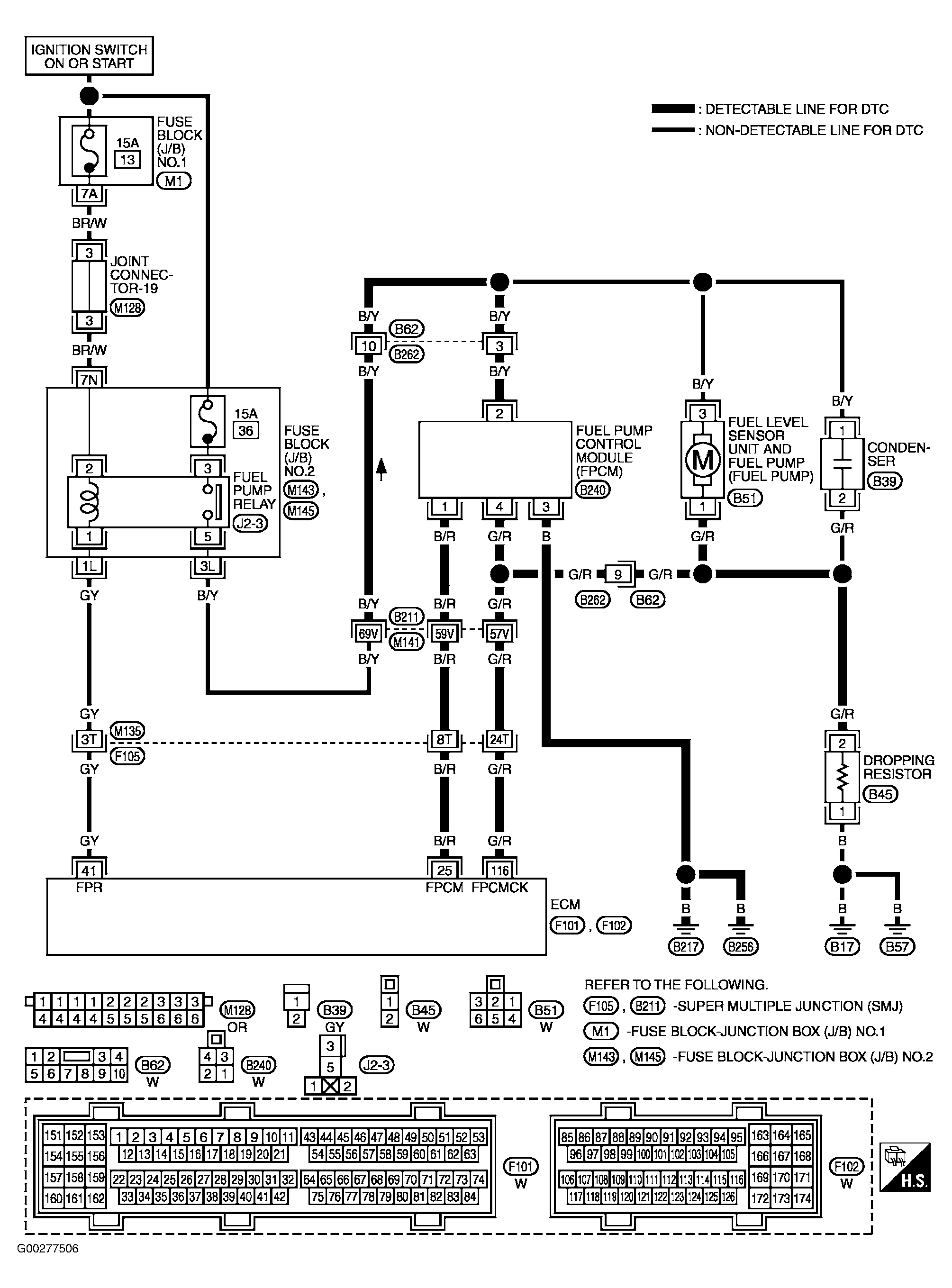
Wiring Diagram & Specification Data

For wiring diagram and specification data, see Fig 1 and Fig 2 .

Fig 1: Wiring Diagram
G00277506Courtesy of NISSAN MOTOR CO., U.S.A.
Fig 2: Specification Data
G00277507Courtesy of NISSAN MOTOR CO., U.S.A.