LEMON Manuals: Even more car manuals for everyone: 1960-2025
Home >> Infiniti >> 2003 >> Q45 >> Repair and Diagnosis >> Brakes >> Brakes Control Systems >> Brake Control System >> System Description >> System Diagram
April 5, 2026: LEMON Manuals is launched! Read the announcement.

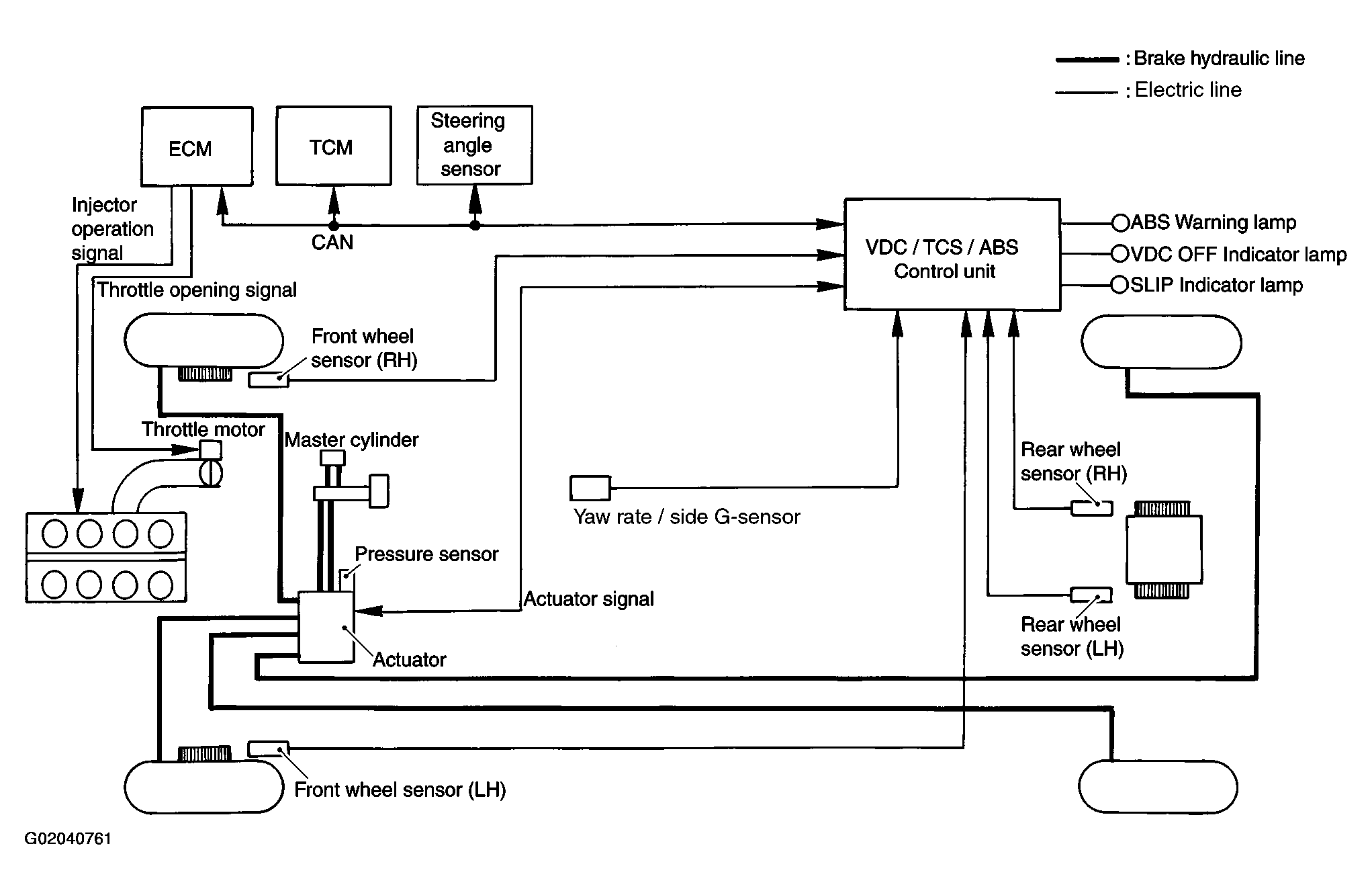
System Diagram

Fig 1: System Diagram
G02040761Courtesy of NISSAN MOTOR CO., U.S.A.