LEMON Manuals: Even more car manuals for everyone: 1960-2025
Home >> Infiniti >> 2003 >> QX4 RWD >> Repair and Diagnosis >> Accessories & Equipment >> Anti-Theft Systems >> Remote Keyless Entry System >> Remote Keyless Entry System >> Schematic
April 5, 2026: LEMON Manuals is launched! Read the announcement.

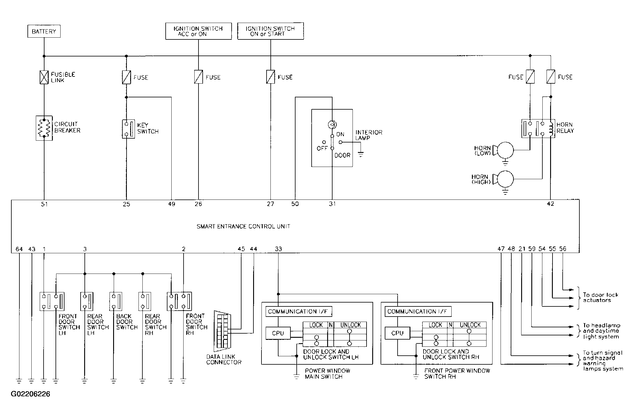
Remote Keyless Entry System: Schematic

Fig 1: Schematic Diagram
G02206226Courtesy of NISSAN MOTOR CO., U.S.A.