LEMON Manuals: Even more car manuals for everyone: 1960-2025
Home >> Infiniti >> 2003 >> QX4 RWD >> Repair and Diagnosis >> Brakes >> Traction Control >> Abs >> Description >> Schematic
April 5, 2026: LEMON Manuals is launched! Read the announcement.

Traction Control: Abs: Description: Schematic

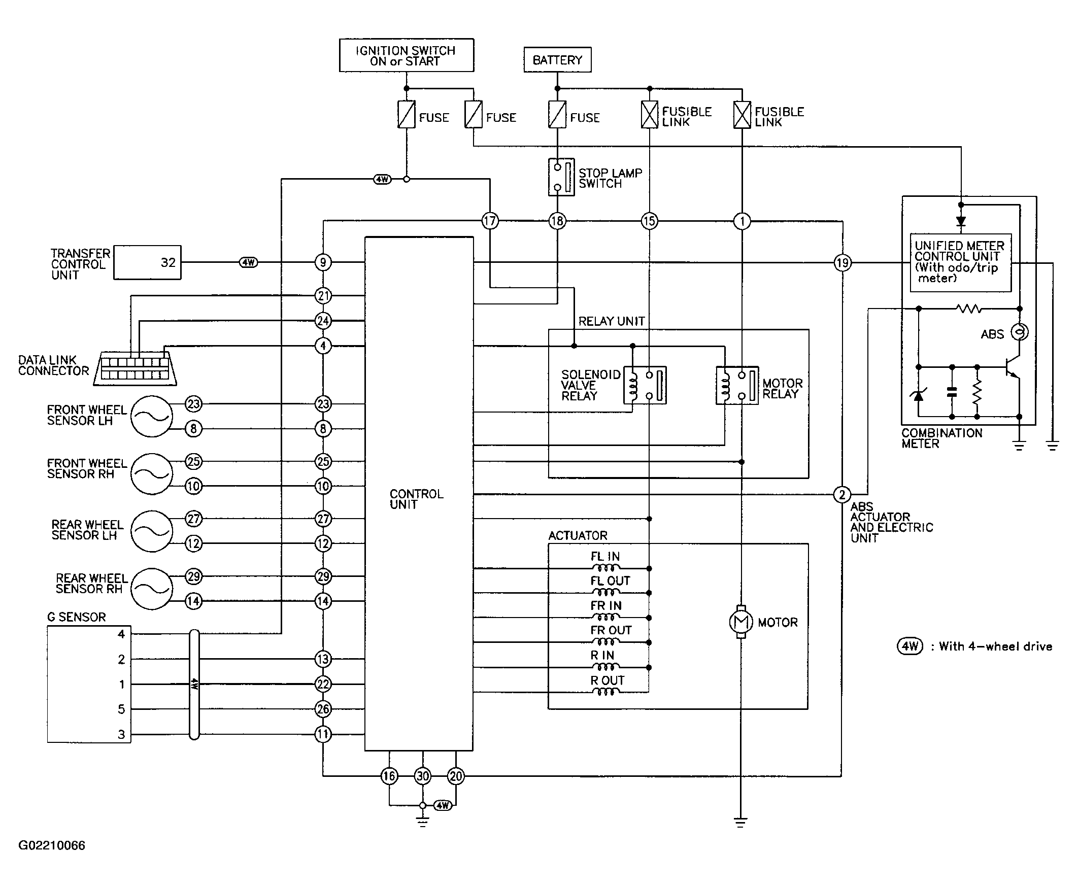
Fig 1: Schematic Diagram
G02210066Courtesy of NISSAN MOTOR CO., U.S.A.