LEMON Manuals: Even more car manuals for everyone: 1960-2025
Home >> Infiniti >> 2003 >> QX4 RWD >> Repair and Diagnosis >> Transmission >> Transfer Case >> All-Mode 4WD System >> Circuit Diagram For Quick Pinpoint Check
April 5, 2026: LEMON Manuals is launched! Read the announcement.

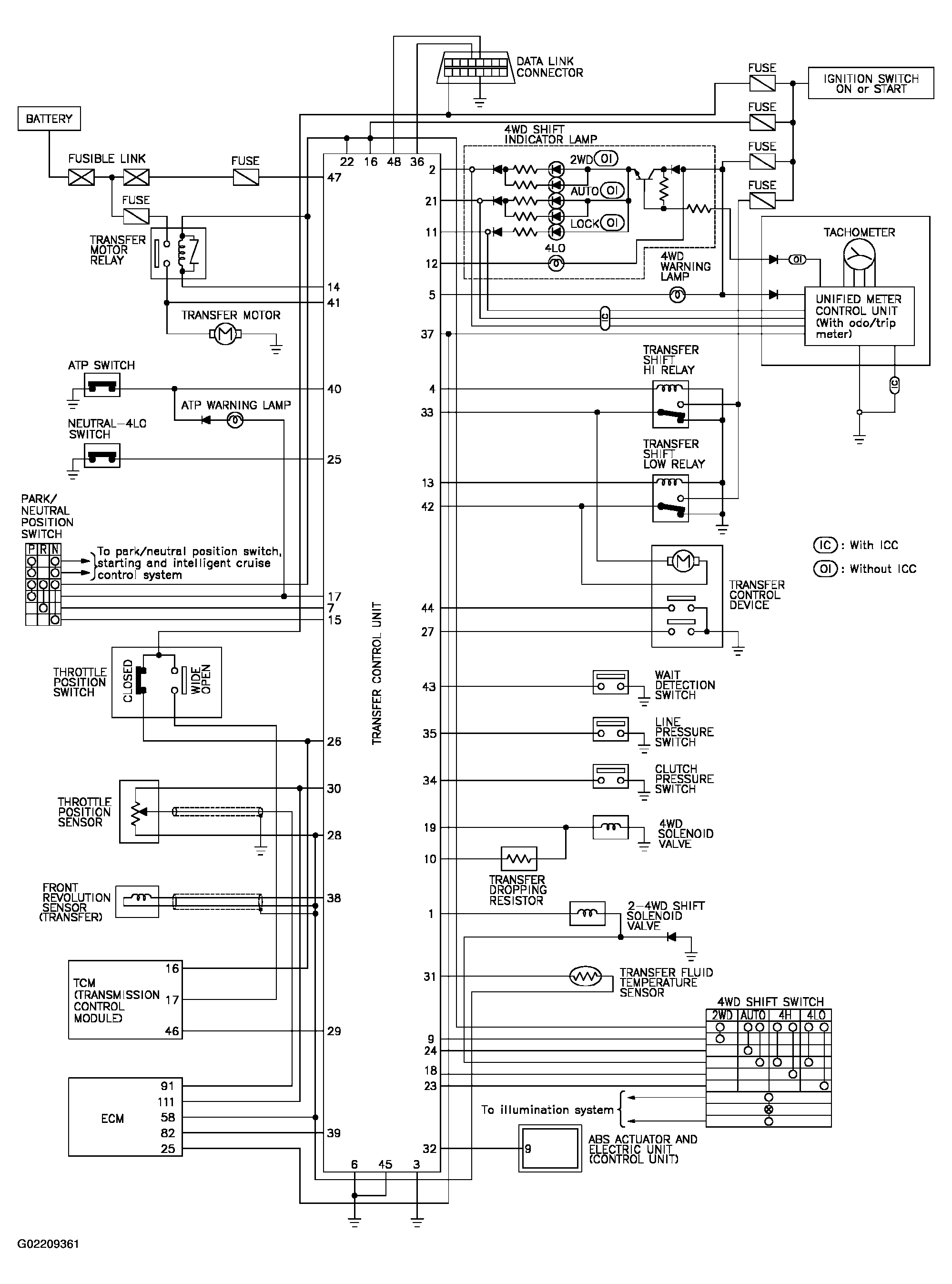
Circuit Diagram For Quick Pinpoint Check

Fig 1: Displaying All-Mode 4WD System Circuit Diagram For Quick Pinpoint Check
G02209361Courtesy of NISSAN MOTOR CO., U.S.A.