LEMON Manuals: Even more car manuals for everyone: 1960-2025
Home >> Infiniti >> 2004 >> FX35 AWD >> Repair and Diagnosis (Single Page) >> Engine Performance >> Engine Control System >> DTC P0171 & P0174 Fuel Injection System Function >> Diagnostic Procedure
April 5, 2026: LEMON Manuals is launched! Read the announcement.

Diagnostic Procedure

  1. Check Exhaust Gas Leak 
    1. Start engine and run it at idle.
    2. Listen for an exhaust gas leak before three way catalyst 1.
      Fig 1: Identifying Exhaust System Components, Exhaust Gas Flow Direction & Possible Leak Locations
      G00726267Courtesy of NISSAN MOTOR CO., U.S.A.

    OK or NG

    1. OK: Go to 2.
    2. NG: Repair or replace.

  2. Check For Intake Air Leak 
    1. Listen for an intake air leak after the mass air flow sensor.
    2. Check PCV hose connection.

    OK or NG

    1. OK: Go to 3.
    2. NG: Repair or replace.

  3. Check Air Fuel Ratio (A/F) Sensor 1 Input Signal Circuit 
    1. Turn ignition switch OFF.
    2. Disconnect corresponding air fuel ratio (A/F) sensor 1 harness connector.
      Fig 2: Locating (A/F) Sensor 1 Bank 1 & 2 Connectors
      G00726268Courtesy of NISSAN MOTOR CO., U.S.A.
    3. Disconnect ECM harness connector.
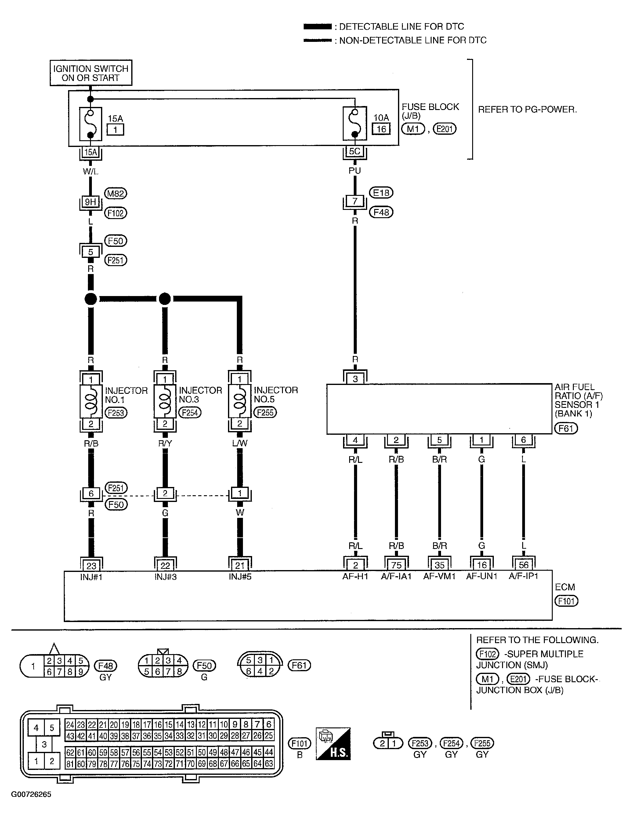
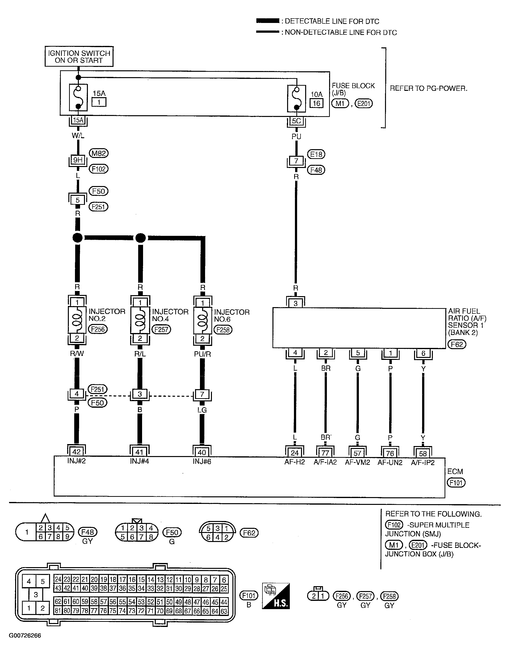
    4. Check harness continuity between the following terminals. See Fig 3.

      Refer to wiring diagram WIRING DIAGRAM .

      Continuity should exist  .

      Fig 3: Associating A/F Sensors With Banks & ECM Terminals
      G00726269Courtesy of NISSAN MOTOR CO., U.S.A.
    5. Check harness continuity between the following terminals and ground. See Fig 3.

      Refer to wiring diagram. See Figure or Figure.

      Continuity should not exist  .

    6. Also check harness for short to ground and short to power.

    OK or NG

    1. OK: Go to 4.
    2. NG: Repair open circuit or short to ground or short to power in harness or connectors.

  4. Check Fuel Pressure 
    1. Release fuel pressure to zero. Refer to FUEL PRESSURE RELEASE .
    2. Install fuel pressure gauge and check fuel pressure. Refer to FUEL PRESSURE CHECK .

    At idling: 350 kPa (3.57 kg/cm2  , 51 psi) 

    OK or NG

    1. OK: Go to  6.
    2. NG: Go to 5.

  5. Detect Malfunctioning Part 

    Check the following.

    1. Repair or replace.
  6. Check Mass Air Flow Sensor 

    With CONSULT-II 

    1. Install all removed parts.
    2. Check MASS AIR FLOW in DATA MONITOR mode with CONSULT-II.

      2.0 - 6.0 g.m/sec: at idling 

      7.0 - 20.0 g.m/sec: at 2,500 RPM 

    With GST 

    1. Install all removed parts.
    2. Check mass air flow sensor signal in MODE 1 with GST.

      2.0 - 6.0 g.m/sec: at idling 

      7.0 - 20.0 g.m/sec: at 2,500 RPM 

    OK or NG

    1. OK: Go to 7.
    2. NG: Check connectors for rusted terminals or loose connections in the mass air flow sensor circuit or engine grounds. Refer to DTC P0101 MAF SENSOR .

  7. Check Function Of Injectors 

    With CONSULT-II 

    1. Start engine.
    2. Perform POWER BALANCE in ACTIVE TEST mode with CONSULT-II.
      Fig 4: Displaying Power Balance Active Test
      G00726271Courtesy of NISSAN MOTOR CO., U.S.A.
    3. Make sure that each circuit produces a momentary engine speed drop.

    Without CONSULT-II 

    1. Start engine.
    2. Listen to each injector operating sound.

    Clicking noise should be heard  .

    OK or NG

    1. OK: Go to 8.
    2. NG: Perform trouble diagnosis for INJECTOR CIRCUIT .

  8. Check Injector 
    1. Confirm that the engine is cooled down and there are no fire hazards near the vehicle.
    2. Turn ignition switch OFF.
    3. Disconnect all injector harness connectors.
    4. Remove injector gallery assembly. Refer to FUEL INJECTOR AND FUEL TUBE .

      Keep fuel hose and all injectors connected to injector gallery.

    5. For DTC P0171, reconnect injector harness connectors on bank 1.

      For DTC P0174, reconnect injector harness connectors on bank 2.

    6. Disconnect all ignition coil harness connectors.
    7. Prepare pans or saucers under each injector.
    8. Crank engine for about 3 seconds.

    For DTC P0171, make sure that fuel sprays out from injectors on bank 1.

    For DTC P0174, make sure that fuel sprays out from injectors on bank 2.

    Fuel should be sprayed evenly for each injector  .

    OK or NG

    1. OK: Go to 9.
    2. NG: Replace injectors from which fuel does not spray out. Always replace "O" ring with new ones.

  9. Check Intermittent Incident 

    Refer to TROUBLE DIAGNOSIS FOR INTERMITTENT INCIDENT .

    1. Inspection end