LEMON Manuals: Even more car manuals for everyone: 1960-2025
Home >> Infiniti >> 2004 >> FX35 AWD >> Repair and Diagnosis (Single Page) >> Engine Performance >> Engine Control System >> DTC P1805 Brake Switch >> Diagnostic Procedure
April 5, 2026: LEMON Manuals is launched! Read the announcement.

Diagnostic Procedure

  1. Check Stop Lamp Switch Circuit 
    1. Turn ignition switch OFF.
    2. Check the stop lamp when depressing and releasing the brake pedal.
      Fig 1: Stop Lamp Switch Circuit Check Table
      G00727778Courtesy of NISSAN MOTOR CO., U.S.A.

    OK or NG

    1. OK: Go to 4.
    2. NG: Go to 2.

  2. Check Stop Lamp Switch Power Supply Circuit 
    1. Disconnect stop lamp switch harness connector. See Figure.
    2. Check voltage between stop lamp switch terminal 1 and ground with CONSULT-II or tester.
      Fig 2: Testing Power To Stop Lamp Switch (DVOM)
      G00727780Courtesy of NISSAN MOTOR CO., U.S.A.
      1. Voltage: Battery voltage 

    OK or NG

    1. OK: Go to 4.
    2. NG: Go to 3.

  3. Detect Malfunctioning Part 

    Check the following.

    • 10A fuse
    • Fuse block (J/B) connector E201
    • Harness for open and short between stop lamp switch and battery

    1. Repair open circuit or short to ground or short to power in harness or connectors.
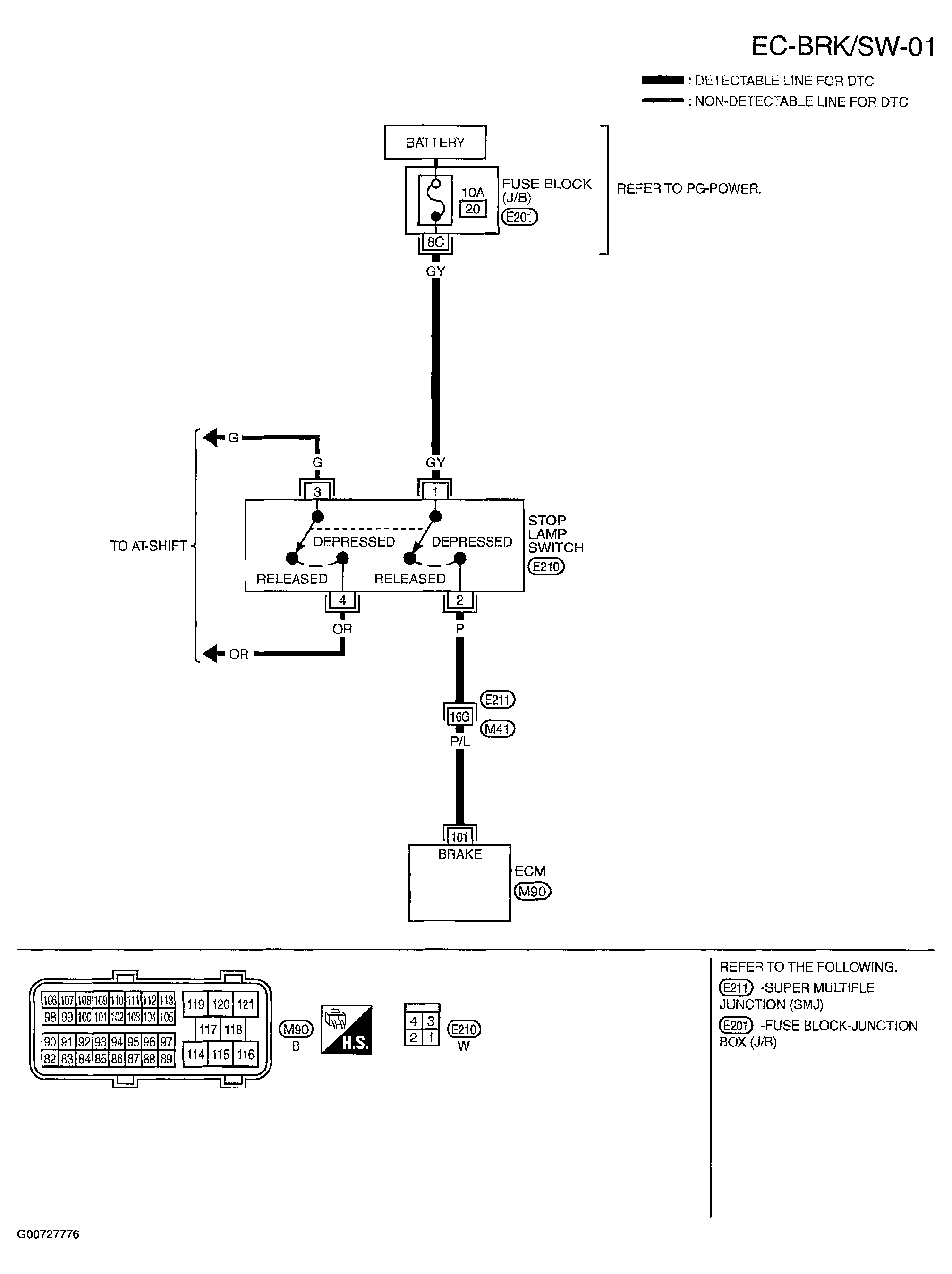
  4. Check Stop Lamp Switch Input Signal Circuit For Open And Short 
    1. Turn ignition switch OFF.
    2. Disconnect ECM harness connector.
    3. Disconnect stop lamp switch harness connector. See Figure.
    4. Check harness continuity between ECM terminal 101 and stop lamp switch terminal 2.

      Refer to wiring diagram. See Figure.

      1. Continuity should exist  .

    5. Also check harness for short to ground and short to power.

    OK or NG

    1. OK: Go to 6.
    2. NG: Go to 5.

  5. Detect Malfunctioning Part 

    Check the following.

    • Harness connectors E211, M41
    • Harness for open or short between ECM and stop lamp switch

    1. Repair open circuit or short to ground or short to power in harness or connectors.
  6. Check Stop Lamp Switch 

    Refer to COMPONENT INSPECTION 

    OK or NG

    1. OK: Go to 7.
    2. NG: Replace stop lamp switch.

  7. Check Intermittent Incident 

    Refer to TROUBLE DIAGNOSIS FOR INTERMITTENT INCIDENT .

    1. Inspection end