LEMON Manuals: Even more car manuals for everyone: 1960-2025
Home >> Infiniti >> 2004 >> FX35 AWD >> Repair and Diagnosis (Single Page) >> Engine Performance >> Engine Control System >> Ignition Signal >> Wiring Diagram
April 5, 2026: LEMON Manuals is launched! Read the announcement.

Ignition Signal: Wiring Diagram

NOTE: These are circuit specific wiring diagrams. For system wiring diagrams, see SYSTEM WIRING DIAGRAMS . For wiring diagram references to PG-POWER  , see POWER DISTRIBUTION . For component locations, see ELECTRICAL COMPONENT LOCATOR .
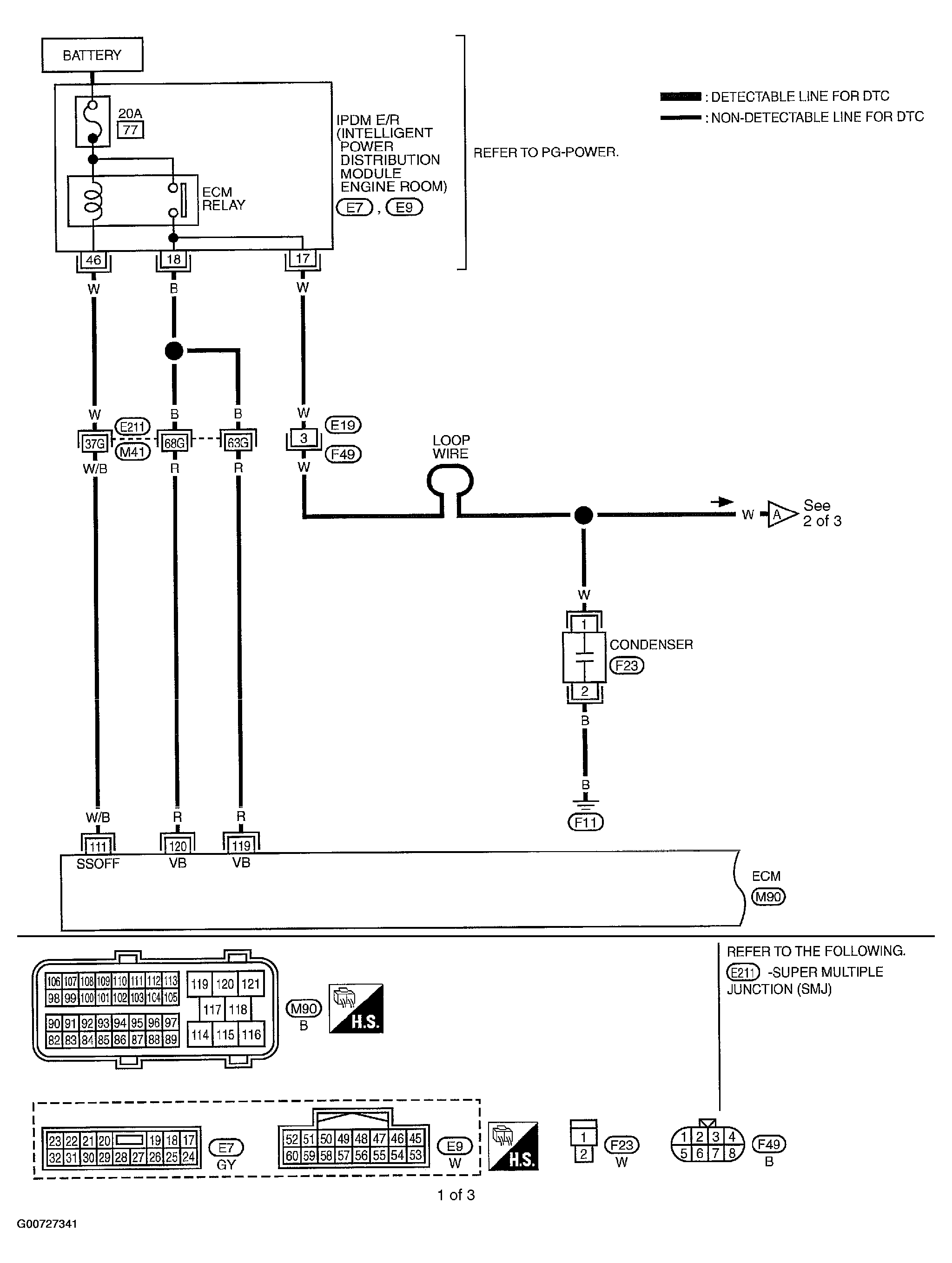
Fig 1: Ignition System Circuit (1 Of 3)
G00727341Courtesy of NISSAN MOTOR CO., U.S.A.

Specification data are reference values and are measured between each terminal and ground.

CAUTION: Do not use ECM ground terminals when measuring input/output voltage. Doing so may result in damage to the ECM's transistor. Use a ground other than ECM terminals, such as the ground.
Fig 2: ECM Terminal 111, 119 & 120 Specifications
G00727342Courtesy of NISSAN MOTOR CO., U.S.A.
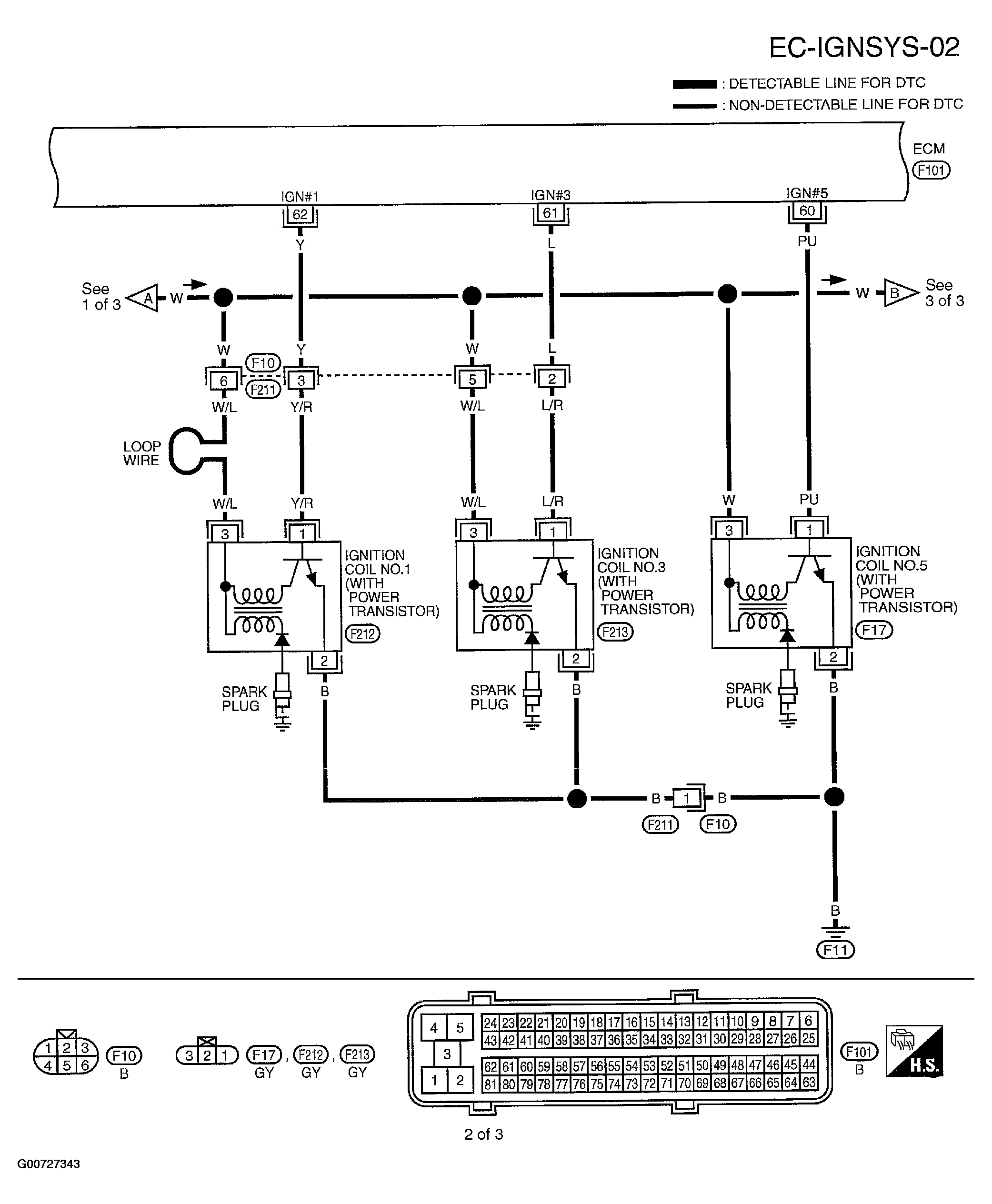
Fig 3: Ignition System Circuit (2 Of 3)
G00727343Courtesy of NISSAN MOTOR CO., U.S.A.

Specification data are reference values and are measured between each terminal and ground.

Pulse signal is measured by CONSULT-II.

CAUTION: Do not use ECM ground terminals when measuring input/output voltage. Doing so may result in damage to the ECM's transistor. Use a ground other than ECM terminals, such as the ground.
Fig 4: ECM Terminal 60-62 Specifications
G00727344Courtesy of NISSAN MOTOR CO., U.S.A.
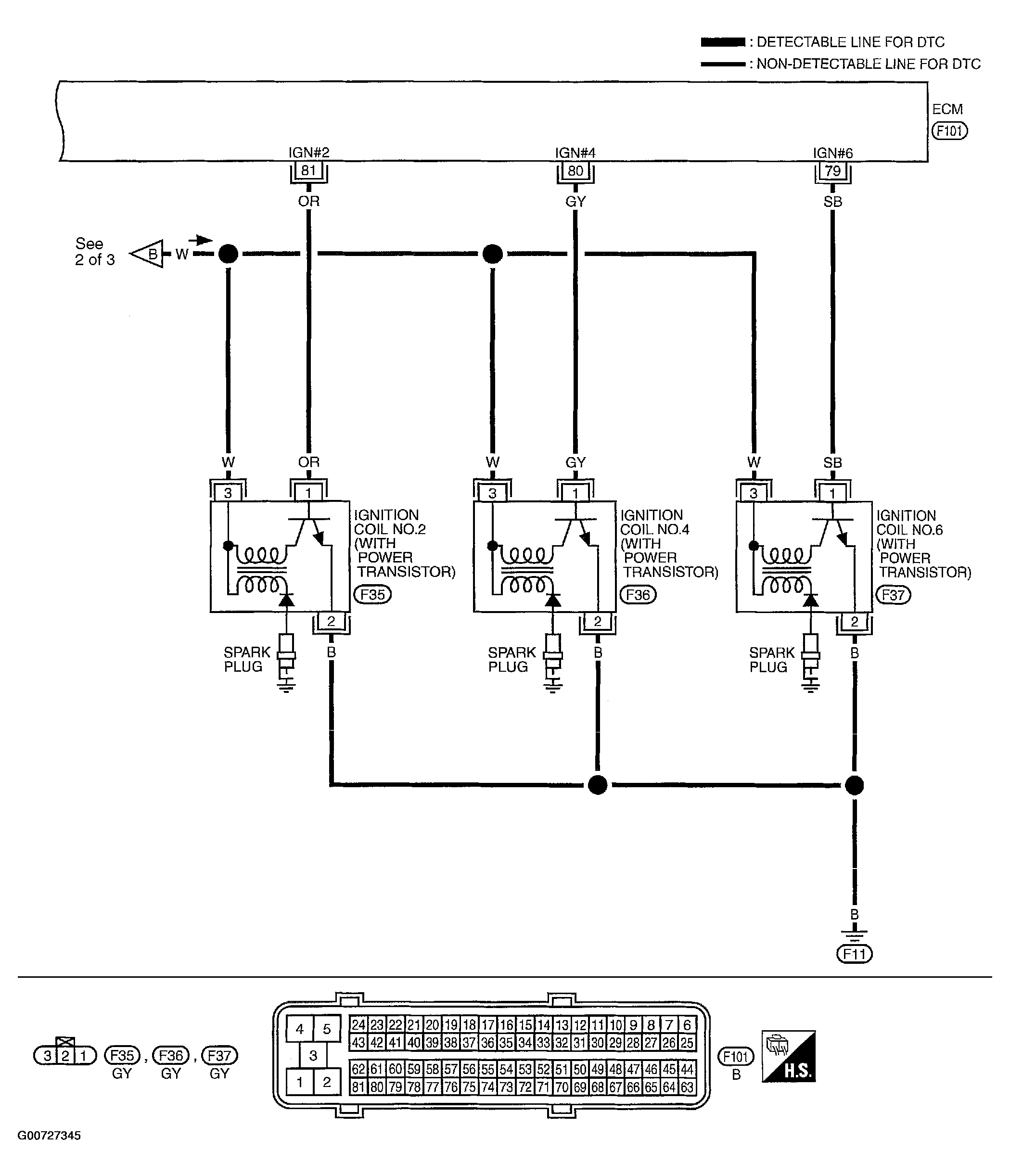
Fig 5: Ignition System Circuit (3 Of 3)
G00727345Courtesy of NISSAN MOTOR CO., U.S.A.

Specification data are reference values and are measured between each terminal and ground.

Pulse signal is measured by CONSULT-II.

CAUTION: Do not use ECM ground terminals when measuring input/output voltage. Doing so may result in damage to the ECM's transistor. Use a ground other than ECM terminals, such as the ground.
Fig 6: ECM Terminal 79-81 Specifications
G00727346Courtesy of NISSAN MOTOR CO., U.S.A.