LEMON Manuals: Even more car manuals for everyone: 1960-2025
Home >> Infiniti >> 2004 >> FX35 AWD >> Repair and Diagnosis >> Engine Performance >> Engine Control System >> DTC P0172 & P0175 Fuel Injection System Function >> Wiring Diagram >> Bank 1
April 5, 2026: LEMON Manuals is launched! Read the announcement.

Bank 1

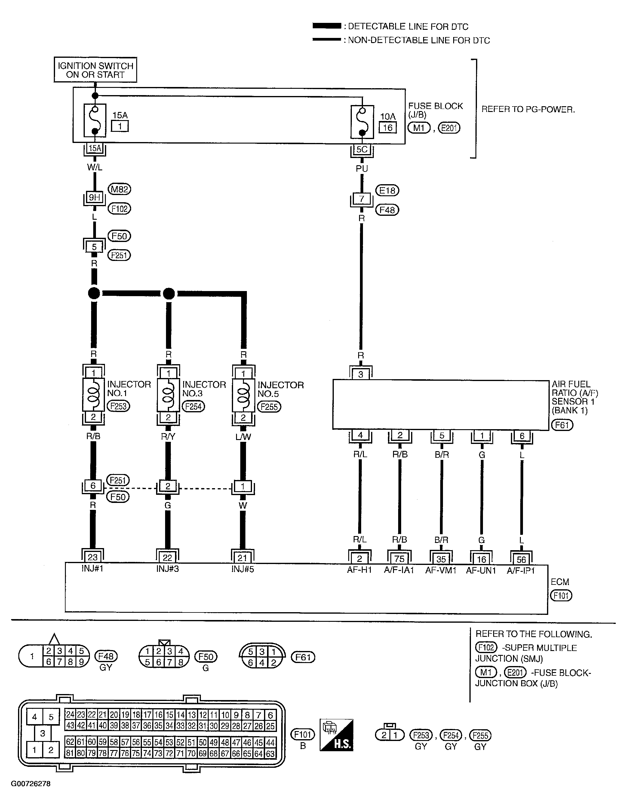
NOTE: These are circuit specific wiring diagrams. For system wiring diagrams, see SYSTEM WIRING DIAGRAMS . For wiring diagram references to PG-POWER  , see POWER DISTRIBUTION . For component locations, see ELECTRICAL COMPONENT LOCATOR .
Fig 1: Heated Oxygen Sensor 1 Bank 1 Circuit (P0172 & P0175)
G00726278Courtesy of NISSAN MOTOR CO., U.S.A.