LEMON Manuals: Even more car manuals for everyone: 1960-2025
Home >> Infiniti >> 2004 >> FX35 AWD >> Repair and Diagnosis >> Engine Performance >> Engine Control System >> DTC P0182 & P0183 FTT Sensor >> Wiring Diagram
April 5, 2026: LEMON Manuals is launched! Read the announcement.

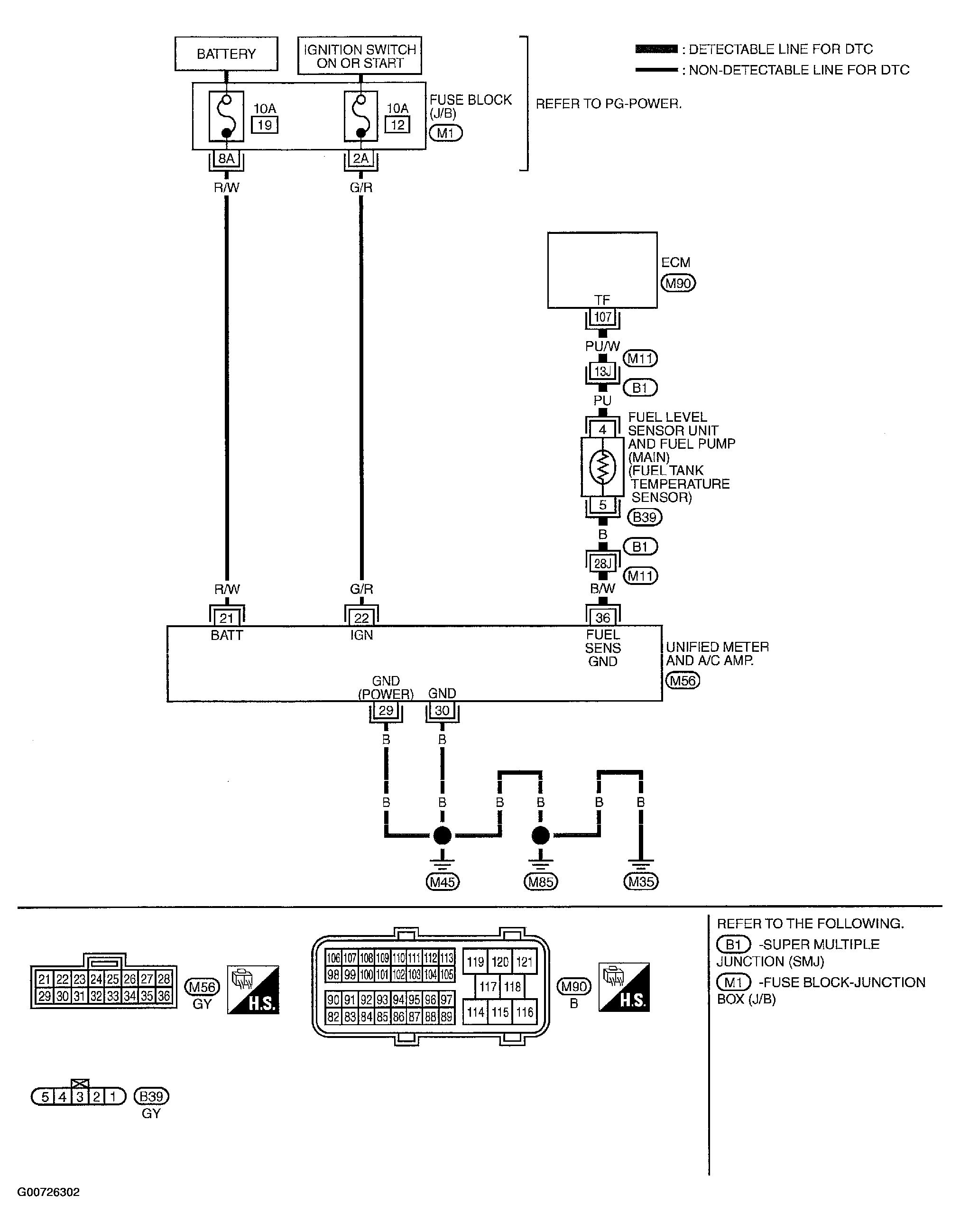
DTC P0182 & P0183 FTT Sensor: Wiring Diagram

NOTE: These are circuit specific wiring diagrams. For system wiring diagrams, see SYSTEM WIRING DIAGRAMS . For wiring diagram references to PG-POWER  , see POWER DISTRIBUTION . For component locations, see ELECTRICAL COMPONENT LOCATOR .
Fig 1: Fuel Tank Temperature Sensor Circuit (DTC P0182 & P0183)
G00726302Courtesy of NISSAN MOTOR CO., U.S.A.