LEMON Manuals: Even more car manuals for everyone: 1960-2025
Home >> Infiniti >> 2004 >> FX35 AWD >> Repair and Diagnosis >> Engine Performance >> Engine Control System >> DTC P1217 Engine Over Temperature >> Wiring Diagram
April 5, 2026: LEMON Manuals is launched! Read the announcement.

DTC P1217 Engine Over Temperature: Wiring Diagram

NOTE: These are circuit specific wiring diagrams. For system wiring diagrams, see SYSTEM WIRING DIAGRAMS . For wiring diagram references to PG-POWER  , see POWER DISTRIBUTION . For component locations, see ELECTRICAL COMPONENT LOCATOR .
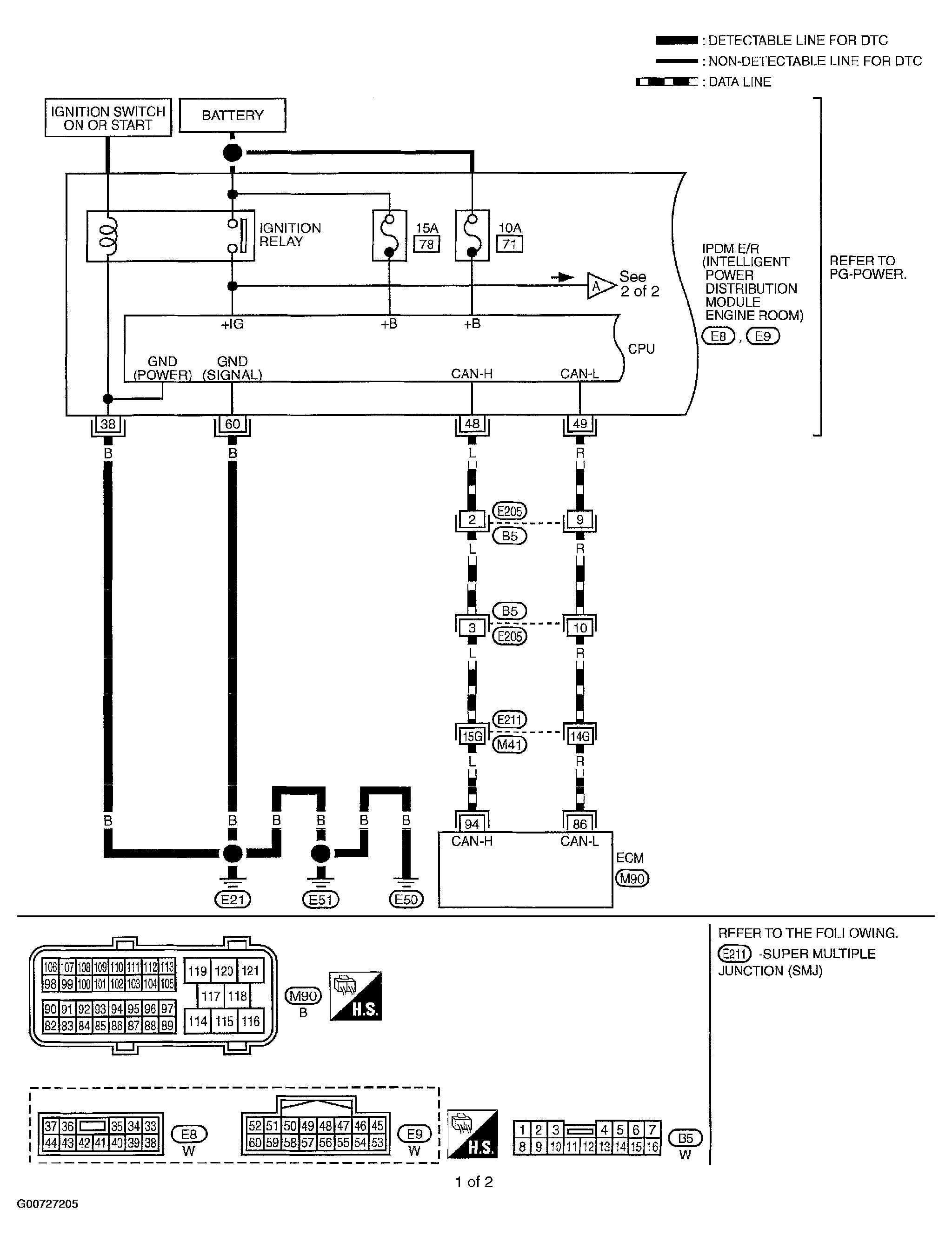
Fig 1: Cooling Fan Relay Circuit (1 Of 2)
G00727205Courtesy of NISSAN MOTOR CO., U.S.A.
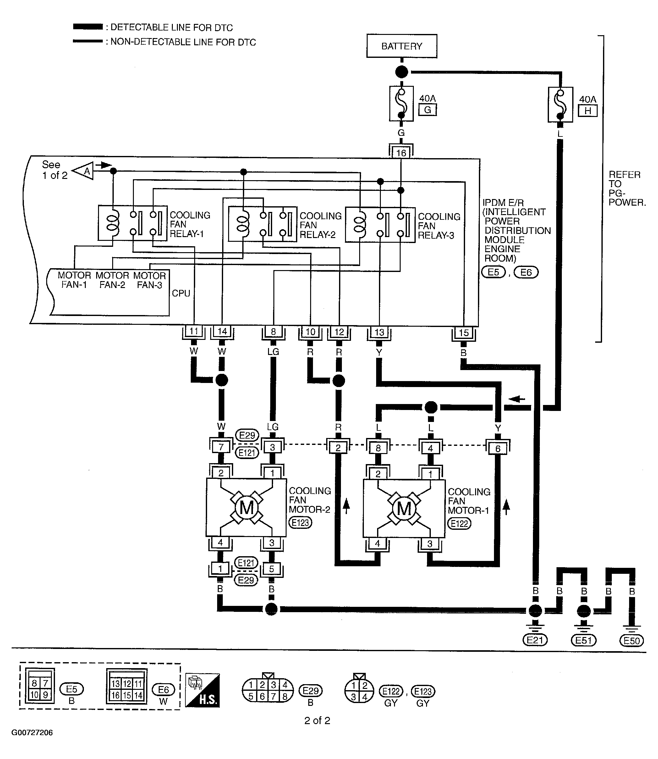
Fig 2: Cooling Fan Relay Circuit (2 Of 2)
G00727206Courtesy of NISSAN MOTOR CO., U.S.A.