LEMON Manuals: Even more car manuals for everyone: 1960-2025
Home >> Infiniti >> 2004 >> FX35 AWD >> Repair and Diagnosis >> Engine Performance >> Testing & Diagnosis >> Engine Control System >> Circuit Diagram
April 5, 2026: LEMON Manuals is launched! Read the announcement.

Circuit Diagram

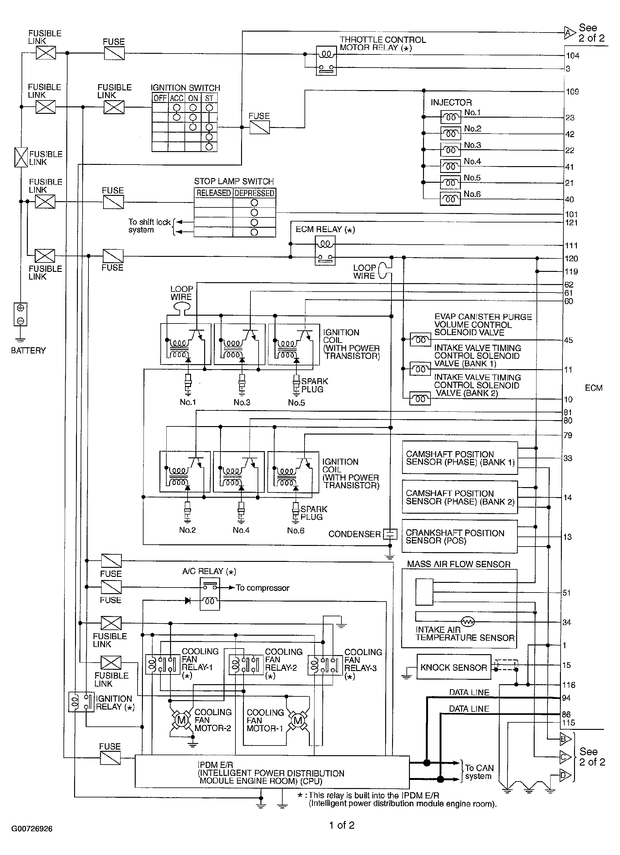
Fig 1: Engine Control Circuit (1 Of 2)
G00726926Courtesy of NISSAN MOTOR CO., U.S.A.
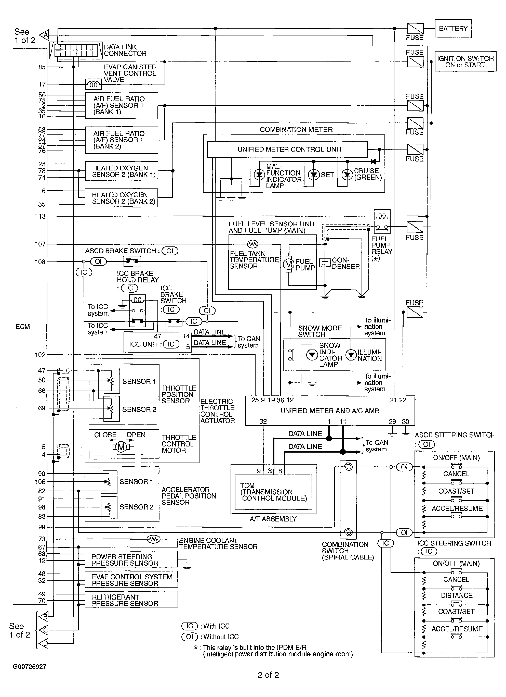
Fig 2: Engine Control Circuit (2 Of 2)
G00726927Courtesy of NISSAN MOTOR CO., U.S.A.