LEMON Manuals: Even more car manuals for everyone: 1960-2025
Home >> Infiniti >> 2004 >> FX35 RWD >> Repair and Diagnosis >> Engine Performance >> Engine Control System >> Power Supply And Ground Circuit >> Diagnostic Procedure
April 5, 2026: LEMON Manuals is launched! Read the announcement.

Diagnostic Procedure

  1. Inspection Start 

    Start engine.

    Is engine running? 

    Yes or No

    1. Yes: Go to  8.
    2. No: Go To 2.

  2. Check ECM Power Supply Circuit-I 
    1. Turn ignition switch OFF and then ON.
    2. Check voltage between ECM terminal 109 and ground with CONSULT-II or tester.
      Fig 1: Testing Ignition Switch Circuit
      G00729314Courtesy of NISSAN MOTOR CO., U.S.A.

    Voltage: Battery voltage 

    OK or NG

    1. OK: Go to  4.
    2. NG: Go to 3.

  3. Detect Malfunctioning Part 

    Check the following.

    • Fuse block (J/B) connector M1
    • 15A fuse
    • Harness for open or short between ECM and fuse
      1. Repair harness or connectors.

  4. Check Ground Connections 
    1. Turn ignition switch OFF.
    2. Loosen and retighten three ground screws on the body. See Fig 2. Refer to GROUND INSPECTION .
      Fig 2: Locating Grounding Connector Screws
      G00729315Courtesy of NISSAN MOTOR CO., U.S.A.

    OK or NG

    1. OK: Go to 5.
    2. NG: Repair or replace ground connections.

  5. Check ECM Ground Circuit For Open And Short-I 
    1. Disconnect ECM harness connector.
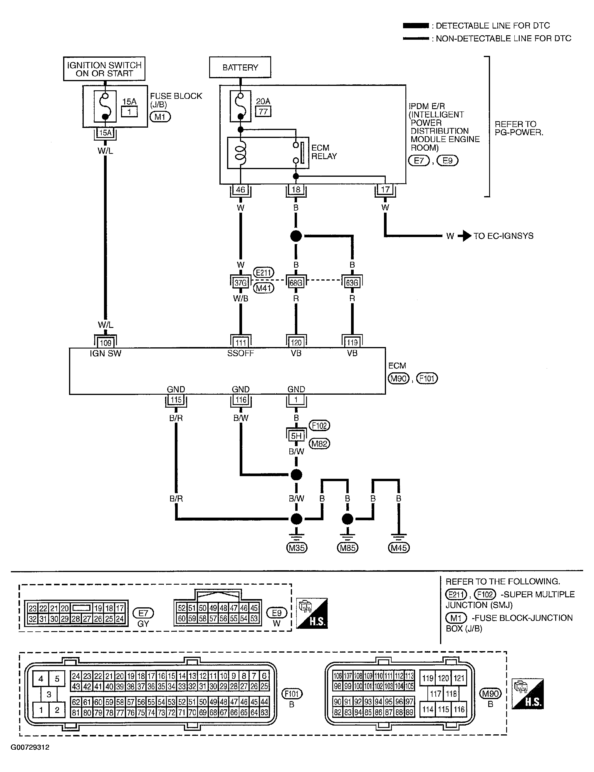
    2. Check harness continuity between ECM terminals 1, 115, 116 and body ground. Refer to wiring diagram. See Figure.

      Continuity should exist  .

    3. Also check harness for short to power.

    OK or NG

    1. OK: Go to  7.
    2. NG: Go to 6.

  6. Detect Malfunctioning Part 

    Check the following.

    • Harness connectors F102, M82
    • Harness for open or short between ECM and body ground
    1. Repair open circuit or short to power in harness or connectors.

  7. Check ECM Power Supply Circuit-II 
    1. Reconnect ECM harness connector.
    2. Turn ignition switch ON.
    3. Check voltage between IPDM E/R connector E7 terminal 17 and ground with CONSULT-II or tester.
      Fig 3: Testing ECM Relay
      G00729316Courtesy of NISSAN MOTOR CO., U.S.A.

    Voltage: Battery voltage 

    OK or NG

    1. OK: Go to IGNITION SIGNAL .
    2. NG: Go to 8.

  8. Check ECM Power Supply Circuit-III 
    1. Turn ignition switch ON and then OFF.
    2. Check voltage between ECM terminals 119, 120 and ground with CONSULT-II or tester.
      Fig 4: Testing ECM Power Supply Circuit
      G00729317Courtesy of NISSAN MOTOR CO., U.S.A.

    Voltage: After turning ignition switch OFF, battery voltage will exist for a few seconds, then drop approximately 0V  .

    OK or NG

    1. OK: Go to  17.
    2. NG (Battery voltage does not exist.): Go to 9.
    3. NG (Battery voltage exists for more than a few seconds.): Go to  17.

  9. Check ECM Power Supply Circuit-IV 
    1. Turn ignition switch OFF, and wait at least 10 seconds.
    2. Check voltage between ECM terminal 111 and ground with CONSULT-II or tester.
      Fig 5: Testing Power To ECM Terminal 111
      G00729318Courtesy of NISSAN MOTOR CO., U.S.A.

    Voltage: Battery voltage 

    OK or NG

    1. OK: Go to 10.
    2. NG: Go to  12.

  10. Check ECM Power Supply Circuit-V 
    1. Disconnect ECM harness connector.
    2. Disconnect IPDM E/R harness connector E7.
    3. Check harness continuity between ECM terminals 119, 120 and IPDM E/R terminal 18. Refer to wiring diagram. See Figure.

      Continuity should exist  .

    4. Also check harness for short to ground and short to power.

    OK or NG

    1. OK: Go to  15.
    2. NG: Go to 11.

  11. Detect Malfunctioning Part 

    Check the following.

    • Harness or connectors E211, M41
    • Harness for open or short between ECM and IPDM E/R
      1. Repair open circuit or short to ground or short to power in harness or connectors.

  12. Check ECM Power Supply Circuit-VI 
    1. Disconnect ECM harness connector.
    2. Disconnect IPDM E/R harness connector E9.
    3. Check harness continuity between ECM terminal 111 and IPDM E/R terminal 46. Refer to wiring diagram. See Figure.

      Continuity should exist  .

    4. Also check harness for short to ground and short to power.

    OK or NG

    1. OK: Go to  14.
    2. NG: Go to 13.

  13. Detect Malfunctioning Part 

    Check the following.

    • Harness or connectors E211, M41
    • Harness for open or short between ECM and IPDM E/R
      1. Repair open circuit or short to ground or short to power in harness or connectors.

  14. Check 20A Fuse 
    1. Disconnect 20 A fuse from IPDM E/R.
    2. Check 20A fuse.

    OK or NG

    1. OK: Go to  17.
    2. NG: Replace 20A fuse.

  15. Check Ground Connections 

    Loosen and retighten three ground screws on the body. See Fig 2. Refer to GROUND INSPECTION .

    OK or NG

    1. OK: Go to 16.
    2. NG: Repair or replace ground connections.

  16. Check ECM Ground Circuit For Open And Short-II 
    1. Check harness continuity between ECM terminals 1, 115, 116 and body ground. Refer to wiring diagram. See Figure.

      Continuity should exist  .

    2. Also check harness for short to power.

    OK or NG

    1. OK: Go to 17.
    2. NG: Repair open circuit or short to power in harness.

  17. Check Intermittent Incident 

    Refer to TROUBLE DIAGNOSIS FOR INTERMITTENT INCIDENT .

    OK or NG

    1. OK: Replace IPDM E/R.
    2. NG: Repair open circuit or short to power in harness or connectors.