LEMON Manuals: Even more car manuals for everyone: 1960-2025
Home >> Infiniti >> 2004 >> FX45 >> Repair and Diagnosis >> Body & Frame >> Windows >> Power Window System >> Schematic - With Front Power Window Anti-pinch System
April 5, 2026: LEMON Manuals is launched! Read the announcement.

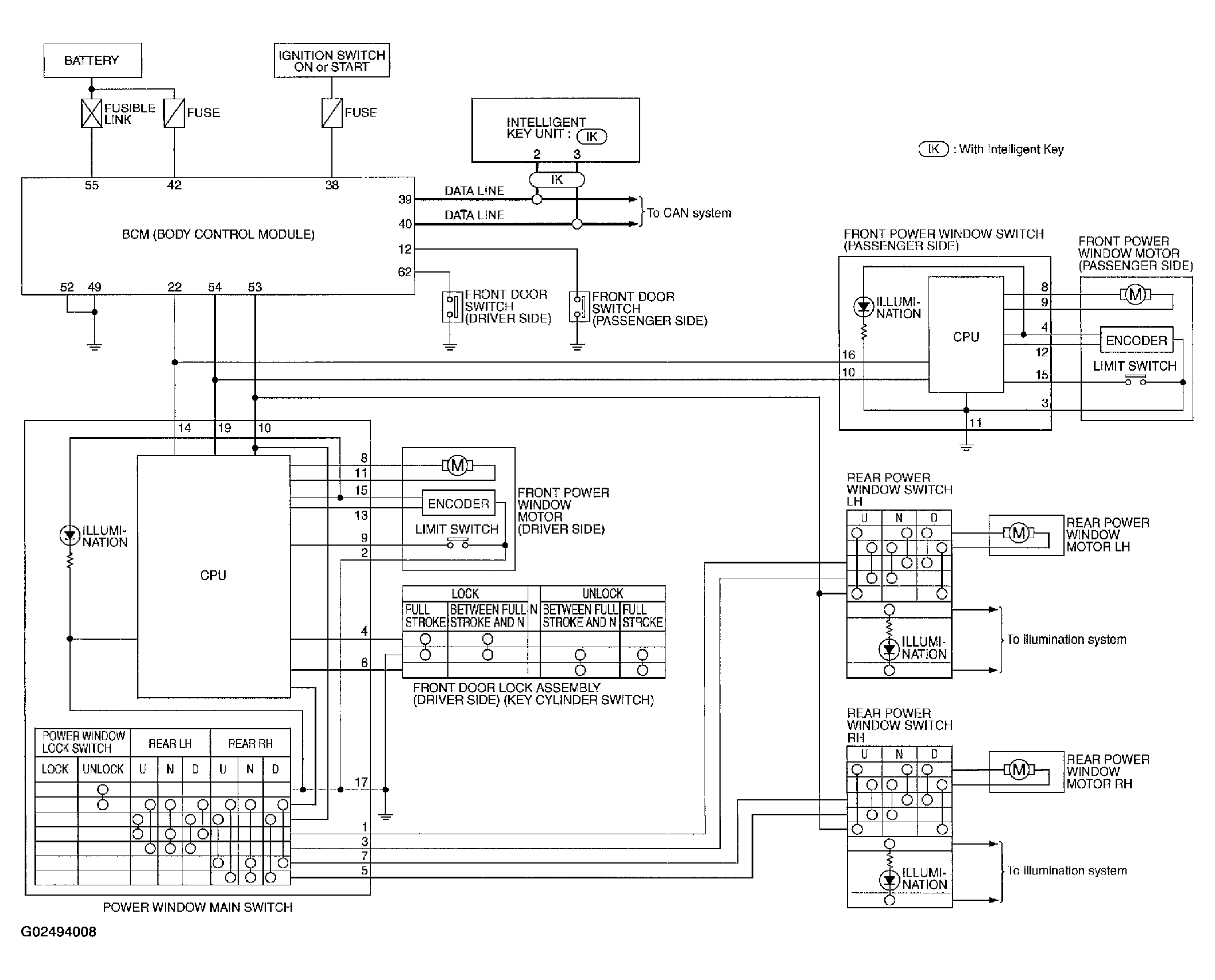
Schematic - With Front Power Window Anti-pinch System

NOTE: For System Wiring Diagrams, see FX35 SYSTEM WIRING DIAGRAMS or FX45 SYSTEM WIRING DIAGRAMS .
Fig 1: Power Window Schematic (W/Front Power Window Anti-Pinch System)
G02494008Courtesy of NISSAN MOTOR CO., U.S.A.