LEMON Manuals: Even more car manuals for everyone: 1960-2025
Home >> Infiniti >> 2004 >> FX45 >> Repair and Diagnosis >> Engine Performance >> Engine Control System >> DTC P0139 & P0159 Ho2S2 >> Diagnostic Procedure
April 5, 2026: LEMON Manuals is launched! Read the announcement.

Diagnostic Procedure

  1. Check Ground Connections 
    1. Turn ignition switch OFF.
    2. Loosen and retighten three ground screws on the body. See Figure .

      Refer to GROUND INSPECTION  .

    OK or NG

    1. OK: go to  2 .
    2. NG: Repair or replace ground connections.

  2. Clear The Self-Learning Data 

    With CONSULT-II 

    1. Start engine and warm it up to normal operating temperature.
    2. Select SELF-LEARNING CONT in WORK SUPPORT mode with CONSULT-II. See Figure .
    3. Clear the self-learning control coefficient by touching CLEAR.
    4. Run engine for at least 10 minutes at idle speed.

      Is the 1st trip DTC P0171, P0172, P0174 or P0175 detected? 

      Is it difficult to start engine? 

    Without CONSULT-II 

    1. Start engine and warm it up to normal operating temperature.
    2. Turn ignition switch OFF.
    3. Disconnect mass air flow sensor harness connector, and restart and run engine for at least 5 seconds at idle speed.
    4. Stop engine and reconnect mass air flow sensor harness connector.
    5. Make sure DTC P0102 is displayed.
    6. Erase the DTC memory. Refer to HOW TO ERASE EMISSION-RELATED DIAGNOSTIC INFORMATION  .
    7. Make sure DTC P0000 is displayed.
    8. Run engine for at least 10 minutes at idle speed.

      Is the 1st trip DTC P0171, P0172, P0174 or P0175 detected? 

      Is it difficult to start engine? 

      For mass air flow sensor & intake air temperature sensor location, see Figure .

    Yes or No

    1. Yes: Perform trouble diagnosis for DTC P0171, P0174 or P0172, P0175. Refer to DTC P0171, P0174 FUEL INJECTION SYSTEM FUNCTION  or DTC P0172, P0175 FUEL INJECTION SYSTEM FUNCTION  .
    2. No: go to 3.
  3. Check HO2S2 Ground Circuit For Open And Short 
    1. Turn ignition switch OFF.
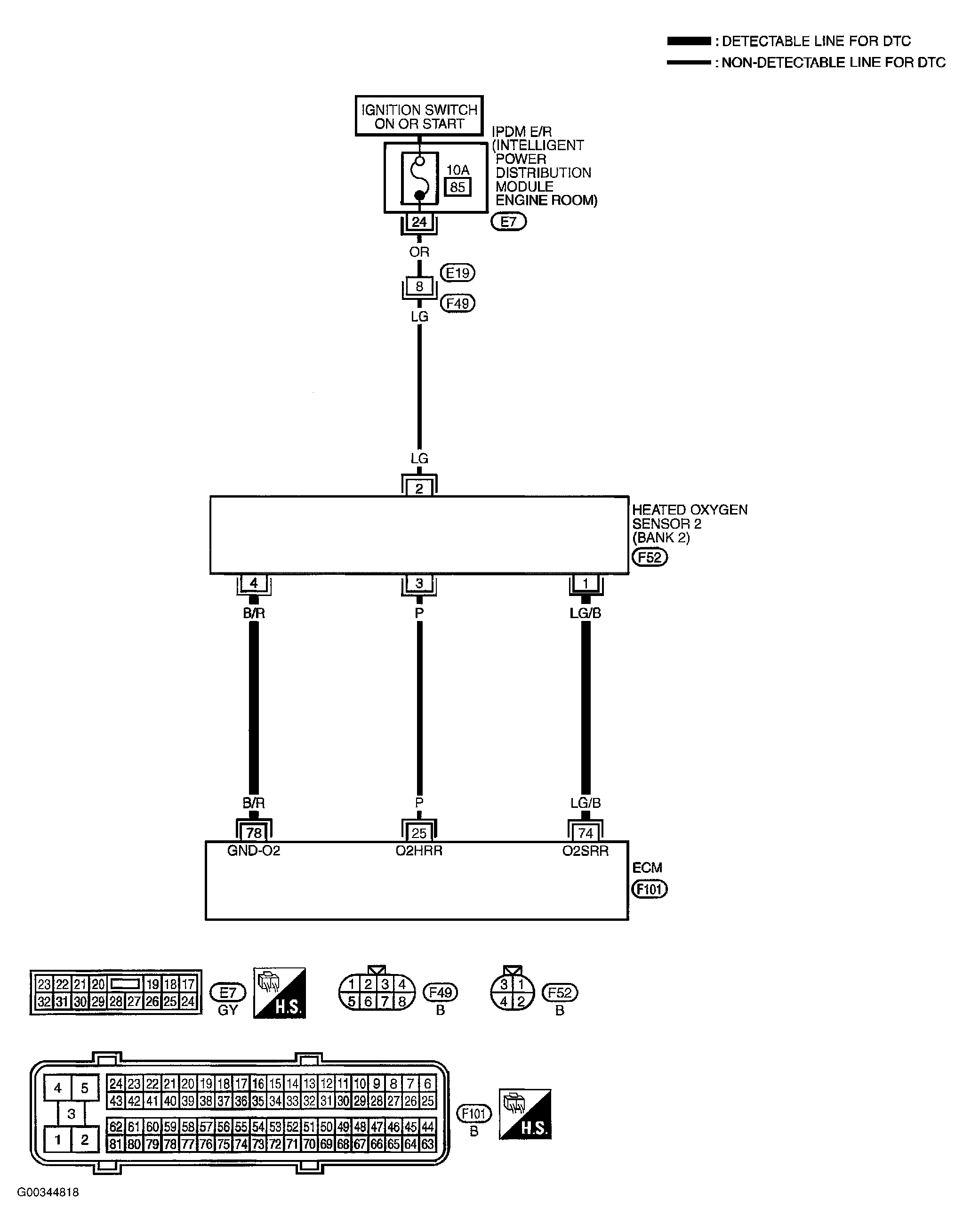
    2. Disconnect heated oxygen sensor 2 harness connector. See Figure .
    3. Disconnect ECM harness connector.
    4. Check harness continuity between HO2S2 terminal 4 and ECM terminal 78.

      Refer to wiring diagram. See Figure Or Figure .

      1. Continuity should exist  .
    5. Also check harness for short to ground and short to power.

    OK or NG

    1. OK: go to 4.
    2. NG: Repair open circuit or short to ground or short to power in harness or connectors.
  4. Check HO2S2 Input Signal Circuit For Open And Short 
    1. Check harness continuity between ECM terminal and HO2S2 terminal as follows. See.Fig 1 Refer to wiring diagram. See Figure Or Figure .
      Fig 1: Identifying ECM & Sensor Terminals W/Bank Locations For DTC P0139 & P0159 Testing
      G00344824Courtesy of NISSAN MOTOR CO., U.S.A.
      1. Continuity should exist  .
    2. Check harness continuity between the following terminals and ground. See Fig 1 .

      Refer to wiring diagram. See Figure Or Figure .

      1. Continuity should not exist  .
    3. Also check harness for short to ground and short to power.

    OK or NG

    1. OK: go to 5.
    2. NG: Repair open circuit or short to ground or short to power in harness or connectors.
  5. CHECK HEATED OXYGEN SENSOR 2 

    Refer to COMPONENT INSPECTION  .

    OK or NG

    1. OK: go to 6.
    2. NG: Replace malfunctioning heated oxygen sensor 2.
  6. Check Intermittent Incident 

    Refer to TROUBLE DIAGNOSIS FOR INTERMITTENT INCIDENT  .

    1. Inspection end