LEMON Manuals: Even more car manuals for everyone: 1960-2025
Home >> Infiniti >> 2004 >> FX45 >> Repair and Diagnosis >> Engine Performance >> Engine Control System >> Injector Circuit >> Diagnostic Procedure
April 5, 2026: LEMON Manuals is launched! Read the announcement.

Diagnostic Procedure

  1. Inspection Start 

    Turn ignition switch to START.

    Is any cylinder ignited? 

    Yes or No

    1. Yes: go to 2.
    2. No: go to  3 .

  2. Check Overall Function 

    With CONSULT-II 

    1. Start engine.
    2. Perform POWER BALANCE in ACTIVE TEST mode with CONSULT-II. See Figure .
    3. Make sure that each circuit produces a momentary engine speed drop.

    Without CONSULT-II 

    1. Start engine.
    2. Listen to each injector operating sound.

      Clicking noise should be heard  .

    OK or NG

    1. OK: Inspection end 
    2. NG: go to 3.

  3. Check Injector Power Supply Circuit 
    1. Turn ignition switch OFF.
    2. Disconnect injector harness connector. See Figure .
    3. Turn ignition switch ON.
    4. Check voltage between injector terminal 1 and ground with CONSULT-II or tester.
      1. Voltage: Battery voltage 
      Fig 1: Testing Injector Terminal 1 Circuit (W/DVOM)
      G00345538Courtesy of NISSAN MOTOR CO., U.S.A.

    OK or NG

    1. OK: go to  5 .
    2. NG: go to 4.

  4. Detect Malfunctioning Part 

    Check the following.

    • Harness connectors M82, F102
    • Harness connectors F21, F201
    • Harness connectors F41, F221
    • Fuse block (J/B) connector M1
    • 15A fuse
    • Harness for open or short between injector and fuse
      1. Repair open circuit or short to ground or short to power in harness or connectors.

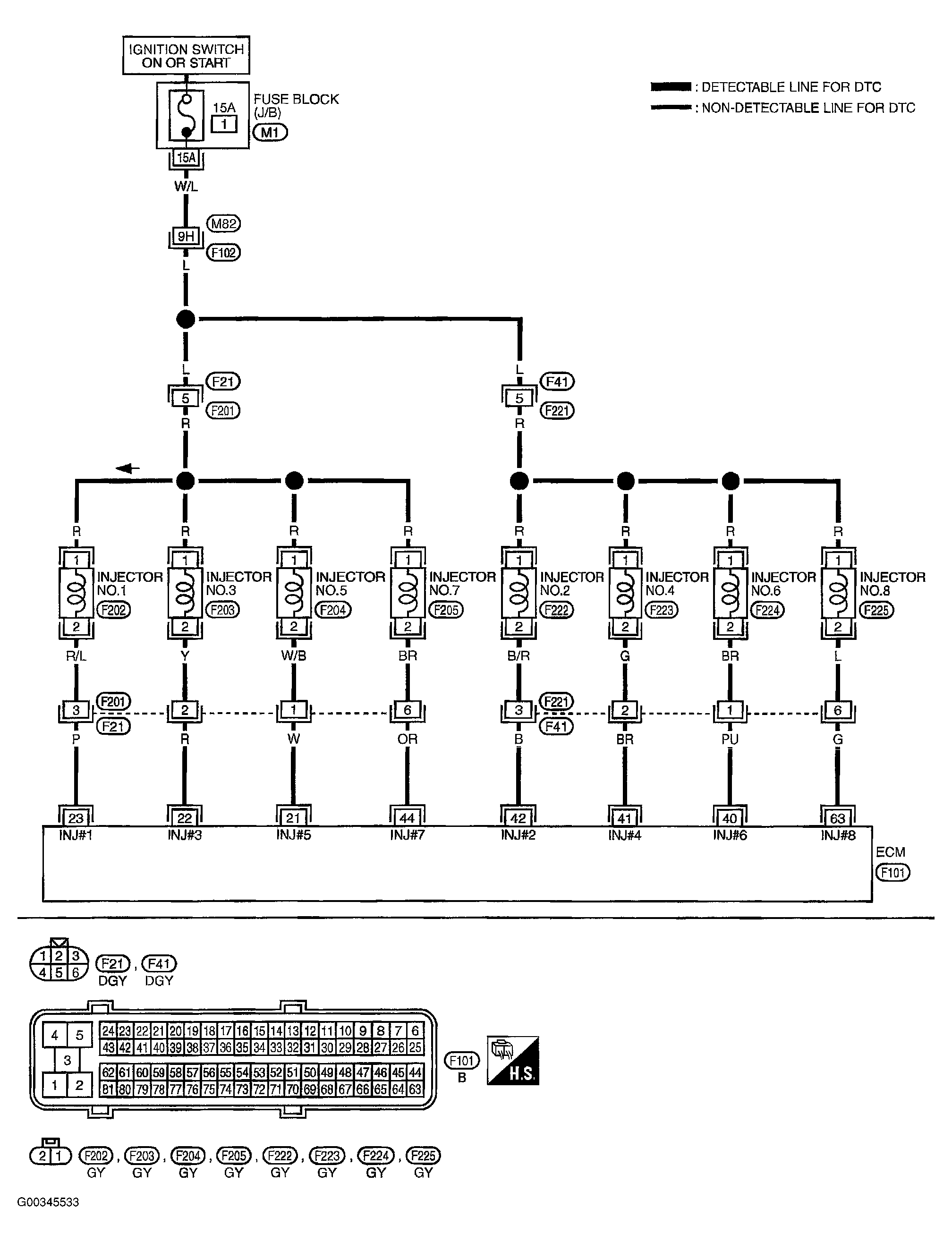
  5. Check Injector Output Signal Circuit For Open And Short 
    1. Turn ignition switch OFF.
    2. Disconnect ECM harness connector.
    3. Check harness continuity between injector terminal 2 and ECM terminals 21, 22, 23, 40, 41, 42, 44, 63.

      Refer to wiring diagram. See Figure .

      1. Continuity should exist  .
    4. Also check harness for short to ground and short to power.

    OK or NG

    1. OK: go to  7 .
    2. NG: go to 6.

  6. Detect Malfunctioning Part 

    Check the following.

    • Harness connectors F21, F201
    • Harness connectors F41, F221
    • Harness for open or short between injector and ECM

    1. Repair open circuit or short to ground or short to power in harness or connectors.
  7. Check Injector 

    Refer to COMPONENT INSPECTION  .

    OK or NG

    1. OK : go to 8.
    2. NG : Replace injector.

  8. Check Intermittent Incident 

    Refer to TROUBLE DIAGNOSIS FOR INTERMITTENT INCIDENT  .

    1. Inspection end