LEMON Manuals: Even more car manuals for everyone: 1960-2025
Home >> Infiniti >> 2004 >> FX45 >> Repair and Diagnosis >> Engine Performance >> Engine Control System >> Trouble Diagnosis >> Circuit Diagram
April 5, 2026: LEMON Manuals is launched! Read the announcement.

Circuit Diagram

NOTE: For system wiring diagrams, see SYSTEM WIRING DIAGRAMS .
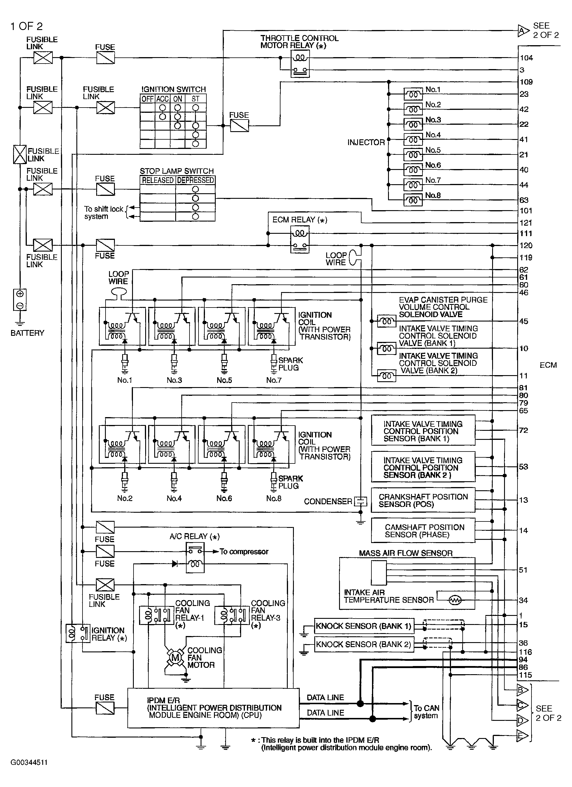
Fig 1: Engine Control Circuit (1 Of 2)
G00344511Courtesy of NISSAN MOTOR CO., U.S.A.
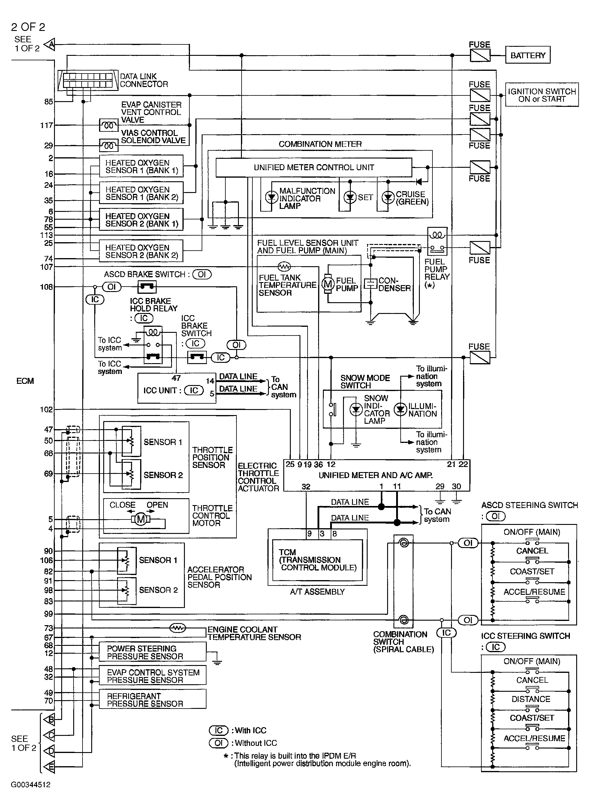
Fig 2: Engine Control Circuit (1 Of 2)
G00344512Courtesy of NISSAN MOTOR CO., U.S.A.