LEMON Manuals: Even more car manuals for everyone: 1960-2025
Home >> Infiniti >> 2004 >> FX45 >> Repair and Diagnosis >> Suspension >> Front Suspension >> Torque Specifications
April 5, 2026: LEMON Manuals is launched! Read the announcement.

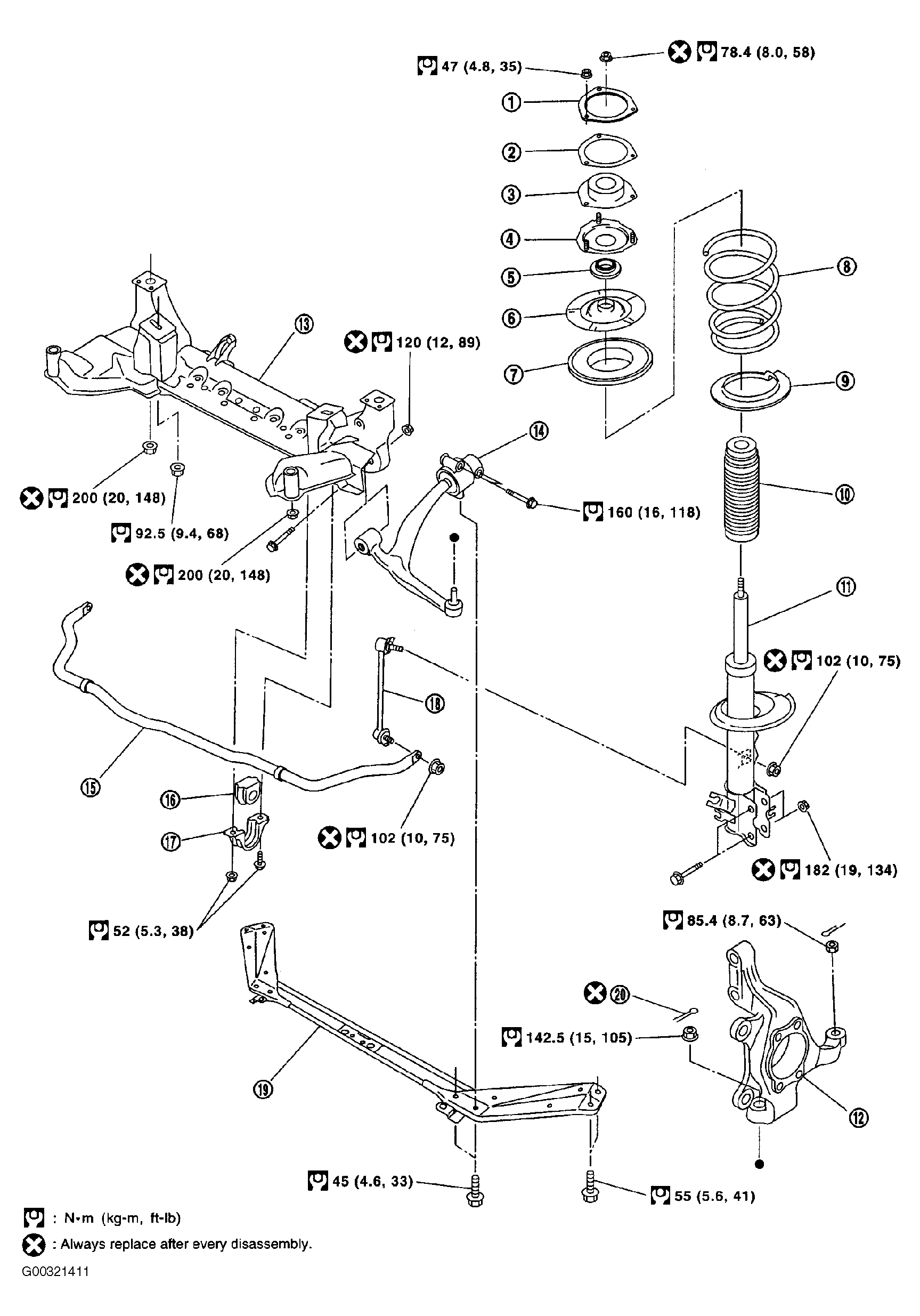
Torque Specifications

TORQUE SPECIFICATIONS

Application Ft. Lbs. (N.m)
Axle Shaft Nut (AWD) 203 (275)
Ball Joint Stud Nut 105 (142.5)
Brake Caliper Torque Member-To-Strut/Knuckle Bolt 116 (157)
Brake Caliper-To-Torque Member Bolt 20 (26.5)
Center Shock Absorber Nut 58 (78.4)
Front Suspension Member (1)
Lower Shock Absorber-To-Steering Knuckle 134 (182)
Stabilizer Connecting Rod Nut 75 (102)
Stabilizer Bushing Clamp Bolt/Nut 38 (52)
Tie Rod End Nut 63 (85)
Traverse Link (1)
Wheel Hub-To-Knuckle 77 (104)
(1) See Figure and Figure .