LEMON Manuals: Even more car manuals for everyone: 1960-2025
Home >> Infiniti >> 2004 >> G35 x >> Repair and Diagnosis >> Engine Performance >> System >> 2004 - Engine Control System - Sedan >> ASCD Brake Switch >> Wiring Diagram >> A/T Models
April 5, 2026: LEMON Manuals is launched! Read the announcement.

A/T Models

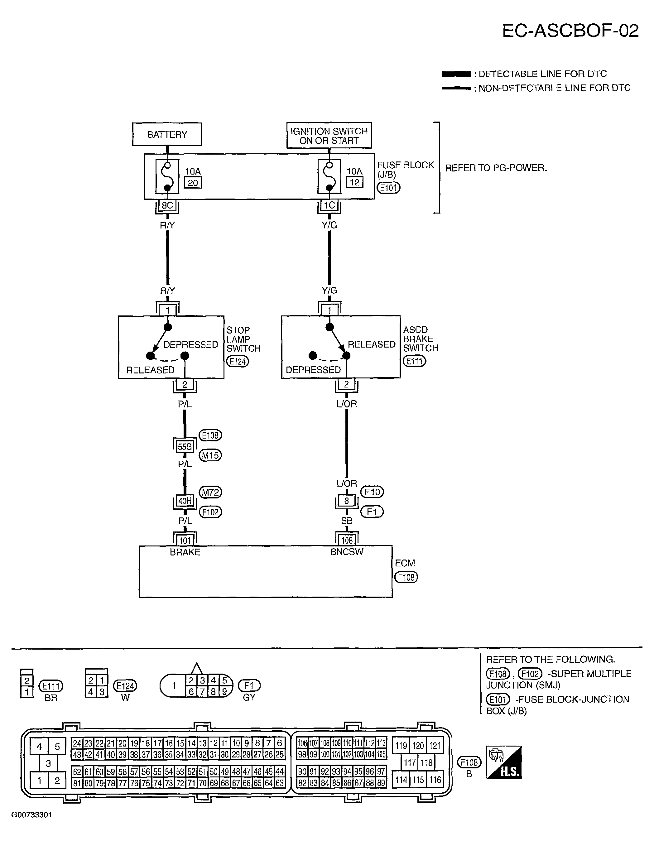
Fig 1: Wiring Diagram (EC-ASCBOF-02) - A/T MODELS
G00733301Courtesy of NISSAN MOTOR CO., U.S.A.

Specification data are reference values and are measured between each terminal and ground.

CAUTION: Do not use ECM ground terminals when measuring input/output voltage. Doing so may result in damage to the ECM's transistor. Use a ground other than ECM terminals, such as the ground.
Fig 2: ECM Terminal And Ground Reference Table
G00733302Courtesy of NISSAN MOTOR CO., U.S.A.