LEMON Manuals: Even more car manuals for everyone: 1960-2025
Home >> Infiniti >> 2004 >> G35 x >> Repair and Diagnosis >> Engine Performance >> System >> 2004.5 - Engine Control System - Component Testing - Sedan >> ASCD Brake Switch >> Wiring Diagram >> A/T Models
April 5, 2026: LEMON Manuals is launched! Read the announcement.

A/T Models

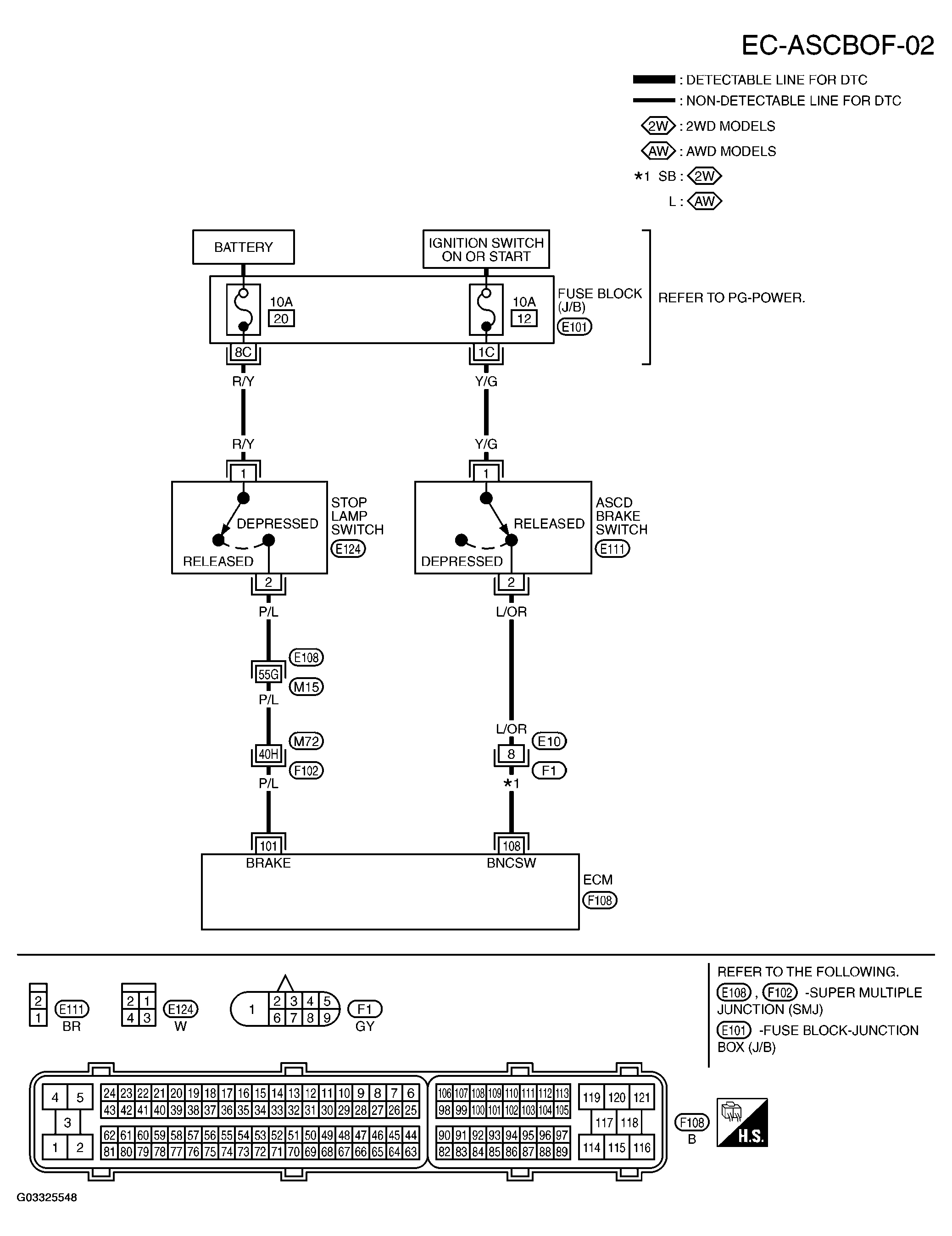
Fig 1: Wiring Diagram - EC-ASCBOF-01
G03325548Courtesy of NISSAN MOTOR CO., U.S.A.

Specification data are reference values and are measured between each terminal and ground.

CAUTION: Do not use ECM ground terminals when measuring input/output voltage. Doing so may result in damage to the ECM's transistor. Use a ground other than ECM terminals, such as the ground.
ECM TERMINALS AND DC VOLTAGE

TERMINAL NO. WIRE COLOR ITEM CONDITION DATA (DC Voltage)
101 P/L Stop lamp switch [Ignition switch: ON] 
  • Brake pedal is fully released
Approximately 0V
[Ignition switch: ON] 
  • Brake pedal is depressed
BATTERY VOLTAGE (11 - 14V)
108 SB (2WD) L (AWD) ASCD brake switch [Ignition switch: ON] 
  • Brake pedal is depressed
Approximately 0V
[Ignition switch: ON] 
  • Brake pedal is fully released
BATTERY VOLTAGE (11 - 14V)