LEMON Manuals: Even more car manuals for everyone: 1960-2025
Home >> Infiniti >> 2004 >> G35 x >> Repair and Diagnosis >> Engine Performance >> System >> 2004.5 - Engine Control System - Component Testing - Sedan >> Fuel Pump Circuit >> Wiring Diagram
April 5, 2026: LEMON Manuals is launched! Read the announcement.

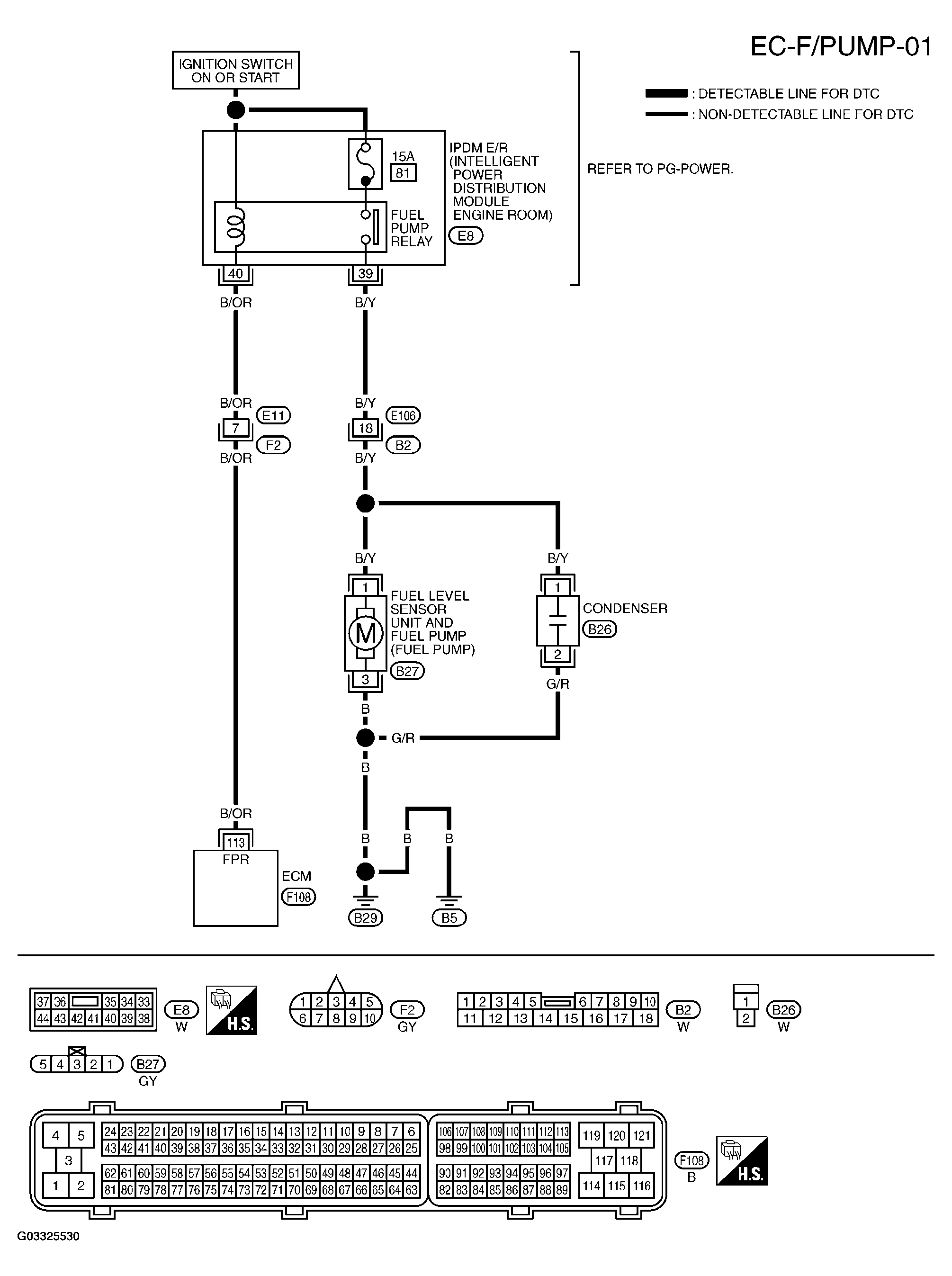
Fuel Pump Circuit: Wiring Diagram

NOTE: For references to PG-POWER, see GROUND DISTRIBUTION & POWER DISTRIBUTION .
Fig 1: Wiring Diagram - EC-F/PUMP-01
G03325530Courtesy of NISSAN MOTOR CO., U.S.A.

Specification data are reference values and are measured between each terminal and ground.

CAUTION: Do not use ECM ground terminals when measuring input/output voltage. Doing so may result in damage to the ECM's transistor. Use a ground other than ECM terminals, such as the ground.
ECM TERMINALS AND DC VOLTAGE

TERMINAL NO. WIRE COLOR ITEM CONDITION DATA (DC Voltage)
113 B/OR Fuel pump relay [Ignition switch: ON] 
  • For 1 second after turning ignition switch ON

[Engine is running] 
0 - 1.5V
[Ignition switch: ON] 
  • More than 1 second after turning ignition switch ON.
BATTERY VOLTAGE (11 - 14V)