LEMON Manuals: Even more car manuals for everyone: 1960-2025
Home >> Infiniti >> 2004 >> G35 x >> Repair and Diagnosis >> Engine Performance >> System >> 2004.5 - Engine Control System - Component Testing - Sedan >> Injector Circuit >> Wiring Diagram
April 5, 2026: LEMON Manuals is launched! Read the announcement.

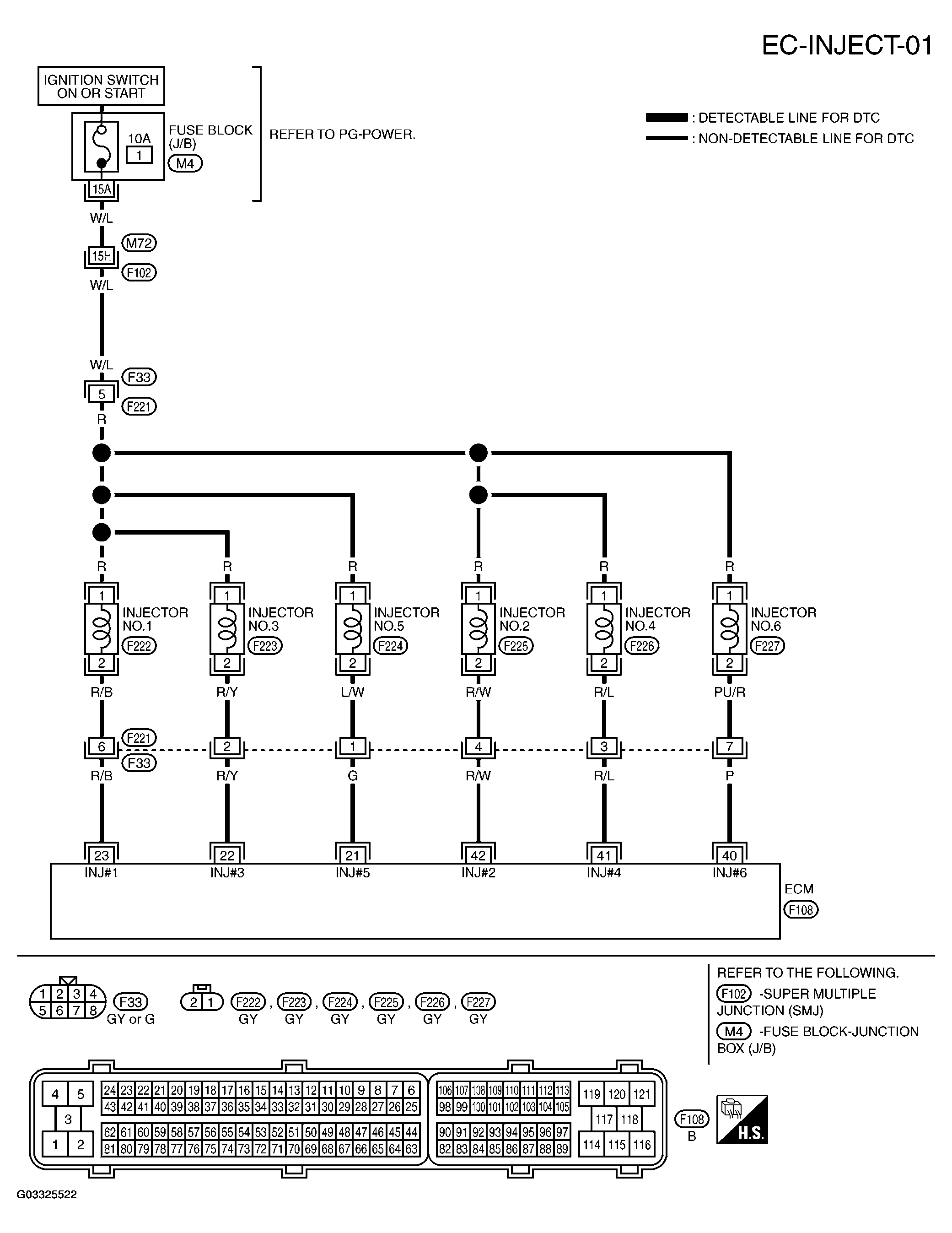
Injector Circuit: Wiring Diagram

NOTE: For references to PG-POWER, see GROUND DISTRIBUTION & POWER DISTRIBUTION .
Fig 1: Wiring Diagram - EC-INJECT-01
G03325522Courtesy of NISSAN MOTOR CO., U.S.A.

Specification data are reference values and are measured between each terminal and ground.

Pulse signal is measured by CONSULT-II.

CAUTION: Do not use ECM ground terminals when measuring input/output voltage. Doing so may result in damage to the ECM's transistor. Use a ground other than ECM terminals, such as the ground.
Fig 2: ECM Terminals & DC Voltage Chart
G03325523Courtesy of NISSAN MOTOR CO., U.S.A.