LEMON Manuals: Even more car manuals for everyone: 1960-2025
Home >> Infiniti >> 2004 >> G35 x >> Repair and Diagnosis >> Engine Performance >> System >> 2004.5 - Engine Control System - Component Testing - Sedan >> Snow Mode Switch >> Wiring Diagram
April 5, 2026: LEMON Manuals is launched! Read the announcement.

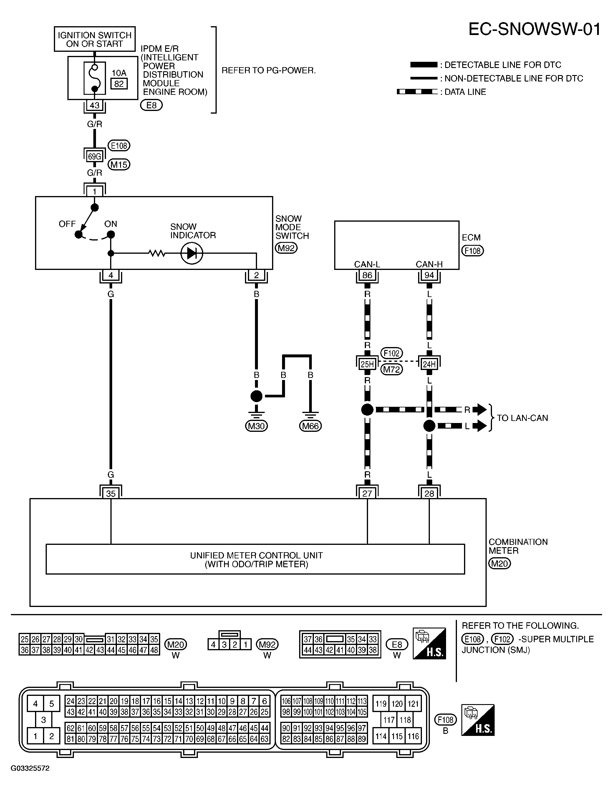
Snow Mode Switch: Wiring Diagram

NOTE: For references to PG-POWER, see GROUND DISTRIBUTION & POWER DISTRIBUTION .
Fig 1: Wiring Diagram - EC-SNOW/SW-01
G03325572Courtesy of NISSAN MOTOR CO., U.S.A.