LEMON Manuals: Even more car manuals for everyone: 1960-2025
Home >> Infiniti >> 2004 >> G35 x >> Repair and Diagnosis >> Engine Performance >> System >> 2004.5 - Engine Control System - Introduction - Sedan >> Trouble Diagnosis >> Circuit Diagram >> AWD Models
April 5, 2026: LEMON Manuals is launched! Read the announcement.

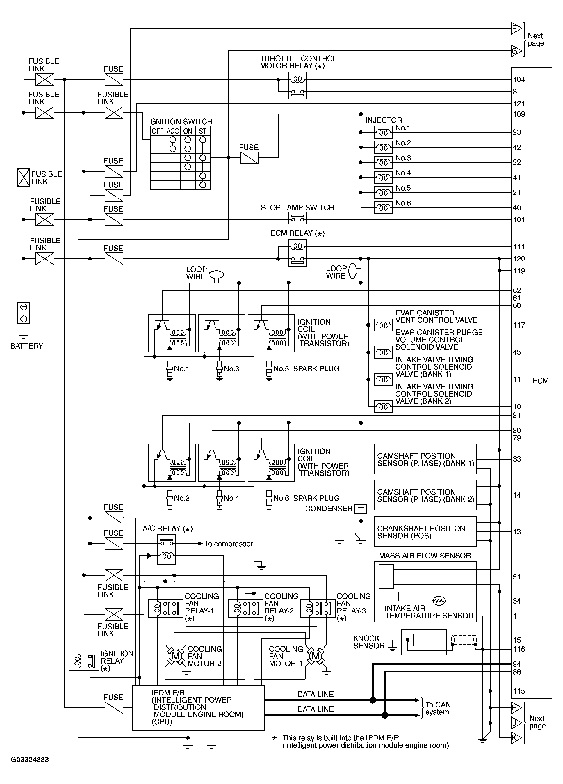
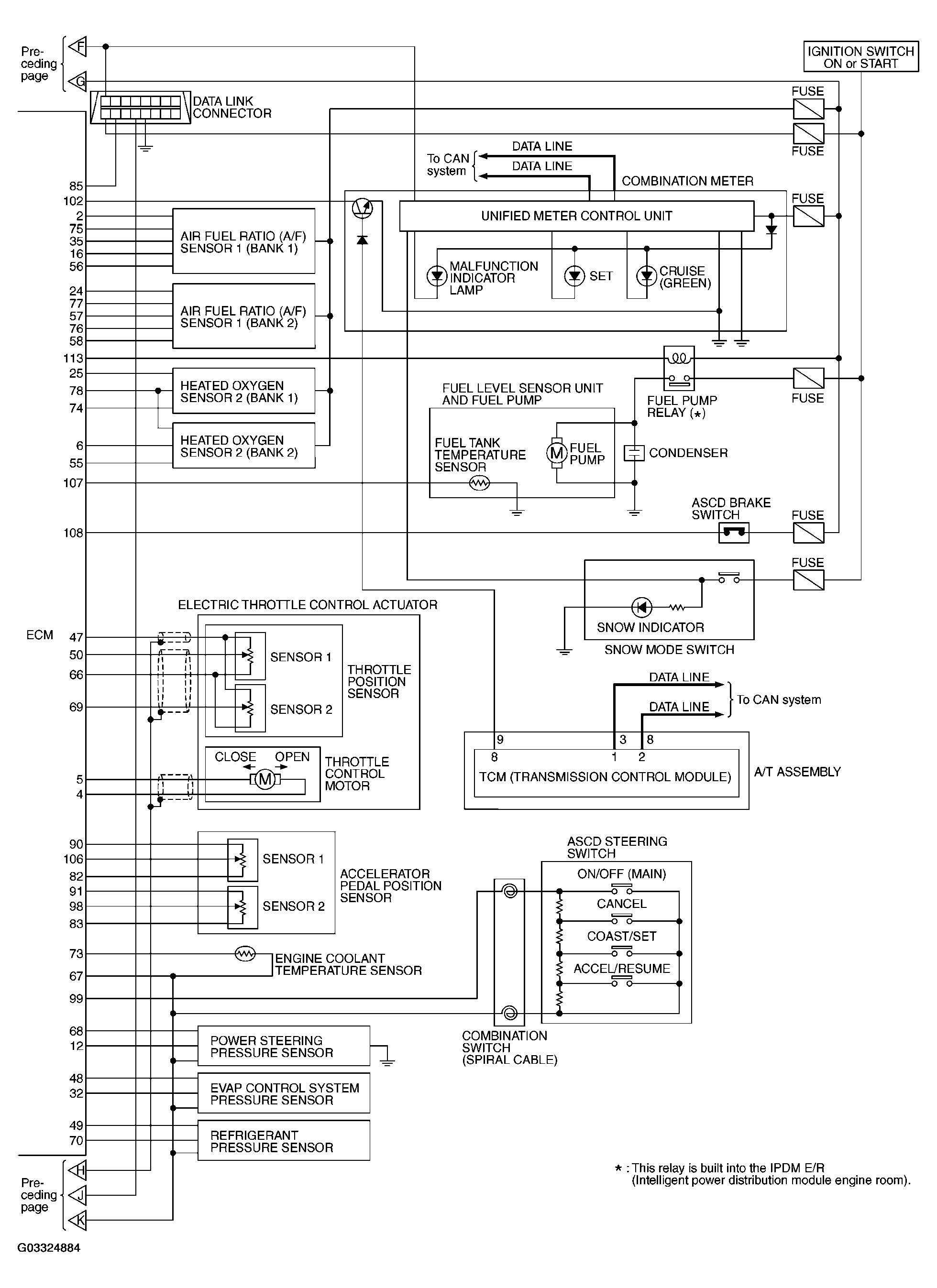
AWD Models

Fig 1: Circuit Diagram AWD Models (1 Of 2)
G03324883Courtesy of NISSAN MOTOR CO., U.S.A.
Fig 2: Circuit Diagram AWD Models (2 Of 2)
G03324884Courtesy of NISSAN MOTOR CO., U.S.A.