LEMON Manuals: Even more car manuals for everyone: 1960-2025
Home >> Infiniti >> 2004 >> I35 >> Repair and Diagnosis (Single Page) >> Engine Performance >> System >> Engine Control System >> DTC P0460: Fuel Level Sensor >> DTC Confirmation Procedure >> With GST
April 5, 2026: LEMON Manuals is launched! Read the announcement.

With GST

Follow the procedure WITH CONSULT-II.

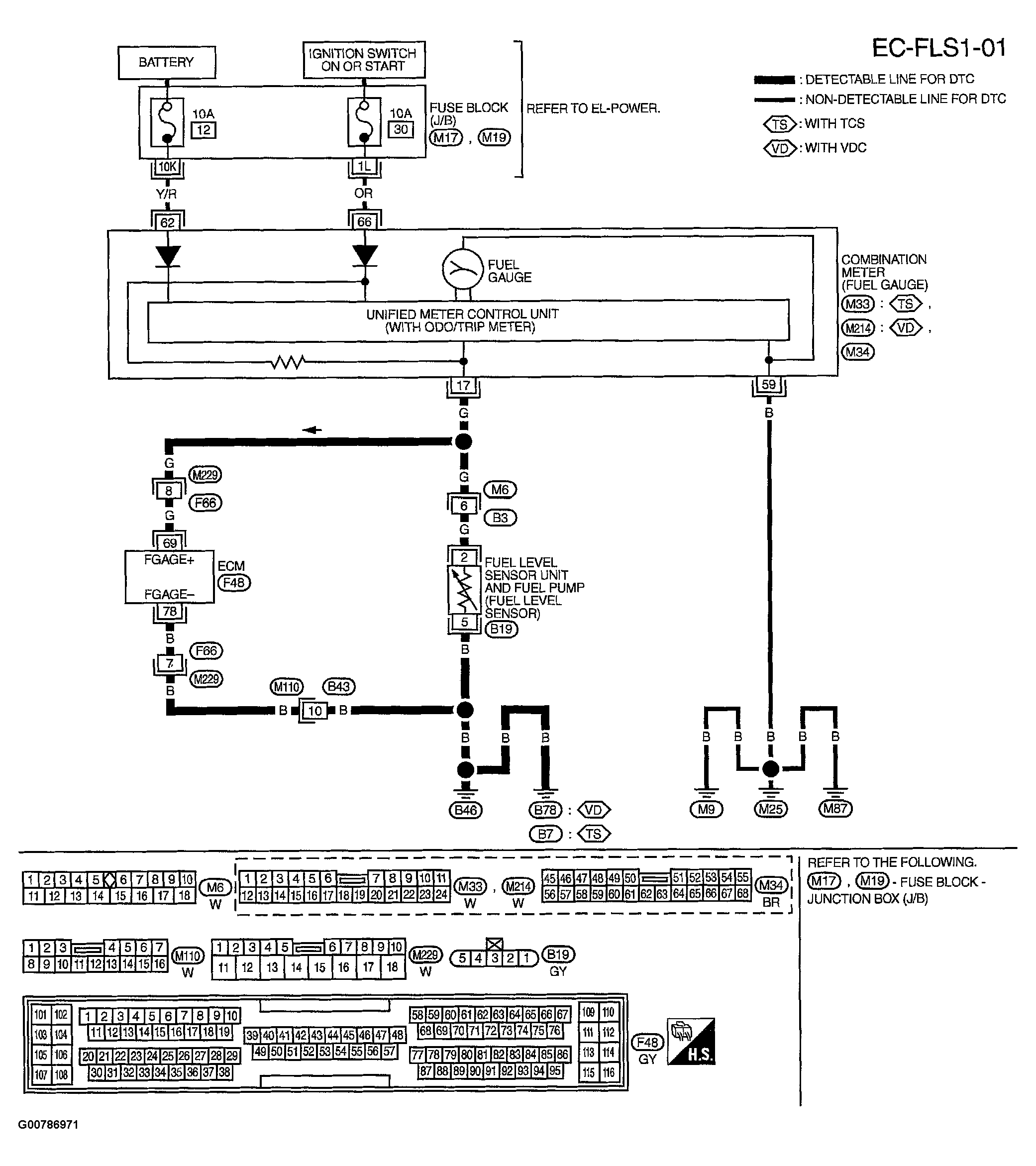
Fig 1: Displaying Wiring Diagram (EC-FLS1-01)
G00786971Courtesy of NISSAN MOTOR CO., U.S.A.

ECM TERMINALS AND REFERENCE VALUE MEASURED BETWEEN EACH TERMINAL AND GROUND. 

CAUTION: DO NOT USE ECM GROUND TERMINALS WHEN MEASURING INPUT/OUTPUT VOLTAGE. DOING SO MAY RESULT IN DAMAGE TO THE ECM'S TRANSISTOR. USE A GROUND OTHER THAN ECM TERMINALS, SUCH AS THE GROUND.
Fig 2: Identifying ECM Terminals And Reference Values
G00786972Courtesy of NISSAN MOTOR CO., U.S.A.