LEMON Manuals: Even more car manuals for everyone: 1960-2025
Home >> Infiniti >> 2004 >> I35 >> Repair and Diagnosis (Single Page) >> Engine Performance >> System >> Engine Control System >> DTC P1217: Engine Over Temperature >> Wiring Diagram
April 5, 2026: LEMON Manuals is launched! Read the announcement.

DTC P1217: Engine Over Temperature: Wiring Diagram

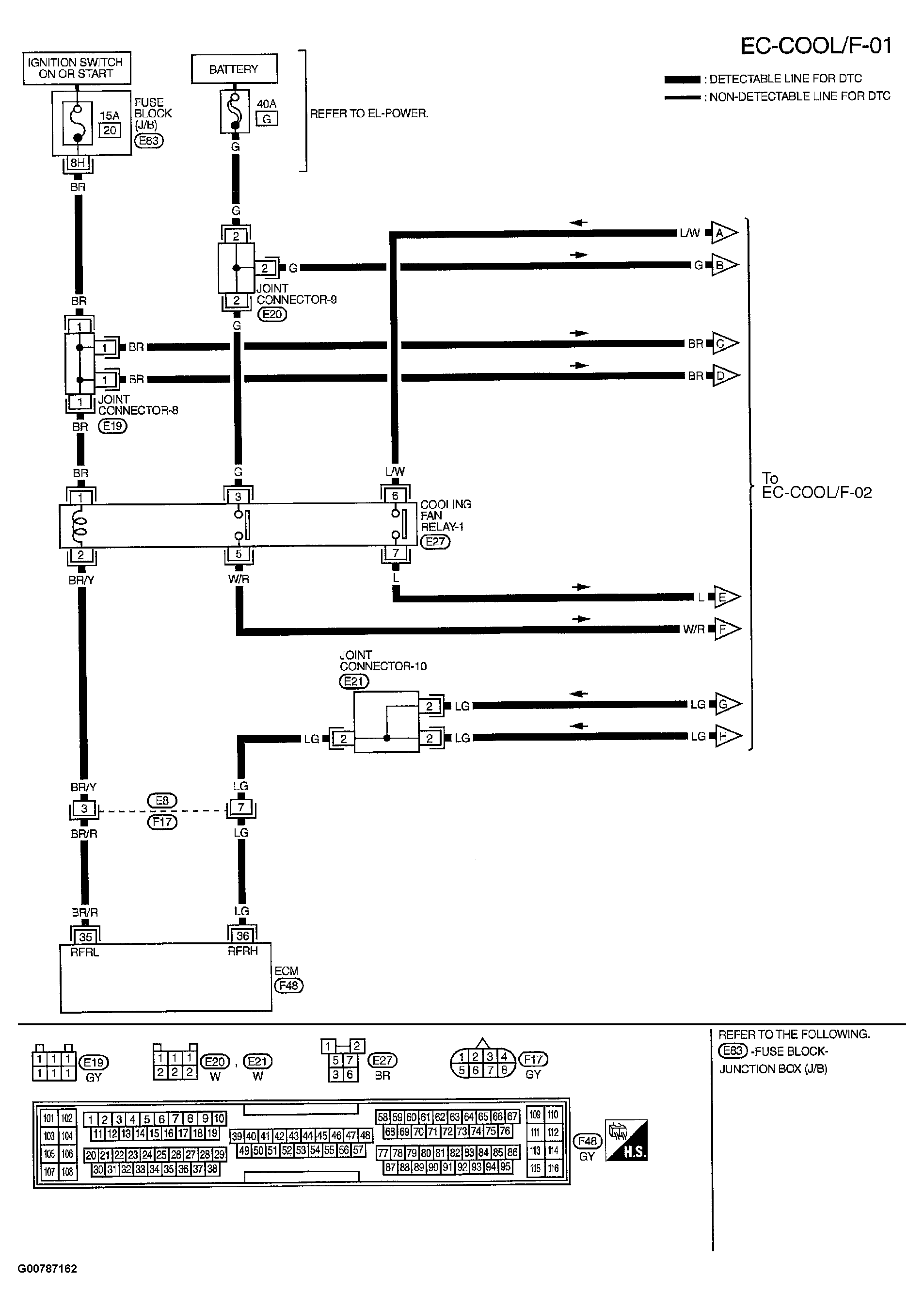
Fig 1: Displaying Wiring Diagram (EC-COOL/F-01)
G00787162Courtesy of NISSAN MOTOR CO., U.S.A.
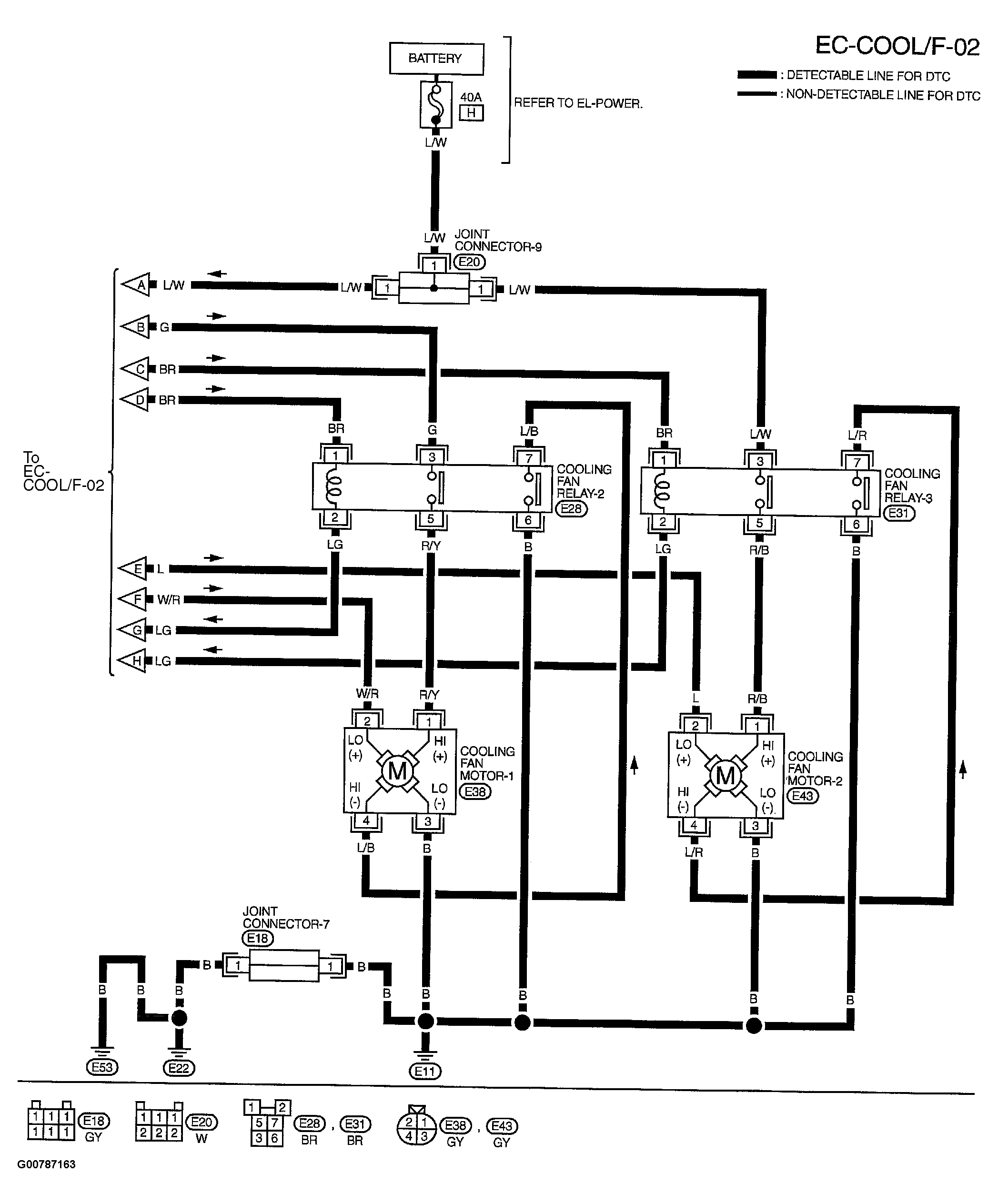
Fig 2: Displaying Wiring Diagram (EC-COOL/F-02)
G00787163Courtesy of NISSAN MOTOR CO., U.S.A.

ECM TERMINALS AND REFERENCE VALUE MEASURED BETWEEN EACH TERMINAL AND GROUND. 

CAUTION: DO NOT USE ECM GROUND TERMINALS WHEN MEASURING INPUT/OUTPUT VOLTAGE. DOING SO MAY RESULT IN DAMAGE TO THE ECM'S TRANSISTOR. USE A GROUND OTHER THAN ECM TERMINALS, SUCH AS THE GROUND.
Fig 3: Identifying ECM Terminals And Reference Values
G00787164Courtesy of NISSAN MOTOR CO., U.S.A.