LEMON Manuals: Even more car manuals for everyone: 1960-2025
Home >> Infiniti >> 2004 >> I35 >> Repair and Diagnosis (Single Page) >> Engine Performance >> System >> Engine Control System >> Engine And Emission Control Overall System >> Circuit Diagram
April 5, 2026: LEMON Manuals is launched! Read the announcement.

Circuit Diagram

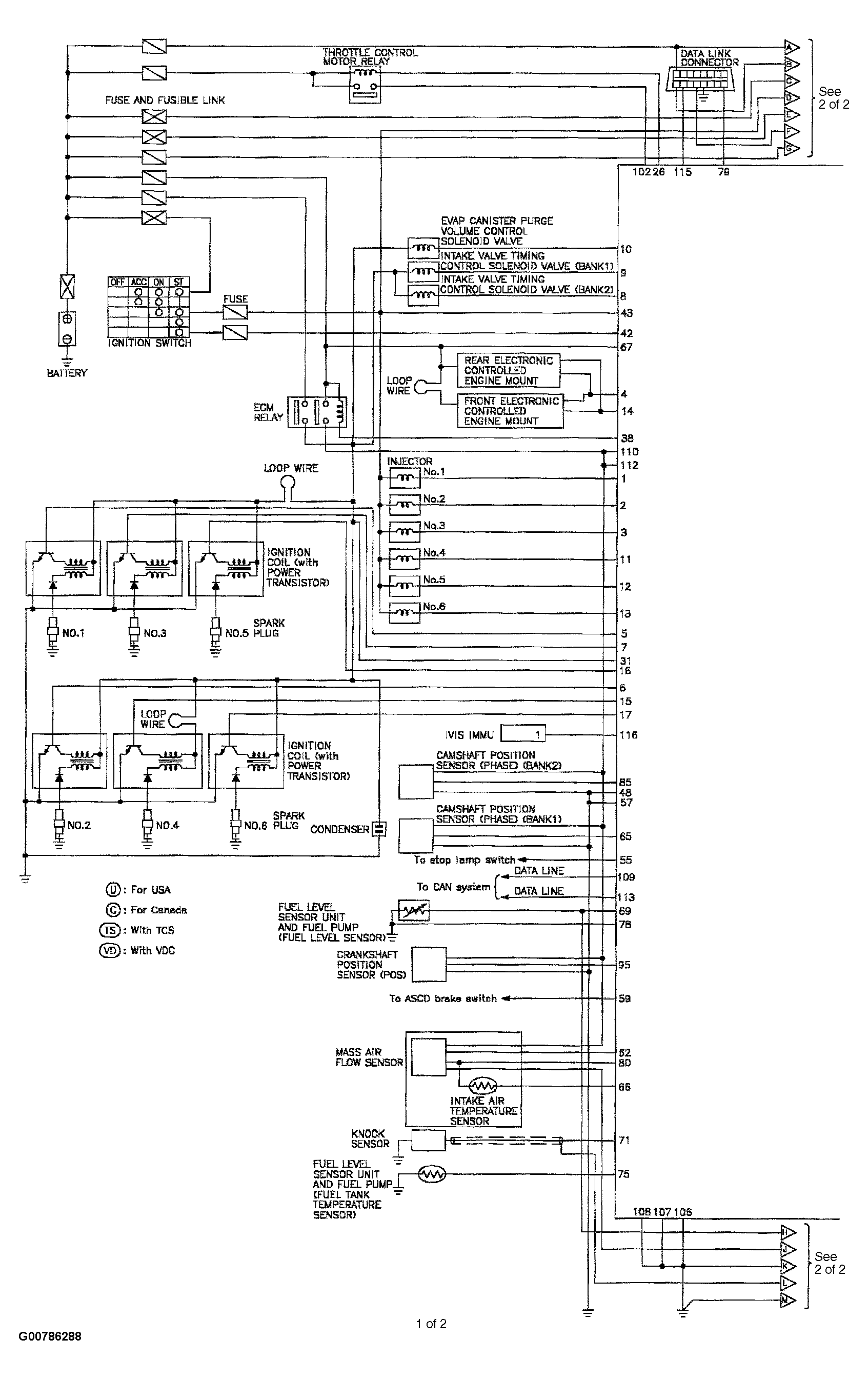
Fig 1: Displaying Circuit Diagram (1 Of 2)
G00786288Courtesy of NISSAN MOTOR CO., U.S.A.
Fig 2: Displaying Circuit Diagram (2 Of 2)
G00786289Courtesy of NISSAN MOTOR CO., U.S.A.