LEMON Manuals: Even more car manuals for everyone: 1960-2025
Home >> Infiniti >> 2004 >> I35 >> Repair and Diagnosis >> Brakes >> Traction Control >> Brake Control System - TCS >> Schematic
April 5, 2026: LEMON Manuals is launched! Read the announcement.

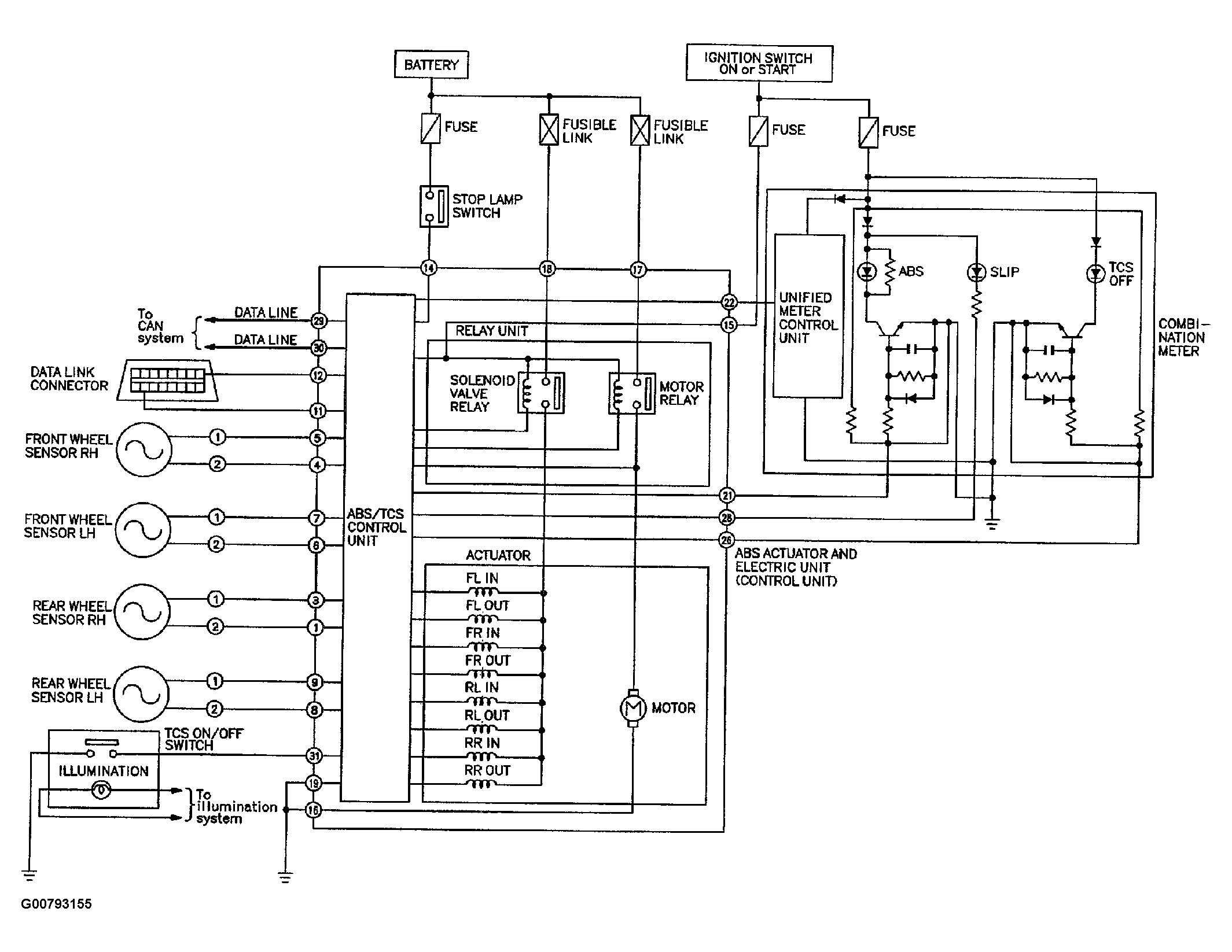
Brake Control System - TCS: Schematic

Fig 1: TCS Schematic
G00793155Courtesy of NISSAN MOTOR CO., U.S.A.