LEMON Manuals: Even more car manuals for everyone: 1960-2025
Home >> Infiniti >> 2004 >> I35 >> Repair and Diagnosis >> Engine Performance >> System >> Engine Control System >> DTC P0102, P0103: MAF Sensor >> Wiring Diagram
April 5, 2026: LEMON Manuals is launched! Read the announcement.

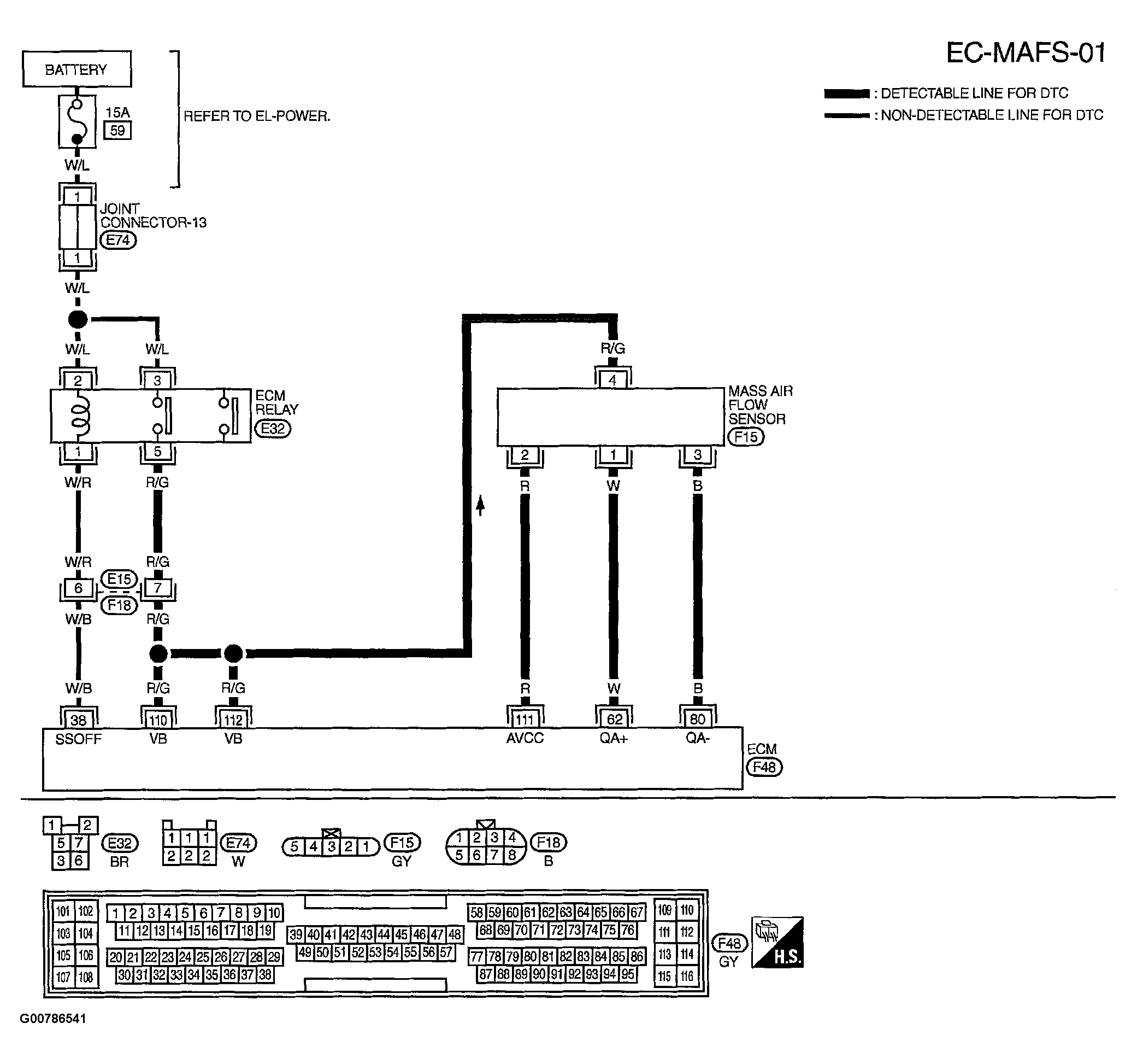
DTC P0102, P0103: MAF Sensor: Wiring Diagram

Fig 1: Displaying MAF Sensor Wiring Diagram (EC-MAFS-01)
G00786541Courtesy of NISSAN MOTOR CO., U.S.A.

ECM TERMINALS AND REFERENCE VALUE MEASURED BETWEEN EACH TERMINAL AND GROUND. 

CAUTION: DO NOT USE ECM GROUND TERMINALS WHEN MEASURING INPUT/OUTPUT VOLTAGE. DOING SO MAY RESULT IN DAMAGE TO THE ECM'S TRANSISTOR. USE A GROUND OTHER THAN ECM TERMINALS, SUCH AS THE GROUND.
Fig 2: Identifying ECM Terminals And Reference Values
G00786542Courtesy of NISSAN MOTOR CO., U.S.A.