LEMON Manuals: Even more car manuals for everyone: 1960-2025
Home >> Infiniti >> 2004 >> I35 >> Repair and Diagnosis >> Engine Performance >> System >> Engine Control System >> DTC P0335: CKP Sensor (Pos) >> Wiring Diagram
April 5, 2026: LEMON Manuals is launched! Read the announcement.

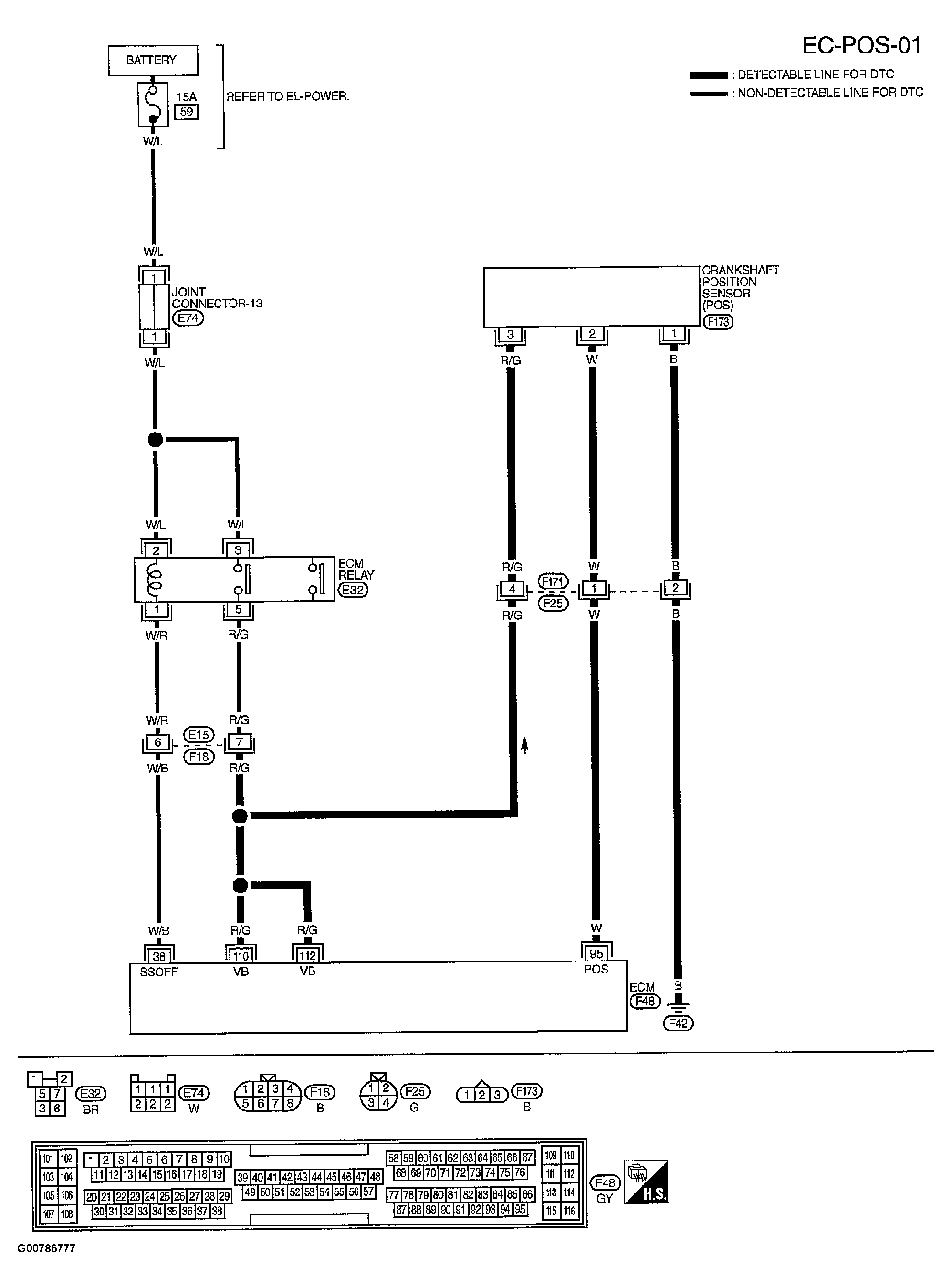
DTC P0335: CKP Sensor (Pos): Wiring Diagram

Fig 1: Displaying Wiring Diagram (EC-POS-01)
G00786777Courtesy of NISSAN MOTOR CO., U.S.A.

Specification data are reference values and are measured between each terminal and ground.

CAUTION: Do not use ECM ground terminals when measuring input/output voltage. Doing so may result in damage to the ECM's transistor. Use a ground other than ECM terminals, such as the ground.
Fig 2: Identifying Crankshaft Sensor Conditions
G00786778Courtesy of NISSAN MOTOR CO., U.S.A.