LEMON Manuals: Even more car manuals for everyone: 1960-2025
Home >> Infiniti >> 2004 >> I35 >> Repair and Diagnosis >> Transmission >> Automatic Trans >> Automatic Transaxle >> Overall System >> Circuit Diagram
April 5, 2026: LEMON Manuals is launched! Read the announcement.

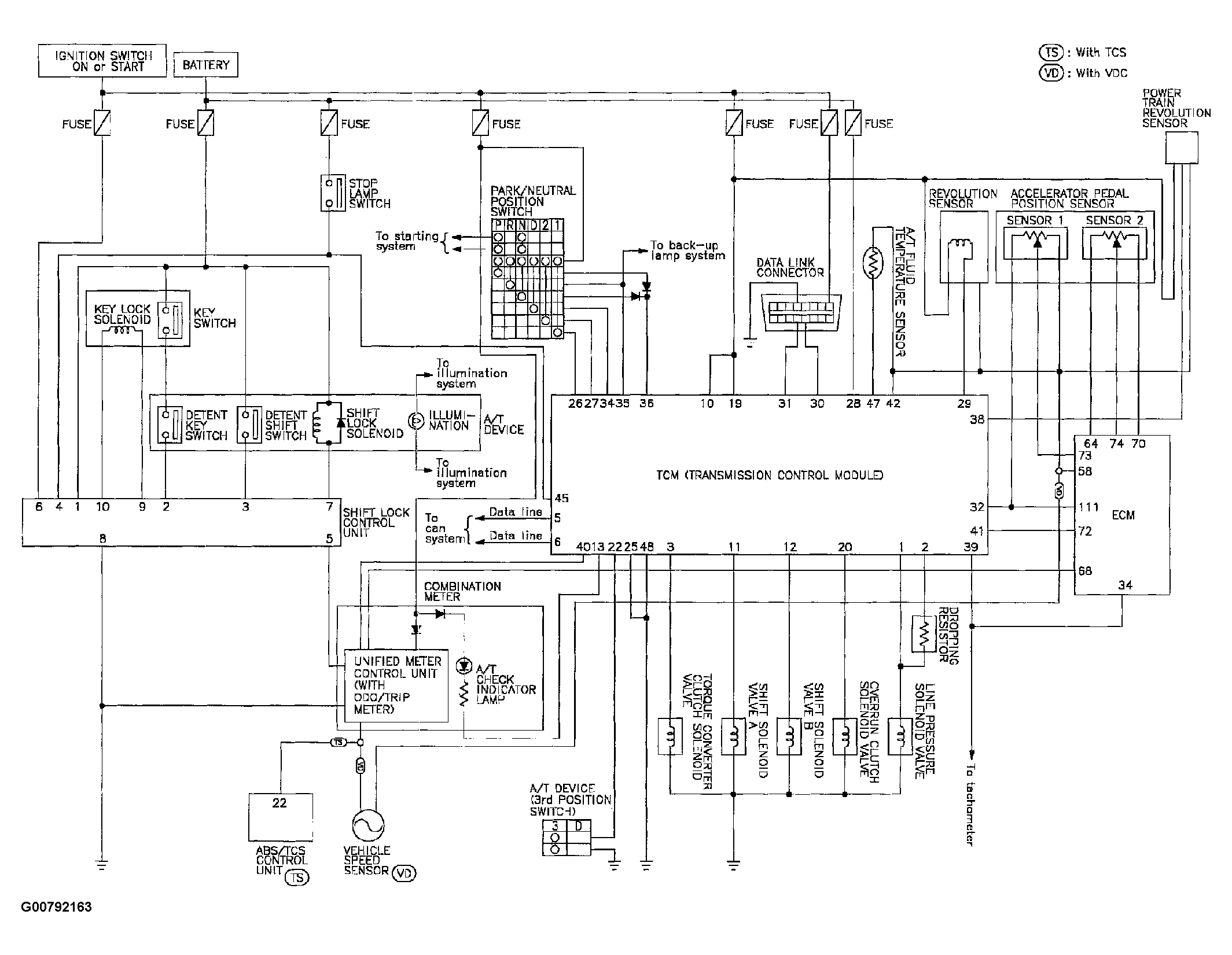
Circuit Diagram

Fig 1: Circuit Diagram Overall System
G00792163Courtesy of NISSAN MOTOR CO., U.S.A.