LEMON Manuals: Even more car manuals for everyone: 1960-2025
Home >> Infiniti >> 2004 >> M45 >> Repair and Diagnosis (Single Page) >> Engine Performance >> Engine Control System >> DTC P0462, P0463: Fuel Level Sensor >> Wiring Diagram
April 5, 2026: LEMON Manuals is launched! Read the announcement.

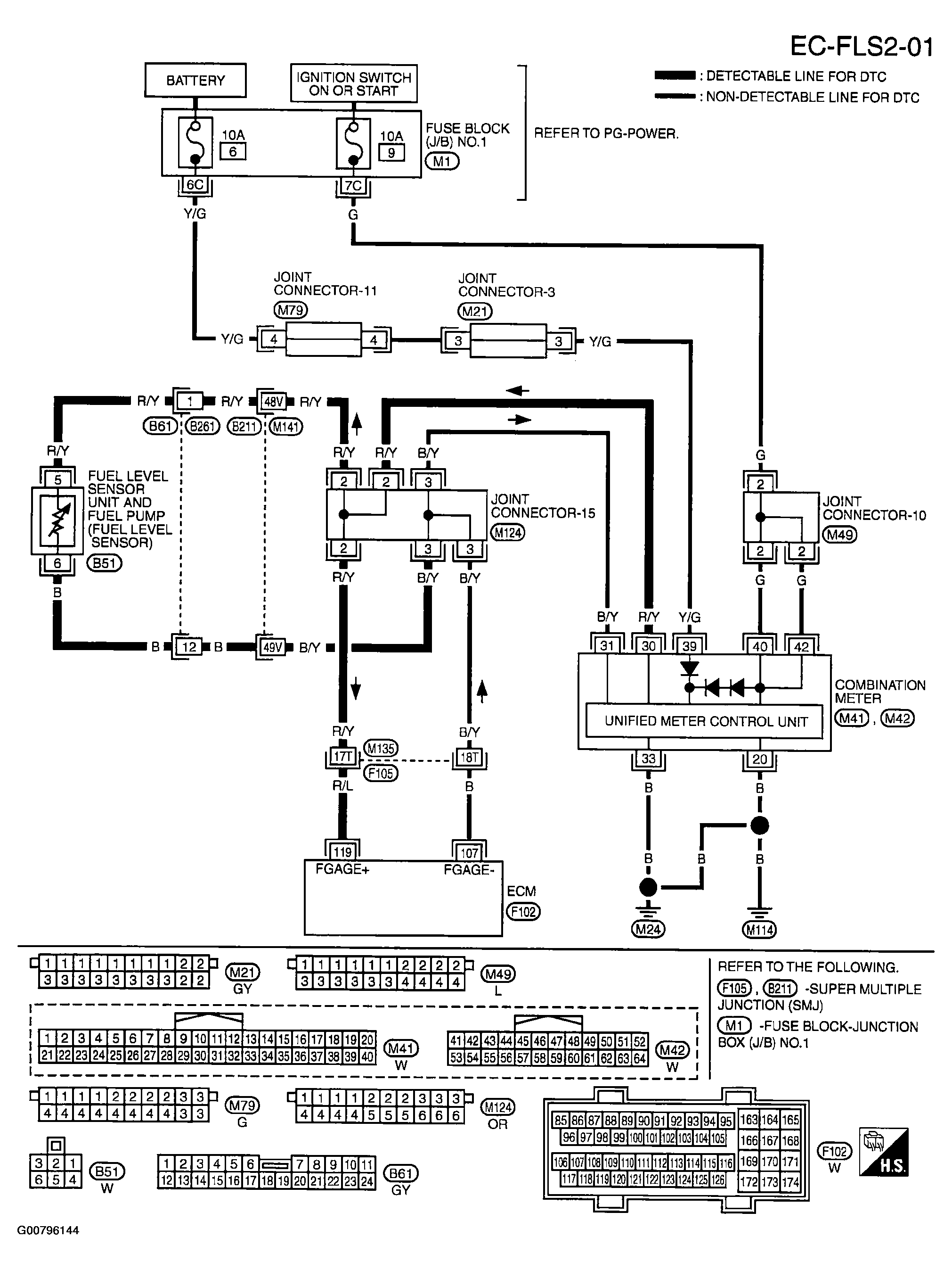
DTC P0462, P0463: Fuel Level Sensor: Wiring Diagram

Fig 1: Circuit Diagram - Fuel Level Sensor - EC-FLS2-01
G00796144Courtesy of NISSAN MOTOR CO., U.S.A.

Specification data are reference values and are measured between each terminal and ground.

CAUTION: Do not use ECM ground terminals when measuring input/output voltage. Doing so may result in damage to the ECM's transistor. Use a ground other than ECM terminals, such as the ground.
Fig 2: Terminal Testing & Conditions Chart
G00796145Courtesy of NISSAN MOTOR CO., U.S.A.