LEMON Manuals: Even more car manuals for everyone: 1960-2025
Home >> Infiniti >> 2004 >> M45 >> Repair and Diagnosis >> Engine Performance >> Engine Control System >> Trouble Diagnosis >> Circuit Diagram
April 5, 2026: LEMON Manuals is launched! Read the announcement.

Circuit Diagram

Fig 1: Locating Engine System Electrical Components (1 Of 2)
G00795579Courtesy of NISSAN MOTOR CO., U.S.A.
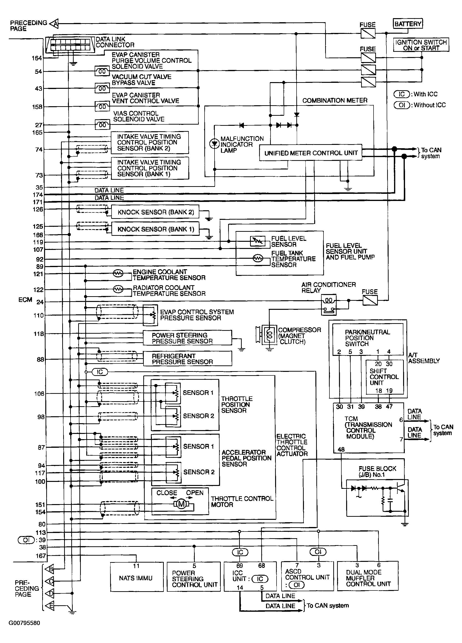
Fig 2: Locating Engine System Electrical Components (2 Of 2)
G00795580Courtesy of NISSAN MOTOR CO., U.S.A.