LEMON Manuals: Even more car manuals for everyone: 1960-2025
Home >> Infiniti >> 2004 >> Q45 >> Repair and Diagnosis (Single Page) >> Brakes >> Traction Control >> Brake Control System >> System Description >> System Diagram
April 5, 2026: LEMON Manuals is launched! Read the announcement.

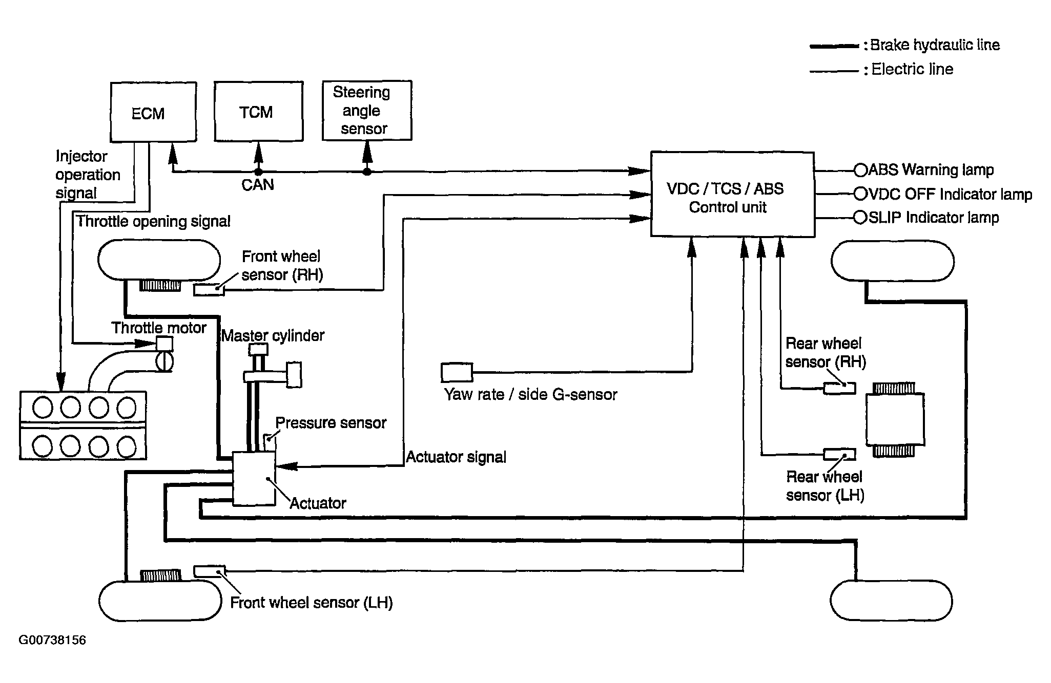
System Diagram

Fig 1: Displaying Overview Of Brake Control System
G00738156Courtesy of NISSAN MOTOR CO., U.S.A.