LEMON Manuals: Even more car manuals for everyone: 1960-2025
Home >> Infiniti >> 2004 >> Q45 >> Repair and Diagnosis (Single Page) >> Engine Performance >> Engine Control System >> Electrical Load Signal >> Wiring Diagram
April 5, 2026: LEMON Manuals is launched! Read the announcement.

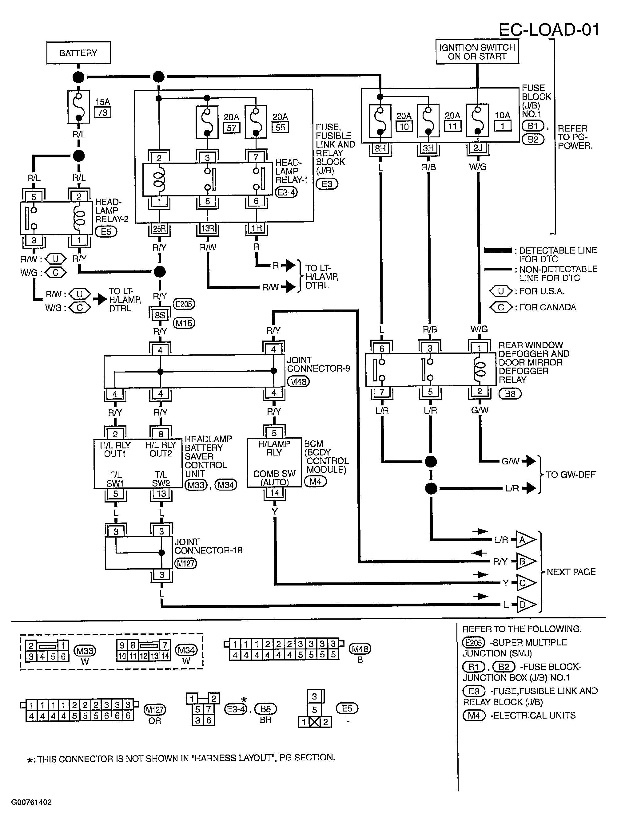
Electrical Load Signal: Wiring Diagram

Fig 1: Circuit Diagram (1 Of 2) - EC-LOAD-01
G00761402Courtesy of NISSAN MOTOR CO., U.S.A.
Fig 2: Circuit Diagram (2 Of 2) - EC-LOAD-02
G00761403Courtesy of NISSAN MOTOR CO., U.S.A.