LEMON Manuals: Even more car manuals for everyone: 1960-2025
Home >> Infiniti >> 2004 >> Q45 >> Repair and Diagnosis (Single Page) >> Engine Performance >> Engine Control System >> Refrigerant Pressure Sensor >> Wiring Diagram
April 5, 2026: LEMON Manuals is launched! Read the announcement.

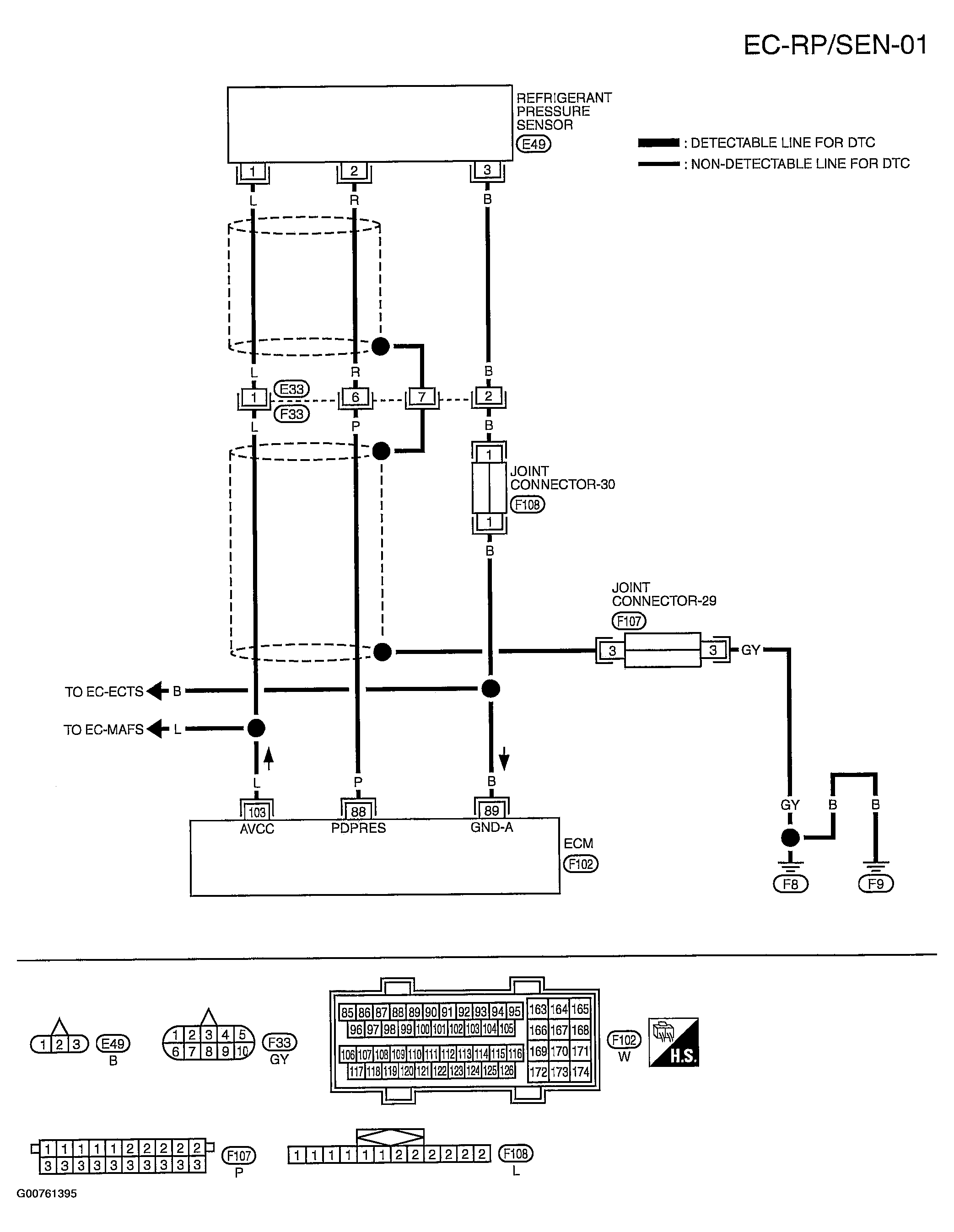
Refrigerant Pressure Sensor: Wiring Diagram

Fig 1: Circuit Diagram - EC-RP/SEN-01
G00761395Courtesy of NISSAN MOTOR CO., U.S.A.

Specification data are reference values and are measured between each terminal and ground.

CAUTION: Do not use ECM ground terminals when measuring input/output voltage. Doing so may result in damage to the ECM's transistor. Use a ground other than ECM terminals, such as the ground.
Fig 2: Specification data & reference values
G00761396Courtesy of NISSAN MOTOR CO., U.S.A.